QQ登录

只需一步,快速开始

登录 | 注册 | 找回密码

三维网

 找回密码
 注册

QQ登录

只需一步,快速开始

展开

通知     

全站
3天前
查看: 2227|回复: 12
收起左侧

[讨论] 如何加工?

[复制链接]
发表于 2009-4-23 16:02:47 | 显示全部楼层 |阅读模式 来自: 中国四川成都

马上注册,结识高手,享用更多资源,轻松玩转三维网社区。

您需要 登录 才可以下载或查看,没有帐号?注册

x
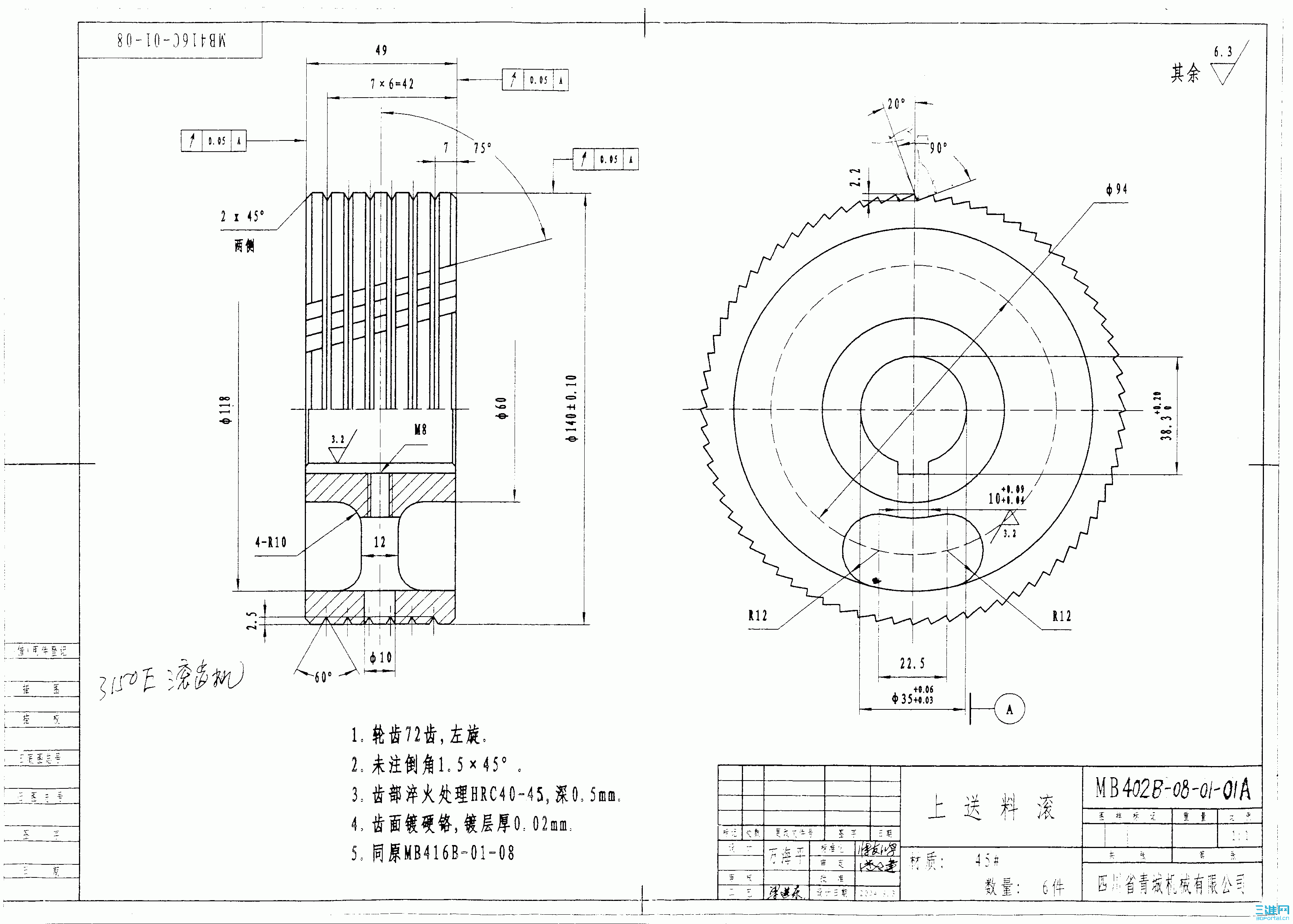
http://file:///e:/1.gif图为一上料轮,轮面上有一系列齿槽!如何加工这些齿槽/?
1.gif
发表于 2009-4-23 17:50:05 | 显示全部楼层 来自: 中国山东济南
定做专用滚刀,用滚齿机加工。
发表于 2009-4-23 18:30:27 | 显示全部楼层 来自: 中国上海
数量多吗?不多的话,只有用万能铣加分度头,磨个成型刀具,慢慢的加工。2 a' \" M7 B* I$ ~2 C

. l* p! E) }( i; G* A* ^/ s[ 本帖最后由 ZQ0329 于 2009-4-23 18:33 编辑 ]
发表于 2009-4-23 19:52:06 | 显示全部楼层 来自: 中国安徽蚌埠
用插齿机加工也行呀
发表于 2009-4-23 20:44:59 | 显示全部楼层 来自: 中国湖南湘潭
什么东西  我就 看见一个圆盘  楼主有点补清楚
发表于 2009-9-4 16:20:01 | 显示全部楼层 来自: 中国黑龙江佳木斯
从图上看用车床就可加工。
发表于 2009-9-8 11:26:40 | 显示全部楼层 来自: 中国广东深圳
原帖由 ZQ0329 于 2009-4-23 18:30 发表 http://www.3dportal.cn/discuz/images/common/back.gif
5 C$ N/ a; Z0 V1 M8 c% t数量多吗?不多的话,只有用万能铣加分度头,磨个成型刀具,慢慢的加工。
- x- n6 @5 g2 h( N8 z+ `" l
看清楚了,人家那齿部是斜齿,好不!~
发表于 2009-9-8 13:52:52 | 显示全部楼层 来自: 中国江苏泰州
线切割!完成
发表于 2009-9-8 16:34:22 | 显示全部楼层 来自: 中国上海
楼主太幽默了,感情想考考大家是吧?
% X; i# y0 P* _) {9 _+ k你图纸上都清楚写着“滚齿机”三个字,还问啥?
发表于 2009-11-26 10:19:44 | 显示全部楼层 来自: 中国山东莱芜

回复 1# yk84117 的帖子

量小的话用线切割吧,数量多的话做工装用滚齿机吧
发表于 2009-11-26 11:58:43 | 显示全部楼层 来自: 中国山东青岛
用滚齿机加工呀,不是有吗?
发表于 2010-1-4 16:13:57 | 显示全部楼层 来自: 中国山东滨州
滚齿机啊!
发表于 2010-1-5 10:24:26 | 显示全部楼层 来自: 中国山西太原
从图上看齿槽分两个方向,一是圆周向的环形槽,这些槽在车床上加工。  b1 U# H1 X$ p4 v
圆柱面上75°的斜槽,在滚齿机上滚齿方便省事。工件直径不大(φ140mm),在万能铣床上铣齿也是可以的。
发表回复
您需要登录后才可以回帖 登录 | 注册

本版积分规则

Licensed Copyright © 2016-2020 http://www.3dportal.cn/ All Rights Reserved 京 ICP备13008828号

小黑屋|手机版|Archiver|三维网 ( 京ICP备2023026364号-1 )

快速回复 返回顶部 返回列表