QQ登录

只需一步,快速开始

登录 | 注册 | 找回密码

三维网

 找回密码
 注册

QQ登录

只需一步,快速开始

展开

通知     

全站
8天前
查看: 2298|回复: 6
收起左侧

[已解决] !!!急切请求赐教:缺相保护的电路图分析

 关闭 [复制链接]
发表于 2009-4-29 09:56:21 | 显示全部楼层 |阅读模式 来自: 中国北京

马上注册,结识高手,享用更多资源,轻松玩转三维网社区。

您需要 登录 才可以下载或查看,没有帐号?注册

x
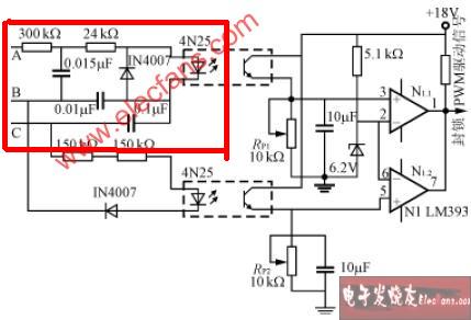
      图中所示是一种用于三相三线制电源缺相保护电路,A、B、C缺任何一相,光耦器输出电平低于比较器的反相输入端的基准电压,比较器输出低电平,封锁PWM驱动信号,关闭电源。比较器输入极性稍加变动,亦可用高电平封锁PWM信号。这种缺相保护电路采用光耦隔离强电,安全可靠,RP1、RP2用于调节缺相保护动作阈值。
# }$ A! u7 l, I/ Y$ T0 L      
( V3 A3 L0 i. Z/ H) I/ ^" B* u  x      这个电路几乎成为缺相保护的经典电路了,模拟仿真都没什么问题。但有一处问题我想不明白请各位高手解答。
* u) c/ v: m+ L2 H

7 K4 L9 [3 f1 h1 r      图中电路的上半部分(我用红色圈的部分)我的理解是:B、C两相电压分别通过0.01uF和0.1uF的电容连接在一起,形成一个中点。A相电压与中点电压比较,如果A相有缺相则会截至光耦,使比较器输出低电平,拉低PWM输出。问题是,如果B、C相是连接成中点的话,为什么选择的电容容值差十倍呢?我用multisim仿真过,如果改成相同容值还真是不行。望高手解惑。在此拜谢了! :handshake :handshake
" m! i4 X+ R9 R  K8 a7 y4 {) y% d, l; I' P; Y& i3 W+ |
[ 本帖最后由 dingwei__stone 于 2009-4-29 10:01 编辑 ]
缺相保护.jpg
 楼主| 发表于 2009-4-29 10:03:02 | 显示全部楼层 来自: 中国北京
大家帮帮忙啊
发表于 2009-4-29 15:10:11 | 显示全部楼层 来自: 中国浙江宁波
现在的保护器都用无源式的,有源的不可靠呀。
 楼主| 发表于 2009-4-29 16:27:12 | 显示全部楼层 来自: 中国北京
请楼上的赐教
发表于 2009-4-30 13:32:38 | 显示全部楼层 来自: 中国河南周口
图中所示取样电路并非三相平衡桥中点电位取样,而是简单的线-线间阻容降压半波整流电路。三相中任一相失电,两光耦有一截止。两运算输出组成线与,供给后级。楼主,不知这样解释可以吗?

评分

参与人数 1三维币 +2 收起 理由
xyzabcxyzabc + 2 应助

查看全部评分

发表于 2009-4-30 15:25:35 | 显示全部楼层 来自: 中国江苏徐州
同样希望好心人的帮助
 楼主| 发表于 2009-5-21 16:47:14 | 显示全部楼层 来自: 中国北京
多谢5楼,后来我通过multisim仿真,确实如你所说的,再次感谢
发表回复
您需要登录后才可以回帖 登录 | 注册

本版积分规则


Licensed Copyright © 2016-2020 http://www.3dportal.cn/ All Rights Reserved 京 ICP备13008828号

小黑屋|手机版|Archiver|三维网 ( 京ICP备2023026364号-1 )

快速回复 返回顶部 返回列表