QQ登录

只需一步,快速开始

登录 | 注册 | 找回密码

三维网

 找回密码
 注册

QQ登录

只需一步,快速开始

展开

通知     

查看: 4063|回复: 9
收起左侧

[练习题] 在别处网站下的,练练手,几小时能搞定

[复制链接]
发表于 2009-5-1 14:57:00 | 显示全部楼层 |阅读模式 来自: 中国北京

马上注册,结识高手,享用更多资源,轻松玩转三维网社区。

您需要 登录 才可以下载或查看,没有帐号?注册

x
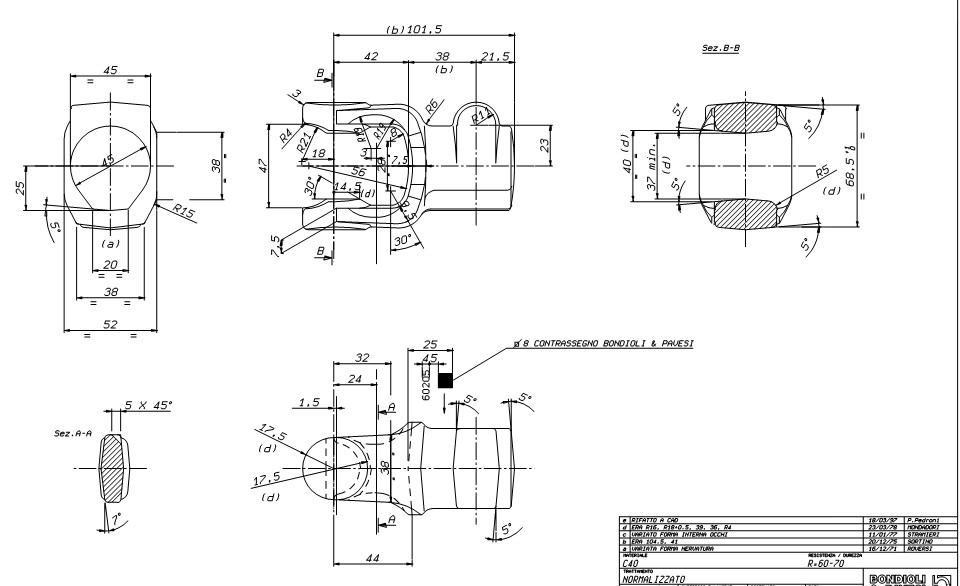
2.jpg 轴叉.rar (46.44 KB, 下载次数: 106)
发表于 2012-12-26 13:20:20 | 显示全部楼层 来自: 中国江苏苏州
压缩包里是图纸吗?
发表于 2013-9-4 07:04:47 | 显示全部楼层 来自: 中国辽宁辽阳
本帖最后由 gax0524 于 2013-9-6 16:07 编辑 & W# W' P- E( W  p

3 z4 F6 t. w5 m* T* k  e) v啥也不说了,有些难度!用了二个多小时。. g4 o2 N6 F4 w- O# v9 b
ZhouCha_1.jpg
+ Z2 x. ?  s5 U( F5 X ZhouCha_2.jpg / ]$ V3 z2 o" x# j' x( \9 K
ZhouCha_3.jpg
+ `. A7 T7 t+ R3 j. c$ x/ p ZhouCha_4.jpg

ZhouCha.rar

569.14 KB, 下载次数: 53

发表于 2013-9-5 08:39:57 | 显示全部楼层 来自: 中国浙江杭州
gax0524 发表于 2013-9-4 07:04 static/image/common/back.gif
6 A0 y% k5 U% p; @' }+ A啥也不说了,有些难度!用了二个多小时。

5 o6 k! R. d4 b3 e; m( ~  W2 G0 b啥 也不说了,大神就是大神啊!
发表于 2013-9-6 10:04:48 | 显示全部楼层 来自: 中国江苏无锡
gax0524 发表于 2013-9-4 07:04 static/image/common/back.gif" L& O7 v. b6 J( G# l
啥也不说了,有些难度!用了二个多小时。

9 Y/ ~) s- r2 h# i6 X4 z2 N+ k做得不错啊,可以上传文件吗?
发表于 2013-9-6 16:22:49 | 显示全部楼层 来自: 中国台湾
下来试试
发表于 2014-3-15 16:42:30 | 显示全部楼层 来自: 中国北京
谢谢楼主分享
发表于 2014-10-25 16:35:24 | 显示全部楼层 来自: 中国广东深圳
好像有点难
发表于 2014-10-25 22:14:40 | 显示全部楼层 来自: 中国广东深圳
下来试试
发表于 2014-10-26 16:51:44 | 显示全部楼层 来自: 中国江苏盐城
哎在老家电脑没有带回来   要不下下来试下。这个应该不是太难0 f! i3 D# k/ t# r, A+ Y4 T% z( [
  {1 m7 ^% h. F1 n
发表回复
您需要登录后才可以回帖 登录 | 注册

本版积分规则


Licensed Copyright © 2016-2020 http://www.3dportal.cn/ All Rights Reserved 京 ICP备13008828号

小黑屋|手机版|Archiver|三维网 ( 京ICP备2023026364号-1 )

快速回复 返回顶部 返回列表