QQ登录

只需一步,快速开始

登录 | 注册 | 找回密码

三维网

 找回密码
 注册

QQ登录

只需一步,快速开始

展开

通知     

全站
9天前
查看: 4714|回复: 28
收起左侧

[求助] 请教这是一个什么样的零件?

[复制链接]
发表于 2009-5-1 21:34:19 | 显示全部楼层 |阅读模式 来自: 中国山东

马上注册,结识高手,享用更多资源,轻松玩转三维网社区。

您需要 登录 才可以下载或查看,没有帐号?注册

x
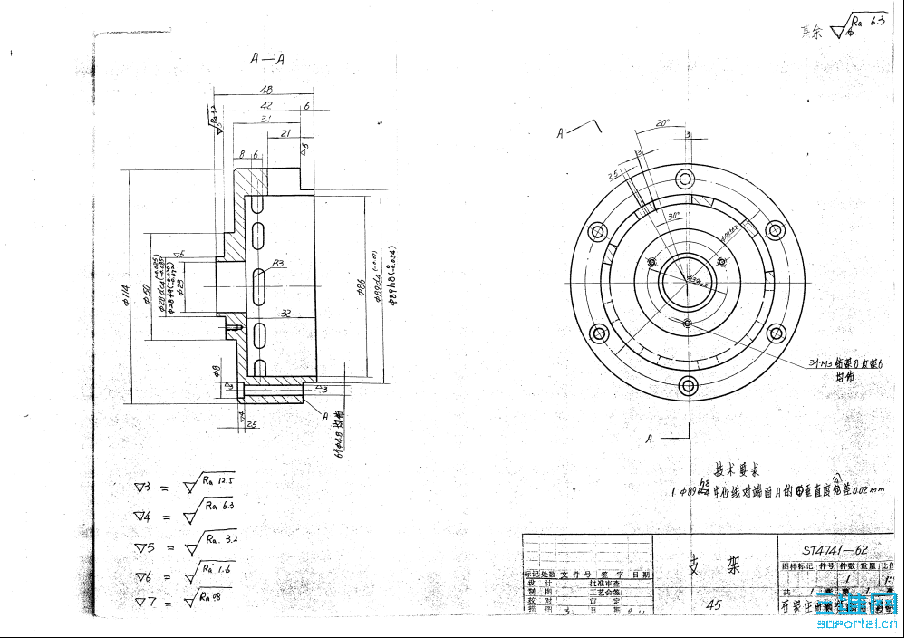
请教这是一个什么样的零件?能不能用soildworks做出它的三维实体模型,主要是铣槽的那部分是什么样就行。谢谢大家!如果有知道这是干什么用的零件那就更好了,再次表示感谢。undefined; H+ O7 u1 A* }; r. y

! F1 |: a0 S' z" @. \/ l' L' n
! H  j) p0 g9 |[ 本帖最后由 虎强 于 2009-5-4 12:32 编辑 ]
QQ截图未命名.png
发表于 2009-5-1 22:12:58 | 显示全部楼层 来自: 中国陕西西安
请楼主上传图片,不然什么也没有怎么猜啊。
 楼主| 发表于 2009-5-1 22:44:20 | 显示全部楼层 来自: 中国山东
看不见图吗
 楼主| 发表于 2009-5-1 23:17:22 | 显示全部楼层 来自: 中国山东

回复 2# zz435 的帖子

这下能看见了吧,是个什么样的零件呀 怎么制定加工工艺路线?谢谢
发表于 2009-5-2 09:19:53 | 显示全部楼层 来自: 中国山西运城
这个图表示得不是很清楚,实际并不复杂,不需用三维图来表示。标题栏中已写明叫支架,至于干什么用的看看装配图不就明白了。3 @# }# X: S4 \# z, s5 m7 U: J2 ^
图中9个宽6mm长圆孔不易加工,可以精铸。另外这里的投影关系不对,也没注明上面是何处的剖面,孔深的外圆没有尺寸。其余加工工艺可以这样安排:
( \) Y3 t7 v( j8 Z( I" u. ]) u1  夹外圆左端,将右面的内孔、止口外圆及端面都车成。
6 m& A& m4 |3 c% O& ]- j2  工件划线,钻6个带沉孔的φ4.8的孔。
( r# L7 l: _* y1 u$ E8 `3  用钢板作一夹具,中间车一与零件止口相配的孔,留余量,划线攻6个M4丝孔,上车床车成止口孔及外端面。1 C9 I. |& T% y" c" R: t. g
4  将工件装入止口并用螺栓紧固。
6 U4 q: r" d& P$ e+ G5  车成左端各外圆、端面、内孔。% K" c& ?+ F: U+ H* k! d. r/ V
6  划线、钻孔、攻丝。# G& H/ B! I0 G9 A
6 X; F- W5 y; N& Y- ]: x3 a9 H7 l
[ 本帖最后由 gaoyns 于 2009-5-4 14:29 编辑 ]

评分

参与人数 1三维币 +4 收起 理由
虎强 + 4 技术讨论

查看全部评分

 楼主| 发表于 2009-5-2 10:08:18 | 显示全部楼层 来自: 中国山东
请问右端内孔上这9个槽铣多深?图中虚线圆对应着主视图中哪条线?有没有哪位高人能把铣槽的这部分三维模型做出来我看看呀?谢谢
发表于 2009-5-2 19:04:14 | 显示全部楼层 来自: 中国浙江宁波
这个产品其实比较简单,左视图其实在表达腰型孔时有错误,画这个三维图也不难,关键要看懂旋转剖视图2.5mm是一条铣槽,深度21mm.
 楼主| 发表于 2009-5-3 00:08:05 | 显示全部楼层 来自: 中国山东

回复 7# luckpass 的帖子

麻烦还是做出模型吧,我也说不好哪里有错,谢谢!
发表于 2009-5-3 11:54:54 | 显示全部楼层 来自: 中国浙江台州

回复 5# gaoyns 的帖子

你能看懂这张图吗?我没有看懂,可能只有画这张图的人才能看懂吧!
发表于 2009-5-3 12:00:33 | 显示全部楼层 来自: 中国浙江台州
从事技术人员的人们啊,你们自己所画的图是拿给别人看的,如此的草率,真的是替我们丢脸!
发表于 2009-5-4 08:33:14 | 显示全部楼层 来自: 日本
原帖由 chewanli 于 2009-5-2 10:08 发表 http://www.3dportal.cn/discuz/images/common/back.gif# Z# [$ k6 j" X
请问右端内孔上这9个槽铣多深?图中虚线圆对应着主视图中哪条线?有没有哪位高人能把铣槽的这部分三维模型做出来我看看呀?谢谢

9 m7 F: H  S& [; _" {1 {  R; W% |这个图我也觉得有问题,表述含糊,测试一下自己的识图能力。
发表于 2009-5-4 09:29:08 | 显示全部楼层 来自: 中国安徽六安
这张图纸有的地方表示不清楚,有一个地方只能猜了.可以用UG做出实体来.请楼主重新传一份图纸上来.
发表于 2009-5-4 09:42:23 | 显示全部楼层 来自: 中国北京
画的不是很清晰
发表于 2009-5-4 11:59:06 | 显示全部楼层 来自: 中国陕西西安
图画的确实不清楚很多地方都没标示 很难想像其用途。。。。
 楼主| 发表于 2009-5-4 12:25:06 | 显示全部楼层 来自: 中国山东

回复 13# 杨善梅 的帖子

再怎么传呢?传上来还是一样的效果,你点一下图不是可以放大,然后再另存下来可以吗?我也不知道怎么能传的更清楚了。要是能做麻烦做出实体看看吧,谢谢!
发表于 2009-5-4 14:48:21 | 显示全部楼层 来自: 中国山西太原

回复 9# 赵元 的帖子

楼主发的这张图其实就是9个宽6mm长圆孔的表示方法是错的,两个视图中的投影关系不对,孔深的外圆没有尺寸。这9个长圆孔从φ86内孔表面开始径向延伸一个深度(深度无尺寸),右图孔的底部应是9段圆弧,下面未剖处应是不连续的虚线,上面剖处应为不连续的实线,剖面线应画至φ114半圆周,沉孔的圆剖去看不到了。这样这个图就清楚了。

评分

参与人数 1三维币 +3 收起 理由
虎强 + 3 应助

查看全部评分

发表于 2009-5-4 19:04:16 | 显示全部楼层 来自: 中国广东深圳
是个轴承吧,画三维简单
发表于 2009-5-5 15:21:03 | 显示全部楼层 来自: 中国浙江台州

回复 17# gaoyns 的帖子

是的,我也是这么理解。可是这种情况有点恼人,因为楼主至今还没有弄清楚问题出在什么地方,有时我感觉到提供的图纸在设计上本身就有很大的问题,又希望提供工艺方案,难!也很郁闷!抱歉我的心直口快。就针对这张图纸吧,不说图面的问题,首先在设计上就有问题,根本无法正确回答。

评分

参与人数 1三维币 +3 收起 理由
虎强 + 3 积极参与

查看全部评分

发表于 2009-5-5 16:44:59 | 显示全部楼层 来自: 中国浙江宁波

替赵元上传图片

替赵元上传图片
01.JPG

评分

参与人数 1三维币 +2 收起 理由
虎强 + 2 积极参与

查看全部评分

发表于 2009-5-5 16:50:33 | 显示全部楼层 来自: 中国浙江台州
我想,图纸的画法应该是这样的吧,抱歉没有标注尺寸,是因为时间关系。
发表于 2009-5-5 16:54:06 | 显示全部楼层 来自: 中国浙江宁波
是不是联轴器啊,好像在爱丽得空压机上见过这个东西,是个弹簧卡键式联轴器6 V/ w7 {7 g& E6 B; ?% e- f% g

# S, [" O% E% z% @[ 本帖最后由 niao_csu 于 2009-5-5 16:59 编辑 ]
发表于 2009-5-5 21:09:59 | 显示全部楼层 来自: 中国安徽淮北
看了大家的畅谈,真学到了不少,这款软件用过,就是用不好
 楼主| 发表于 2009-5-6 10:36:18 | 显示全部楼层 来自: 中国山东
谢谢各位高人指点!现在对这个东西有点感觉了。厚厚~
发表于 2009-5-7 21:55:00 | 显示全部楼层 来自: 中国安徽淮北
23#楼说的对,是联轴器。表达方法不正确,可能是实体转化过来吧
发表于 2009-5-8 00:42:29 | 显示全部楼层 来自: 中国天津
高人多啊
发表回复
您需要登录后才可以回帖 登录 | 注册

本版积分规则


Licensed Copyright © 2016-2020 http://www.3dportal.cn/ All Rights Reserved 京 ICP备13008828号

小黑屋|手机版|Archiver|三维网 ( 京ICP备2023026364号-1 )

快速回复 返回顶部 返回列表