QQ登录

只需一步,快速开始

登录 | 注册 | 找回密码

三维网

 找回密码
 注册

QQ登录

只需一步,快速开始

展开

通知     

查看: 1358|回复: 1
收起左侧

[已答复] 怎样解决机加工工艺上的余量分配的问题呢??

[复制链接]
发表于 2009-5-3 17:03:26 | 显示全部楼层 |阅读模式 来自: 中国广东广州

马上注册,结识高手,享用更多资源,轻松玩转三维网社区。

您需要 登录 才可以下载或查看,没有帐号?注册

x
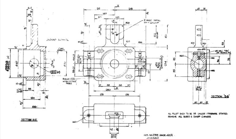
今天做了一个工艺,校对时总会出现加工不合理的现象,主要是留余量的问题,一边可以加工了,但另一边不能加工,或者给加工带来加工上的困难,唉》》》不知道怎样才能做好加工留余量的问题???大家可以帮帮忙解释一下吧,什么地方有这方面的教材呢??
# k5 f9 Y2 [% Q
( I: R+ L, m& P+ L) L3 K6 a7 {, U[ 本帖最后由 314212186 于 2009-5-3 17:26 编辑 ]
未命名.jpg
发表于 2009-5-3 20:24:47 | 显示全部楼层 来自: 中国上海
楼主图太小了,看不清,建议楼主上传原文件。% B3 b/ m# Z( f' F. D' i
楼主说的做工艺,是机加工工艺or铸造工艺?2 g: y8 b) M; T; L, w
加工面留加工余量一般是铸造工艺考虑的问题,和机加工有关系,但不是很大。
% D' d5 o8 s. u6 i2 t- B3 g0 c, R机加工时余量的分配一般情况下是不需要考虑的,除非铸造时余量留得较小或某个地方没有留,作为补救措施考虑的。
7 _* g3 r: S) B. {7 d铸造时留余量一是看零件的大小,二是看零件的精度要求、三是看铸造工艺,一般铸造时底、侧面留得小些,顶面留得大些。

评分

参与人数 1三维币 +2 收起 理由
xl.zhuo + 2 应助

查看全部评分

发表回复
您需要登录后才可以回帖 登录 | 注册

本版积分规则


Licensed Copyright © 2016-2020 http://www.3dportal.cn/ All Rights Reserved 京 ICP备13008828号

小黑屋|手机版|Archiver|三维网 ( 京ICP备2023026364号-1 )

快速回复 返回顶部 返回列表