QQ登录

只需一步,快速开始

登录 | 注册 | 找回密码

三维网

 找回密码
 注册

QQ登录

只需一步,快速开始

展开

通知     

查看: 12138|回复: 13
收起左侧

[已解决] 如何标注同心度

[复制链接]
发表于 2009-5-18 09:16:20 | 显示全部楼层 |阅读模式 来自: 中国广东东莞

马上注册,结识高手,享用更多资源,轻松玩转三维网社区。

您需要 登录 才可以下载或查看,没有帐号?注册

x
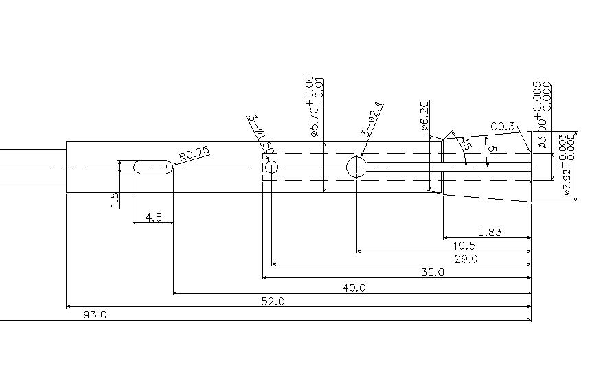
轴心Φ3的孔与整体的同心度 该怎么标注,要求同心度偏差为0.001MM' d3 Z4 v! m2 G4 J
/ s# f. ^8 i' W
[ 本帖最后由 kellen99 于 2009-5-18 10:51 编辑 ]
d.jpg
Model.jpg

MODEL.rar

196.69 KB, 下载次数: 7

头像被屏蔽
发表于 2009-5-18 09:22:49 | 显示全部楼层 来自: 中国辽宁丹东
提示: 作者被禁止或删除 内容自动屏蔽
头像被屏蔽
发表于 2009-5-18 09:29:33 | 显示全部楼层 来自: 中国辽宁丹东
提示: 作者被禁止或删除 内容自动屏蔽
 楼主| 发表于 2009-5-18 09:41:25 | 显示全部楼层 来自: 中国广东东莞

回复 2# CENBAOYI 的帖子

整体是指Φ5.7和与之相连Φ7.92
发表于 2009-5-18 09:47:10 | 显示全部楼层 来自: 中国江苏苏州
用一个复合基准,以Φ5.7和Φ7.92建两个基准A、B,然后标Φ3的同轴度,标的时候指定最大实体状态,如果还要考虑到测量的话就指定延伸公差带

评分

参与人数 1三维币 +2 收起 理由
天际孤帆 + 2 技术讨论

查看全部评分

发表于 2009-5-18 09:54:28 | 显示全部楼层 来自: 中国浙江宁波
;) ;) ;) 不怎么懂
 楼主| 发表于 2009-5-18 09:57:39 | 显示全部楼层 来自: 中国广东东莞

回复 5# mymould 的帖子

还是不太明白你说的,我上了个CAD图,麻烦你在我图上标注一下,谢谢
发表于 2009-5-18 09:58:27 | 显示全部楼层 来自: 中国山西太原
以Φ5.7的轴线为基准,设为基准A,分别标出φ3孔轴线的同轴度,和Φ7.92的同轴度就行了。Φ7.92也应被测要素较好,都以轴段为基准。图中未标表面粗糙度,尺寸公差取的不太合理,如锥度大径公差。/ S9 z5 Q" R* ?1 E6 p( C
这里应该叫同轴度,处于同一平面内圆可用同心度,即同心度是二维的,同轴度是三维的。" k" `. S& R1 w. }- K' K

9 Y4 I$ i0 Y; @+ _) p. f1 w) k[ 本帖最后由 gaoyns 于 2009-5-18 10:15 编辑 ]
同轴度标注.jpg

评分

参与人数 1三维币 +3 收起 理由
天际孤帆 + 3 诲人不倦。

查看全部评分

 楼主| 发表于 2009-5-18 10:20:17 | 显示全部楼层 来自: 中国广东东莞

回复 8# gaoyns 的帖子

谢谢!基本上明白了,锥度大径公差应怎么取
: V8 O# D: D1 I( a
  b+ a7 k- y' Q! O, B0 r9 e[ 本帖最后由 kellen99 于 2009-5-18 10:23 编辑 ]
发表于 2009-5-18 10:37:15 | 显示全部楼层 来自: 中国上海
楼主的是个啥东东啊?同轴度要求这么高?再说和你做基准的尺寸Φ5.7以及被测的Φ3、Φ7.92的尺寸公差也不相配啊,比尺寸公差还小,做得出来吗?

评分

参与人数 1三维币 +2 收起 理由
天际孤帆 + 2 鼓励提出疑问。

查看全部评分

 楼主| 发表于 2009-5-18 10:49:28 | 显示全部楼层 来自: 中国广东东莞

回复 10# pss0902 的帖子

高精密仪器上的,同轴度要求非常高,之前有做出来,没注意同轴度 所以没达到要求,基准Φ5.7精度要求不是很高,Φ3和Φ7.92要求很高
发表于 2009-5-18 10:51:52 | 显示全部楼层 来自: 中国黑龙江哈尔滨
这是什么东西啊,我觉得好像设计的不太合理。

评分

参与人数 1三维币 +3 收起 理由
天际孤帆 + 3 终于浮出水面奖励,^_^

查看全部评分

发表于 2009-5-18 18:43:22 | 显示全部楼层 来自: 中国上海
按楼主的要求,感觉基准应该是Φ3孔,用Φ7.92不现实,锥面肯定要研磨的,也就是以Φ3孔为基准研磨锥面和加工5.7的圆柱面。  u0 g( q3 l+ N& m0 V4 _
8 u* Q6 u# b8 r% I- ~
[ 本帖最后由 qykj0905 于 2009-5-18 18:45 编辑 ]

评分

参与人数 1三维币 +2 收起 理由
天际孤帆 + 2 技术讨论

查看全部评分

 楼主| 发表于 2009-5-19 15:43:37 | 显示全部楼层 来自: 中国广东东莞

回复 13# qykj0905 的帖子

你说得很有道理,以Φ3为基准来研磨锥度和Φ5.7  精度应该更好!
发表回复
您需要登录后才可以回帖 登录 | 注册

本版积分规则


Licensed Copyright © 2016-2020 http://www.3dportal.cn/ All Rights Reserved 京 ICP备13008828号

小黑屋|手机版|Archiver|三维网 ( 京ICP备2023026364号-1 )

快速回复 返回顶部 返回列表