QQ登录

只需一步,快速开始

登录 | 注册 | 找回密码

三维网

 找回密码
 注册

QQ登录

只需一步,快速开始

展开

通知     

查看: 1634|回复: 6
收起左侧

[已答复] SEW颠覆传统的电机计算功率

[复制链接]
头像被屏蔽
发表于 2009-5-18 14:17:37 | 显示全部楼层 |阅读模式 来自: 中国江苏无锡
提示: 作者被禁止或删除 内容自动屏蔽
发表于 2009-5-18 14:34:59 | 显示全部楼层 来自: 中国安徽合肥
我也想知道,学习等待中?
发表于 2009-5-18 17:40:22 | 显示全部楼层 来自: 中国广东深圳

回复 1# SHB680 的帖子

楼主在哪里弄的这个资料   能不能传过来   woshi20040001@163.com
1 K; u6 c6 w/ j$ t9 o( d- P# b4 b谢谢
发表于 2009-5-18 18:16:20 | 显示全部楼层 来自: 中国黑龙江哈尔滨
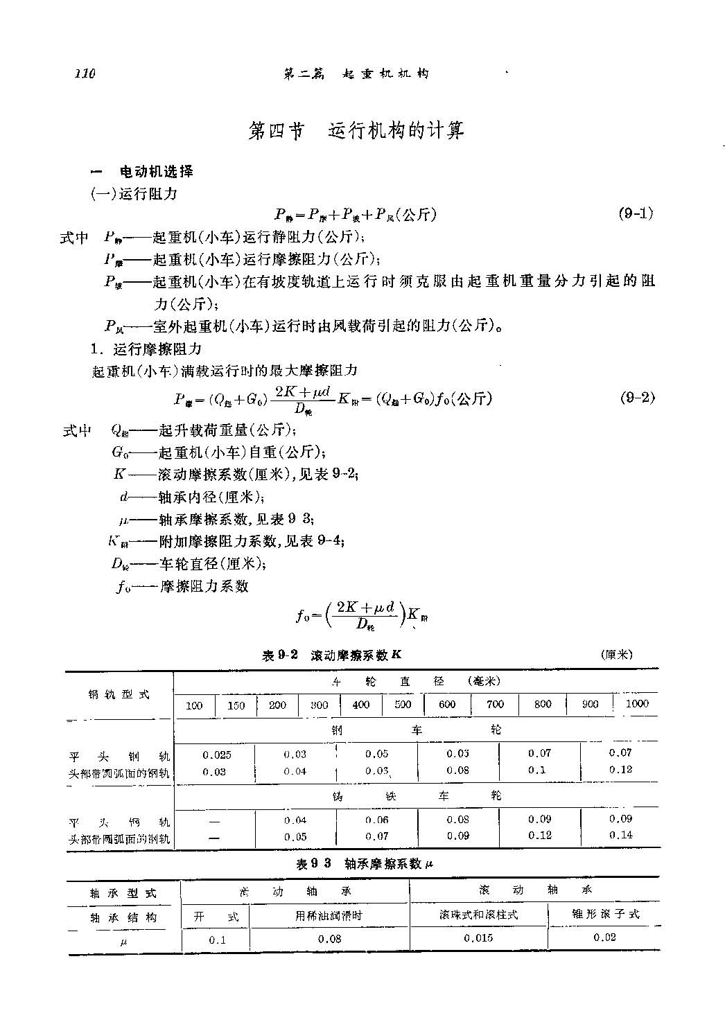
这是计算滚动摩擦阻力啊,很正常的公式。如果不明白可以看看《起重机设计手册》(机械工业80版)第110页公式9-2就明白了。
发表于 2009-5-18 18:19:32 | 显示全部楼层 来自: 中国黑龙江哈尔滨
这是我截的图,请参考
起重机设计手册(机械工业80版) 123.jpg
头像被屏蔽
 楼主| 发表于 2009-5-19 07:55:39 | 显示全部楼层 来自: 中国江苏无锡
提示: 作者被禁止或删除 内容自动屏蔽
头像被屏蔽
 楼主| 发表于 2009-5-20 07:48:15 | 显示全部楼层 来自: 中国江苏无锡
提示: 作者被禁止或删除 内容自动屏蔽
发表回复
您需要登录后才可以回帖 登录 | 注册

本版积分规则


Licensed Copyright © 2016-2020 http://www.3dportal.cn/ All Rights Reserved 京 ICP备13008828号

小黑屋|手机版|Archiver|三维网 ( 京ICP备2023026364号-1 )

快速回复 返回顶部 返回列表