QQ登录

只需一步,快速开始

登录 | 注册 | 找回密码

三维网

 找回密码
 注册

QQ登录

只需一步,快速开始

展开

通知     

全站
8天前
查看: 1732|回复: 7
收起左侧

[已解决] 请教一个小问题?

 关闭 [复制链接]
发表于 2009-5-19 15:07:46 | 显示全部楼层 |阅读模式 来自: 中国重庆

马上注册,结识高手,享用更多资源,轻松玩转三维网社区。

您需要 登录 才可以下载或查看,没有帐号?注册

x
我向大师们请教一个不是问题的问题?请大师们不吝指教!$ |" j. G! F8 p' H/ Q
如图所示:. z' u# o% P; c' p
红线框内的数字是什么意思?我是从电路图书上看到的,书上都没有说明,我想应该是一个不值得一提的小问题吧,可我愣是没看懂。% O/ E+ s# S1 \+ Y

1 ^- ]7 M/ R" n$ L1 ^[ 本帖最后由 无友 于 2009-5-22 12:01 编辑 ]
电路.png
发表于 2009-5-20 12:33:46 | 显示全部楼层 来自: 中国黑龙江哈尔滨
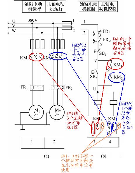
所示电路图用的是图区编号法。把电路图按纵向分区,然后,自左向右依次用数字对图区编号。
! u. ~! G# Q# i% Q# U: t为了人们读、识图时,方便查找各接触器/继电器触头的分布,在电路图中多使用以下方式进行标注。. f% u! B* b' V7 W: D
6 |) k0 Z! P" j4 a
接触器:
1 i) d: A8 g7 u8 @  d* @6 P在接触器线圈的文字符号KM下方用两条竖线划出三个栏,左栏、中栏和右栏。
+ v* B- A7 P9 h7 {/ ?/ @, s左栏示出各主触头所在图区;中栏示出各辅助常开触头所在图区;右栏示出辅助常闭触头所在图区。如果有触头在本电路中没有使用,可用×或空白表示。  A  e$ N% @, Y6 D4 U2 K

  _1 P3 v2 B5 x$ ]" K继电器:7 I: _! s: j/ F& o; B' y, r
因为继电器不存在主、辅触头之分,所以仅有一条竖线划出二个栏,左栏和右栏。
! B! U- O* H' g: h2 G% u/ g左栏示出各常开触头所在图区;右栏示出各常闭触头所在图区。如果有触头在本电路中没有使用,可用×或空白表示。
3 E, j& F' F3 O0 p* e
% i1 \4 y1 k+ \- V, t3 |1 k. e. f复制 LZ 给出图的一部分,并添加了相应的说明,以供参考。
& _8 j1 i. G+ O4 N
) A% Q; L8 Q5 Y/ y4 a( G* c% C4 z[ 本帖最后由 pangpang 于 2009-5-20 13:18 编辑 ]
图.JPG
发表于 2009-5-20 12:52:45 | 显示全部楼层 来自: 中国黑龙江哈尔滨
竖线左侧的一般是常开点,右侧的是常闭点
发表于 2009-5-20 16:26:46 | 显示全部楼层 来自: 中国湖北武汉
二楼的非常精彩!简单、明了!学习了。
发表于 2009-5-20 17:08:20 | 显示全部楼层 来自: 中国广东广州
就是常开或常毕开关。
发表于 2009-5-21 00:13:32 | 显示全部楼层 来自: 中国浙江宁波
二楼回答的很对呢 这种标法我在国外的图纸上也看到过
 楼主| 发表于 2009-5-22 01:55:12 | 显示全部楼层 来自: 中国重庆
感谢楼上各位大师的热情跟贴指教。0 Y# K! z5 K% ~! {/ o/ b+ t
特别感谢2楼大师费心的说明,很详细明了。
/ q* N* l5 q$ w$ J+ H如蒙不弃,很想与PangPang大师交个朋,手上正有一个案子,趁机向大师学习学习。
6 o, H: s  X/ |- C我的邮箱是437125767@QQ.com' b5 L  E" x. T/ J; R

+ ], _% e& W+ W4 a) P$ t[ 本帖最后由 无友 于 2009-5-22 11:23 编辑 ]
发表于 2009-5-22 11:58:12 | 显示全部楼层 来自: 中国福建厦门
二楼的确解释得很清楚了
发表回复
您需要登录后才可以回帖 登录 | 注册

本版积分规则


Licensed Copyright © 2016-2020 http://www.3dportal.cn/ All Rights Reserved 京 ICP备13008828号

小黑屋|手机版|Archiver|三维网 ( 京ICP备2023026364号-1 )

快速回复 返回顶部 返回列表