QQ登录

只需一步,快速开始

登录 | 注册 | 找回密码

三维网

 找回密码
 注册

QQ登录

只需一步,快速开始

展开

通知     

全站
8天前
查看: 5718|回复: 41
收起左侧

[已解决] 哪位大哥帮忙把这个刀片画出来,不胜感激!

[复制链接]
发表于 2009-5-20 12:46:45 | 显示全部楼层 |阅读模式 来自: 中国上海

马上注册,结识高手,享用更多资源,轻松玩转三维网社区。

您需要 登录 才可以下载或查看,没有帐号?注册

x
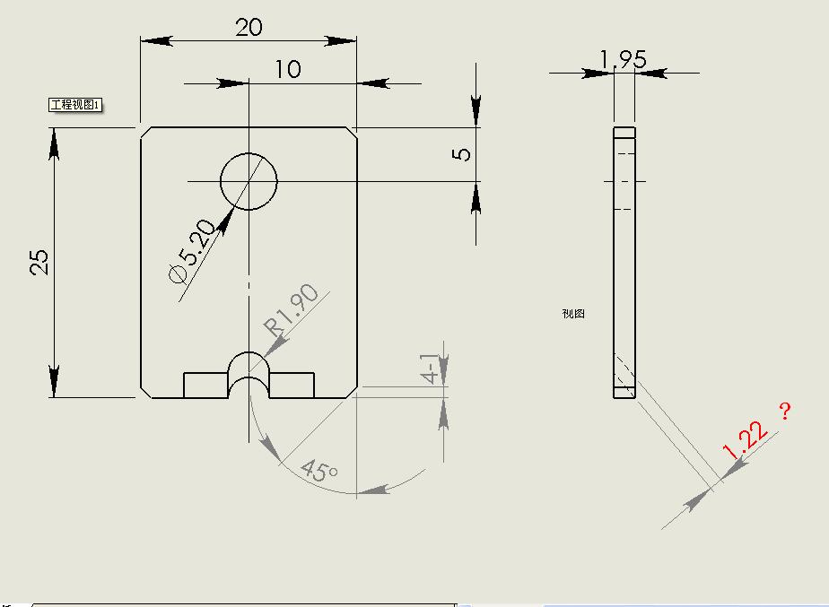
刚开始学习SOLIDWORKS。哪位大哥帮忙把这个刀片画出来,不胜感激!R1.9的圆圈切除搞不定,帮忙画下,我相信高手应该很简单的,耽误您5分钟时间,帮个忙,谢谢!" E# s- \/ X- x5 y4 K8 A9 u

% ], {( M$ R+ j* N  k  ~; P/ wjay8888@139.com! b5 c9 w; t: ]8 R
最好能把画好的文件发我看看,也学习下。

CS-3111-02_CUTTER-1____1.pdf

120.71 KB, 下载次数: 290

 楼主| 发表于 2009-5-20 12:58:32 | 显示全部楼层 来自: 中国上海
顶下,在线等,这个问题折磨我这个新手好几天了,搞不定。
发表于 2009-5-20 13:03:00 | 显示全部楼层 来自: 中国北京
建立一个基准面,再打孔即可
 楼主| 发表于 2009-5-20 13:05:09 | 显示全部楼层 来自: 中国上海
可是需要个40°的斜角,要个参照,就到这我画不出来了
发表于 2009-5-20 13:30:55 | 显示全部楼层 来自: 中国上海
楼主看看是不是这样的效果.
刀片.jpg

刀片.rar

42.95 KB, 下载次数: 72

评分

参与人数 1三维币 +2 收起 理由
ltq59 + 2 应助

查看全部评分

 楼主| 发表于 2009-5-20 13:39:01 | 显示全部楼层 来自: 中国上海
是的,就是这样,谢谢~!  我下载下来看看。
发表于 2009-5-20 14:13:10 | 显示全部楼层 来自: 中国安徽黄山

发给你了 你看看邮箱

发给你了 你看看邮箱
 楼主| 发表于 2009-5-20 14:33:32 | 显示全部楼层 来自: 中国上海
大哥,没有!但还是谢谢你  O(∩_∩)O~
发表于 2009-5-20 16:43:11 | 显示全部楼层 来自: 中国江苏南京
我也发个图上来。是用04画的,小弟刚学,请大家指教。
5 O# _$ l5 `. x8 V 刀片.rar (61.12 KB, 下载次数: 45)
发表于 2009-5-20 17:27:16 | 显示全部楼层 来自: 中国浙江杭州
做个基准面,然后旋转。
发表于 2009-5-20 17:49:50 | 显示全部楼层 来自: 中国北京
布图挺左的,看看是不是你要的样子。- t3 e* B9 T( d) @
9 T/ z* E  w) ?$ k# F. n
[ 本帖最后由 白辞 于 2009-5-20 17:51 编辑 ]

刀片.rar

539.31 KB, 下载次数: 18

发表于 2009-5-20 19:54:35 | 显示全部楼层 来自: 中国上海
用扫描切削做的
7 u( ^' {6 O  Y# F8 n# W+ o' e3 U" x0 X3 _
http://img.album.pchome.net/00/11/28/78/3dc8eb05b8307edb34704232576a9ab9.JPG

刀片.rar

76.63 KB, 下载次数: 16

发表于 2009-5-22 16:41:11 | 显示全部楼层 来自: 中国浙江杭州
增加一个辅助基面应该可以做出来
发表于 2009-5-22 16:50:14 | 显示全部楼层 来自: 中国安徽淮北
楼上确实说的对,增加辅助基面
发表于 2009-5-23 19:27:00 | 显示全部楼层 来自: 中国江苏常州

回复 14# lgp0204 的帖子

哦!知道了!呵呵!
发表于 2009-5-23 21:32:42 | 显示全部楼层 来自: 中国内蒙古赤峰
学习了,向高手学习
发表于 2009-6-2 00:44:03 | 显示全部楼层 来自: 中国广东广州
建好基准面直接切就可以了,还旋转什么啊。
发表于 2009-6-2 08:43:18 | 显示全部楼层 来自: 中国广东佛山

回复 5# pss0902 的帖子

你的圆弧式从参考基准面投射到零件表面的, 圆弧已经变形了,你再看看!( H, N2 z0 I; @
6 Z# j- `) x( t
, K+ Q) h& M8 ?# R# D/ t) M

3 v/ P- i( W' e0 B( x+ |+ G+ E( H我的效果:
# `: o' p+ \1 m  o2 L" B dao.JPG % K: }  i4 k. @/ o

6 ?! |# J/ c  \+ _% b仔细看,有一条拉伸构造线,就在中心线的旁边!
1 L2 K0 e% F1 p8 ^
. j. W9 w4 D# F) |要源文件的留言了。
* f  S, c8 }( r6 H! J' i- A# X
$ U5 \( Y  t, f' @. Z[ 本帖最后由 NUIXT 于 2009-6-2 08:59 编辑 ]
发表于 2009-6-2 09:25:23 | 显示全部楼层 来自: 中国北京
各位画完了最好转成工程图用智能尺寸标一下,符合楼主要求再在传上来。关键是R1.9的圆是否符合。不必拘泥于方法,达到目的为原则。这是机械工程师的宗旨。
发表于 2009-6-2 10:57:41 | 显示全部楼层 来自: 中国河北廊坊
Snap1.jpg Snap2.jpg 零件3.rar (66.61 KB, 下载次数: 8)
发表于 2009-6-2 11:19:31 | 显示全部楼层 来自: 中国湖北武汉
这个应该不难,不过本人太懒,又有这么多人做了,我就不献丑了。
发表于 2009-6-2 11:20:12 | 显示全部楼层 来自: 中国河北廊坊
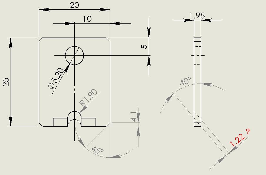
20楼是我画的,对不对
发表于 2009-6-2 11:45:57 | 显示全部楼层 来自: 中国北京

回复 22# gld123 的帖子

很好!& P5 ?8 W$ l8 F! g6 @/ A
左视图能不能不剖,1.26的尺寸标在虚线上试试。有个帖子就说这事。
发表于 2009-6-2 12:39:11 | 显示全部楼层 来自: 中国河北廊坊
Snap5.jpg
发表于 2009-6-2 14:10:27 | 显示全部楼层 来自: 中国广东佛山

回复 24# gld123 的帖子

为什么我做的两根虚线的距离是1.22呢。看来还是对题目没有吃透啊
- p" }" Q0 C$ n% X+ W% n da.JPG
( k+ a3 Z+ Z- V3 W  e( B# e) d4 v% N8 [5 s( n( I
[ 本帖最后由 NUIXT 于 2009-6-3 08:10 编辑 ]
da.JPG
发表回复
您需要登录后才可以回帖 登录 | 注册

本版积分规则


Licensed Copyright © 2016-2020 http://www.3dportal.cn/ All Rights Reserved 京 ICP备13008828号

小黑屋|手机版|Archiver|三维网 ( 京ICP备2023026364号-1 )

快速回复 返回顶部 返回列表