QQ登录

只需一步,快速开始

登录 | 注册 | 找回密码

三维网

 找回密码
 注册

QQ登录

只需一步,快速开始

展开

通知     

查看: 1704|回复: 1
收起左侧

[讨论] 消防栓下面得排水孔的用途

[复制链接]
发表于 2009-5-25 14:04:57 | 显示全部楼层 |阅读模式 来自: 中国浙江宁波

马上注册,结识高手,享用更多资源,轻松玩转三维网社区。

您需要 登录 才可以下载或查看,没有帐号?注册

x
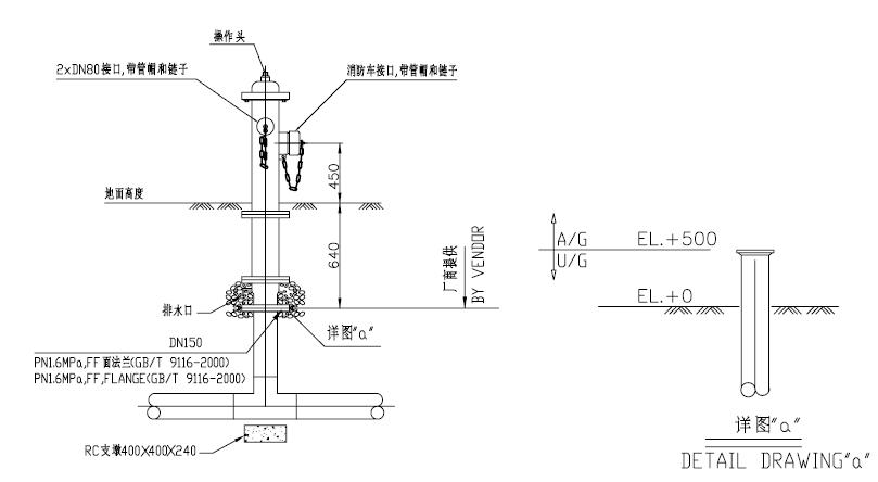
消防栓下面得排水孔的用途,如图
未命名.JPG
 楼主| 发表于 2009-5-25 14:06:55 | 显示全部楼层 来自: 中国浙江宁波
此排水孔位于地下。据消防专业人士介绍如果消防栓处于关的状态是不会出水的,如果是处于全开状态下也不会出水,但是出于半开状况下是有水出来的。那么这个排水孔的用途是什么呢?为什么要埋于地下呢?
发表回复
您需要登录后才可以回帖 登录 | 注册

本版积分规则


Licensed Copyright © 2016-2020 http://www.3dportal.cn/ All Rights Reserved 京 ICP备13008828号

小黑屋|手机版|Archiver|三维网 ( 京ICP备2023026364号-1 )

快速回复 返回顶部 返回列表