QQ登录

只需一步,快速开始

登录 | 注册 | 找回密码

三维网

 找回密码
 注册

QQ登录

只需一步,快速开始

展开

通知     

查看: 2668|回复: 22
收起左侧

[已答复] 某一轴的加工工艺问题?

[复制链接]
发表于 2009-5-27 21:24:14 | 显示全部楼层 |阅读模式 来自: 中国浙江温州

马上注册,结识高手,享用更多资源,轻松玩转三维网社区。

您需要 登录 才可以下载或查看,没有帐号?注册

x
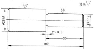
a、b两个问题如何回答?
截图00.jpg
截图01.jpg
发表于 2009-5-27 22:26:15 | 显示全部楼层 来自: 中国广东广州
第2种比较方便,因为数量比较少/可以减少更换设备的时间,
/ T, i4 `3 g  ?) y' _工序:. }5 u+ h' x' P9 L1 o  D6 |* G- ^5 K
    1车端面
  R/ ^, h2 b, X2 j" H+ ]3 r& e  W  2车外圆(粗车)28.5mm1 }! p9 j* p9 c6 \" K( r1 t
    3.车外圆(精车)28mm
9 L4 v1 i) i. ?5 X    4.倒角
, U- B( l. t$ O" z7 [    5.切槽" U% P- D: }( X  @! ~
  6.车外圆(粗车)16.5mm5 K- H6 s7 T; P, m6 C
    7.车外圆(精车)16mm; F- S0 Q3 Y/ P$ Z- r/ A
    8.车端面2 z4 b$ w# Z7 h* W3 c1 l
  9.倒角

评分

参与人数 1三维币 +1 收起 理由
xl.zhuo + 1 应助

查看全部评分

发表于 2009-5-27 23:31:22 | 显示全部楼层 来自: 中国吉林吉林市
这还用说 批量大要按第一种方案加工啊
头像被屏蔽
发表于 2009-5-28 09:08:45 | 显示全部楼层 来自: 中国辽宁丹东
提示: 作者被禁止或删除 内容自动屏蔽
发表于 2009-5-28 12:47:54 | 显示全部楼层 来自: 中国广东湛江
一次性车出来更快
发表于 2009-5-28 17:16:23 | 显示全部楼层 来自: 中国广东广州
一次车出两外圆和端面,再掉头车出另一端面。
发表于 2009-5-30 08:26:16 | 显示全部楼层 来自: 中国江苏苏州
注意:毛坯的长度是104mm,无法一次装卡加工,如无同轴度要求可掉个加工
发表于 2009-5-30 14:00:58 | 显示全部楼层 来自: 中国天津
一次加工成活太废料,不经济。还是第一种方法可取,质量的一致性,生产的连续性都较好!
发表于 2009-5-30 15:26:49 | 显示全部楼层 来自: 中国天津
既然是小批量加工,第一种方案还是会快些。一台车床加工质量也是有保证的。
发表于 2009-5-30 17:22:15 | 显示全部楼层 来自: 中国重庆
这种轴类零件,批量大的话,轧制28.2棒料,带锯床下料, 校直。 无心磨削大外圆.  仪表车床或普通机床上夹小端平端面, 数控车上夹大端车小端外圆,端面和槽。完工。
9 [# y/ a8 [' J0 |! m3 }% yOK8 N4 f8 ~0 W' @- x4 v- M
# m2 b5 l% ], B  j& S9 R% W  ?
[ 本帖最后由 飞天小猪 于 2009-5-30 17:26 编辑 ]
发表于 2009-5-31 09:09:02 | 显示全部楼层 来自: 中国黑龙江鸡西
1、车两端面、打两端中心孔。(看你的零件图,一般轴可以按标准加工A型中心孔做工艺基准)
. Y1 v3 I: }, e( `; u" }2、粗车两外圆均留0.5余量、倒角。
, c" Y8 R7 I; n- M% F1 p. R3、车空刀。
$ V0 R0 M8 A% u- m6 V" T4、顶起两端车大直径外圆。/ _1 d/ \! @; \1 P
5、顶起两端车小直径外圆。% _/ B5 W) p, r4 Y/ z- w: ]9 G
批量稍大一些零件分工步加工比较好,可减少辅助时间,提高效率。
发表于 2009-5-31 17:12:42 | 显示全部楼层 来自: 中国北京
就这两个比较来说还是分开好,定尺定刀加工效率高。如果有同轴度要求,则应一次加工到位。
发表于 2009-5-31 17:48:50 | 显示全部楼层 来自: 中国北京
a方案的加工同轴度远高于b方案。a方案一道工序出成品。b方案是两道工序。根据你图中所标注的尺寸精度应该有同轴度或平行度要求。
: I. |8 I0 v& x% h1 t4 a+ M$ M6 s) ^$ P, z7 t- J" R9 N
[ 本帖最后由 hhq426 于 2009-6-1 20:30 编辑 ]
发表于 2009-5-31 19:04:38 | 显示全部楼层 来自: 中国广东东莞
大批量就用地二种,可以减少辅助时间
, G1 \! I* }4 n# D# g4 W) Y如果同轴度要求高的话就用地二种
: E# h& s4 s7 U3 y. \; `, u看你的目的是什么
 楼主| 发表于 2009-6-6 15:45:18 | 显示全部楼层 来自: 中国浙江温州
两种方案的同轴度应该一样的,都不是一刀下啊。怎么楼上的几位都说到同轴度了呢?
发表于 2009-6-6 16:00:24 | 显示全部楼层 来自: 中国河北廊坊
采用第一种方案较好,下料长度是104,零件成品尺寸是100,一次车成无法装夹,采用第一种方案可以减少辅助时间,提高工作效率.
发表于 2009-6-6 23:16:11 | 显示全部楼层 来自: 中国江西九江
第一种方案比第二种方案效率要高,不仅减少了辅助时间。5 x2 O6 J2 Q9 t4 A
且每个工步只需要完成一种尺寸要求,尺寸也好控制。
发表于 2009-6-7 08:31:00 | 显示全部楼层 来自: 中国吉林长春
其实这个产品很简单,但是需要注意的是:
0 _3 ~3 n2 ^2 M' Y. T; f
9 v( B8 y  H+ I4 B, _) n3 p1、资源状况,即可以用的设备是数控的还是普通设备,(普通设备的精度达不到该种精度要求)。8 B+ N1 a! A4 [) n, |- v4 R" y- u# p' r; b$ m
2、零件是否可以增加中心孔。
% G  J/ p4 @5 M+ h3、如果采用一台设备分别车两端,需要更换或者修正夹具。
发表于 2009-6-7 09:06:04 | 显示全部楼层 来自: 中国江西南昌
可以根据具体的要求,选用工艺,另外比较重要的,是你准备加工的设备,精度高的设备,技术要求就更容易保证。
发表于 2010-4-10 20:26:13 | 显示全部楼层 来自: 中国浙江台州
学习了,我也是做工艺的,千变万化啊
发表于 2010-4-11 22:37:12 | 显示全部楼层 来自: 中国上海
同心度角度来讲我觉得两个没什么区别,同一台车床都是两次装夹  Q# I; G2 J5 t% H' ]( Q( h
时间效率角度来说第一种比较快
发表于 2010-4-12 20:25:51 | 显示全部楼层 来自: 中国江苏无锡
其实最经济的应该是留0.3余量,然后磨削.(7级精度一般普通车床就不经济了,数控车的话也需分粗精车,所以磨削是最经济的)
发表于 2010-4-13 15:10:39 | 显示全部楼层 来自: 中国山西太原
别讨论一次车成,毛坯余量不够。选a,效率较高
发表回复
您需要登录后才可以回帖 登录 | 注册

本版积分规则


Licensed Copyright © 2016-2020 http://www.3dportal.cn/ All Rights Reserved 京 ICP备13008828号

小黑屋|手机版|Archiver|三维网 ( 京ICP备2023026364号-1 )

快速回复 返回顶部 返回列表