QQ登录

只需一步,快速开始

登录 | 注册 | 找回密码

三维网

 找回密码
 注册

QQ登录

只需一步,快速开始

展开

通知     

全站
9天前
查看: 1555|回复: 2
收起左侧

[求助] 跪求!!!!二级行星减速器 两级Np=3的

[复制链接]
发表于 2009-5-28 11:04:40 | 显示全部楼层 |阅读模式 来自: 中国安徽淮南

马上注册,结识高手,享用更多资源,轻松玩转三维网社区。

您需要 登录 才可以下载或查看,没有帐号?注册

x
哪位好心的大侠有二级NGW行星减速器的装配图啊???我真的好急,过几天就要答辩了 ,我以前没好好学习,现在一点都不会画,求求你们了 ,给我发一个简单的救急,一辈子都感激不尽!!!!!!!    我知道这样做不好,但我真的没有办法啊 ;) ;) (二级的,不是前几位大侠发的三级的)   我的邮箱:lililin1987@163.com    真心的恳求!!!;) ;) ;)
9 a% M: B9 n0 y! N
: o7 c( E6 I* B1 I' V# p( L4 R[ 本帖最后由 lililin87 于 2009-5-28 11:16 编辑 ]
发表于 2009-5-28 11:53:17 | 显示全部楼层 来自: 中国上海
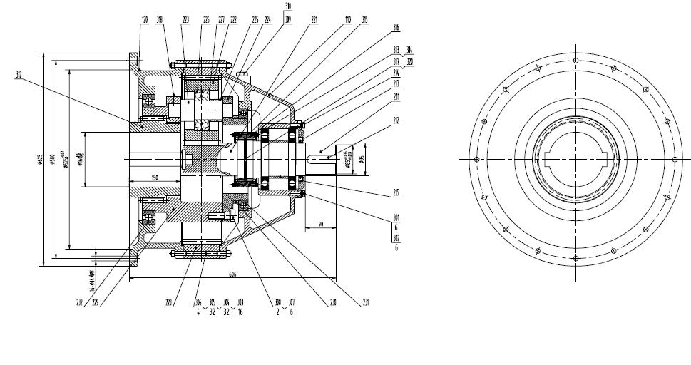
行星减速器
1.JPG
 楼主| 发表于 2009-5-29 14:16:56 | 显示全部楼层 来自: 中国安徽淮南

回复 2# tnt201 的帖子

有没有二级的啊??
发表回复
您需要登录后才可以回帖 登录 | 注册

本版积分规则


Licensed Copyright © 2016-2020 http://www.3dportal.cn/ All Rights Reserved 京 ICP备13008828号

小黑屋|手机版|Archiver|三维网 ( 京ICP备2023026364号-1 )

快速回复 返回顶部 返回列表