QQ登录

只需一步,快速开始

登录 | 注册 | 找回密码

三维网

 找回密码
 注册

QQ登录

只需一步,快速开始

展开

通知     

全站
2天前
查看: 1371|回复: 6
收起左侧

[求助] 有个图不会表达求助各位大侠

[复制链接]
发表于 2009-5-28 16:49:20 | 显示全部楼层 |阅读模式 来自: 中国山东枣庄

马上注册,结识高手,享用更多资源,轻松玩转三维网社区。

您需要 登录 才可以下载或查看,没有帐号?注册

x
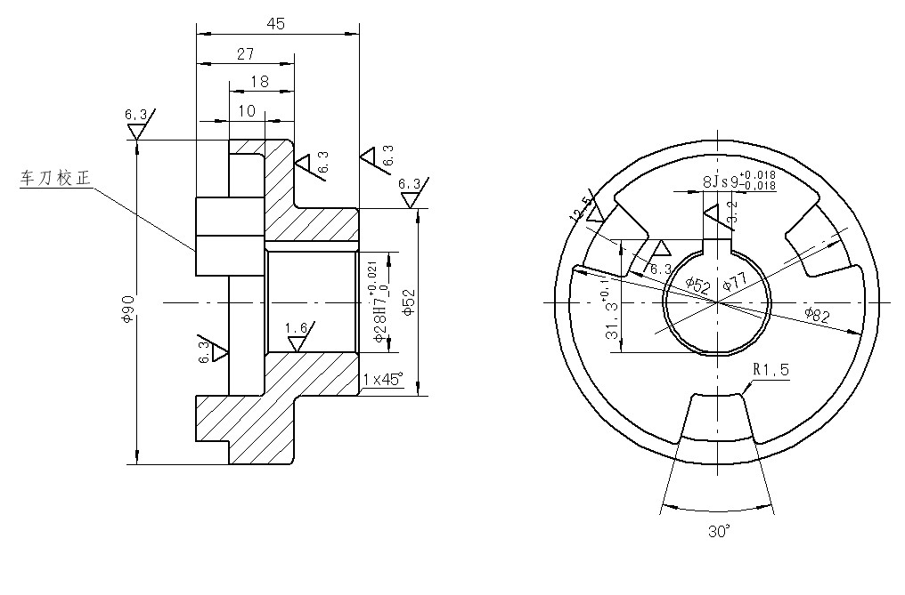
我有个图不会表达求助各位大侠教教。我想画个联轴器,犬牙交错哪种,画一半不会表达了,求大侠指导。谢谢! 未命名.JPG
发表于 2009-5-28 18:02:49 | 显示全部楼层 来自: 中国河南安阳
可以使用旋转剖吗
发表于 2009-5-28 18:11:22 | 显示全部楼层 来自: 中国江苏盐城
楼主可以再画一个按外径尺寸展开的展开图啊。
发表于 2009-5-28 19:11:21 | 显示全部楼层 来自: 中国黑龙江哈尔滨
为表示清楚,主视图的线该断开一定要断开,使用旋转剖视,然后完全标注一处尺寸,并注出几处
发表于 2009-5-29 13:53:56 | 显示全部楼层 来自: 中国辽宁营口
"犬牙交错哪种"?是牙嵌离合器吧
发表于 2009-5-29 14:43:25 | 显示全部楼层 来自: 中国广西崇左
有点像三爪联轴器
0529.jpg
 楼主| 发表于 2009-5-29 16:38:12 | 显示全部楼层 来自: 中国山东枣庄
谢谢各位,我明白点了,我要好好修改下,谢谢指导。
发表回复
您需要登录后才可以回帖 登录 | 注册

本版积分规则

Licensed Copyright © 2016-2020 http://www.3dportal.cn/ All Rights Reserved 京 ICP备13008828号

小黑屋|手机版|Archiver|三维网 ( 京ICP备2023026364号-1 )

快速回复 返回顶部 返回列表