QQ登录

只需一步,快速开始

登录 | 注册 | 找回密码

三维网

 找回密码
 注册

QQ登录

只需一步,快速开始

展开

通知     

查看: 1331|回复: 6
收起左侧

[讨论] 关于差速问题

[复制链接]
发表于 2009-5-29 08:02:36 | 显示全部楼层 |阅读模式 来自: 中国江苏连云港

马上注册,结识高手,享用更多资源,轻松玩转三维网社区。

您需要 登录 才可以下载或查看,没有帐号?注册

x
一台萨奥90的闭式泵与四个定量马达组成闭式系统回路,四个马达是并联状态,假如有一台马达在行走过程中出现打滑现象,这个时候这个车子是不能行走的,请问大家有什么好的方法,可以消除或者减弱这种情况下,马达的差速问题。
发表于 2009-5-29 08:47:09 | 显示全部楼层 来自: 中国河南安阳
可以用一分四的差速锁了,正常位置时是并联的,一旦打滑可以通过控制进出差速状态
 楼主| 发表于 2009-5-29 12:43:08 | 显示全部楼层 来自: 中国江苏连云港

回复 2# cnyang98 的帖子

先谢谢啦,请问有相应的样本资料吗,我们现在要通过液压的方法解决,不允许用电器方面的东西,你说的1分4的差速锁,是不是跟分流马达类似?
发表于 2009-5-29 23:14:49 | 显示全部楼层 来自: 中国河南许昌
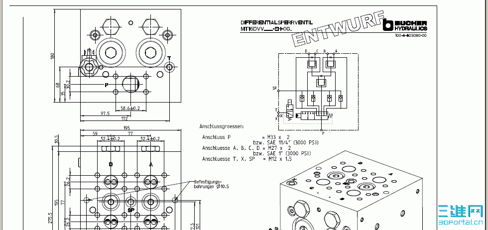
布赫液压的,你可以直接和他们联系http://file:///f://11.gif
2 l& T9 T0 q0 i也可以去网站上查找www.bucherhydraulics.com& b9 m/ I# S8 E0 Y5 ]/ P* Q4 g& n

3 V% Q# ~9 m7 u4 G* B[ 本帖最后由 cnyang98 于 2009-5-29 23:21 编辑 ]
11.gif

MT16DVV - 100-4-403080-P01-00.pdf

143.95 KB, 下载次数: 6

发表于 2009-5-30 00:31:02 | 显示全部楼层 来自: 中国北京
还有就是用三个 分流集流阀
 楼主| 发表于 2009-5-30 11:41:44 | 显示全部楼层 来自: 中国江苏连云港

回复 5# dayang9748 的帖子

分流集流阀,我们也考虑过,压力和流量方面不容易满足要求。
 楼主| 发表于 2009-5-30 11:45:18 | 显示全部楼层 来自: 中国江苏连云港

回复 4# cnyang98 的帖子

可以帮我分析一下工作状况下油路的状态吗?
发表回复
您需要登录后才可以回帖 登录 | 注册

本版积分规则


Licensed Copyright © 2016-2020 http://www.3dportal.cn/ All Rights Reserved 京 ICP备13008828号

小黑屋|手机版|Archiver|三维网 ( 京ICP备2023026364号-1 )

快速回复 返回顶部 返回列表