QQ登录

只需一步,快速开始

登录 | 注册 | 找回密码

三维网

 找回密码
 注册

QQ登录

只需一步,快速开始

展开

通知     

全站
5天前
查看: 1442|回复: 1
收起左侧

[求助] ZG35Mn中频淬火金相图及材料问题

[复制链接]
发表于 2009-6-2 09:23:44 | 显示全部楼层 |阅读模式 来自: 中国福建泉州

马上注册,结识高手,享用更多资源,轻松玩转三维网社区。

您需要 登录 才可以下载或查看,没有帐号?注册

x
ZG35Mn中频淬火金相图及材料问题。
7 O3 H! I- q, q. z7 i5 Y工程机械驱动轮,铸钢件,材质:ZG35Mn,使用一段时间后,断为5截。
& m# C; p& I& B* J1 U: X" g经检验和化验:' F# _7 c- R6 Z  U6 O! d
1,成分:C0.39     Mn1.47    Si0.37     P0.037     S0.015. c- X% e9 i% y! N
腐蚀前的显微图片:根据观察腐蚀前的图片,上面的黑点是否表明材质有严重问题?
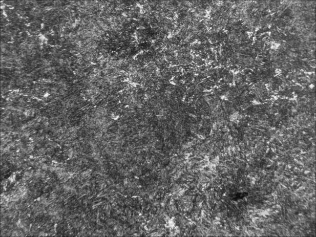
1 W* U& p0 x6 i0 K+ @  q1 p腐蚀后的马氏体图片:' ^0 j4 O0 g, @! M' v( B$ d/ q! m
另外,硬化层有过深的现象。
8 L* j5 [. g) ?9 H$ B. u请专家予以指导,发表观点,指教指教。
100倍 腐蚀前.jpg
400倍 腐蚀前.jpg
调整大小 200倍 马氏体+少量铁素体.jpg
发表于 2009-6-2 10:29:05 | 显示全部楼层 来自: 中国北京
曾经经历过相似现象,凸轮表面高频淬火后出现剥落现象,金相分析发现原材质中出现很多黑色斑点,扫描电镜和能谱分析这些黑色斑点为氧化物夹杂,与铸造时的保护渣成分近似,所以应该是卷渣导致的组织缺陷。
发表回复
您需要登录后才可以回帖 登录 | 注册

本版积分规则

Licensed Copyright © 2016-2020 http://www.3dportal.cn/ All Rights Reserved 京 ICP备13008828号

小黑屋|手机版|Archiver|三维网 ( 京ICP备2023026364号-1 )

快速回复 返回顶部 返回列表