QQ登录

只需一步,快速开始

登录 | 注册 | 找回密码

三维网

 找回密码
 注册

QQ登录

只需一步,快速开始

展开

通知     

全站
4天前
查看: 5854|回复: 27
收起左侧

[练习题] 『1004』法兰1

[复制链接]
发表于 2009-6-14 13:33:53 | 显示全部楼层 |阅读模式 来自: 中国山东济南

马上注册,结识高手,享用更多资源,轻松玩转三维网社区。

您需要 登录 才可以下载或查看,没有帐号?注册

x
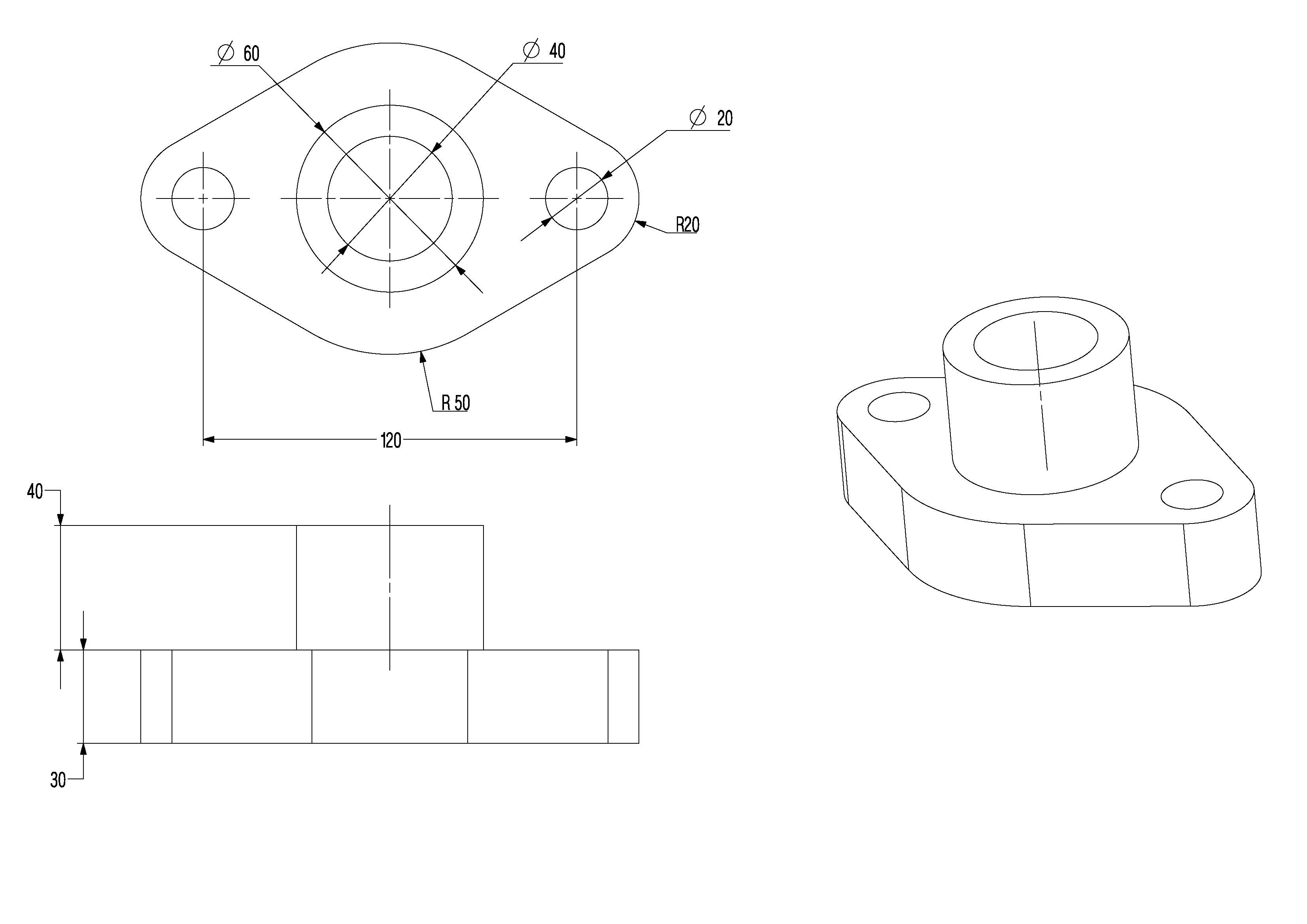
根据附图所示的尺寸作出物体的实体造型【3分】
( }( U  F. T. T$ y4 R2 Y额外加分:
+ K; `, U9 k6 g" y7 N7 R" X
  • 三维立体标注【1分】
  • 出工程图(必要的视图+等轴测或斜轴测视图),仅标尺寸【3分】
. l& G( _& u3 u6 a# h& f! `. _
要求:详情请见【NX 练习题 管理规定
, O4 z0 \+ f7 Y$ K0 N! d    1.上传练习时,需要包涵Part文档和附图,附图内容包涵:①NX版本;②完整特征树;③练习文件抓图。3 k( H& \- Y. n" m& m! D
    2.针对符合做题要求跟帖练习情况,给予4~6三维币的奖励,可稍有突破此限制,做错的不予奖励。先参与的会员给予上限的加分奖励。思路不同的做法,请在回复标题中注明,仍按上限给予加分。
" ?( y* I, ?, `' ]- x    3.发布时间超过15天(或超过版主规定的时间)的练习题,结束该练习题练习。此后所做的练习给予0~2三维币的加分(不是非常简单的都加2分)。

" ~' }9 T: [- y. M1 l8 k 001.jpg
发表于 2009-6-14 20:55:15 | 显示全部楼层 来自: 中国河南洛阳

抛砖引玉。。

ug6.0,打个头炮,大家继续。多多练习。( r& X# O" g7 U. U( S/ ~: n& n
# H7 K2 o2 L$ N, V+ \8 e+ M
[ 本帖最后由 chaizhonglong 于 2009-6-15 08:23 编辑 ]
1.JPG
2.JPG

model1.rar

86.5 KB, 下载次数: 10

评分

参与人数 1三维币 +6 收起 理由
astrokylin + 6 三维图+工程图

查看全部评分

发表于 2009-6-15 09:43:58 | 显示全部楼层 来自: 中国浙江台州
坐板凳。5 j; C' c- N' ~7 z' P' R% D
做了一个。
9 U; y# ?+ S2 Q( z8 i6。0& B: ~' W" T, |7 L* h) l5 Q, G

8 l# V, W9 O2 D4 F( @" l[ 本帖最后由 2L682 于 2009-6-15 09:45 编辑 ]
q1.JPG
q2.JPG

model1.rar

76.15 KB, 下载次数: 9

评分

参与人数 1三维币 +6 收起 理由
astrokylin + 6 三维图+工程图

查看全部评分

发表于 2009-6-15 09:50:00 | 显示全部楼层 来自: 中国浙江台州
我也来一个。6 S0 {& c$ X' @9 ^3 n
6。0
1.JPG
2.jpg

x.rar

76.09 KB, 下载次数: 9

评分

参与人数 1三维币 +6 收起 理由
astrokylin + 6 三维图+工程图

查看全部评分

发表于 2009-6-15 10:31:06 | 显示全部楼层 来自: 中国福建三明
NX 6.0( }1 S* ^1 R7 |' d
( f! S( b- h. n4 X: t1 Z
上班时间不让玩这些。。。这么多题里面就这个简单,就画这个了。。。。
! ]4 m2 z' }; K
/ L+ l5 V5 F, v, X; s[ 本帖最后由 uuiioo1233 于 2009-6-15 10:35 编辑 ]
111.JPG
1.JPG

model111.rar

90.73 KB, 下载次数: 6

评分

参与人数 1三维币 +7 收起 理由
astrokylin + 7 三维图+工程图+立体标注

查看全部评分

发表于 2009-6-15 12:18:55 | 显示全部楼层 来自: 中国北京
UG 6.0! Q- `/ |/ q% l+ K+ i# ]/ o# K
怎么法兰中间不是通的么?( L+ H* S+ J' Q: D
未命名.JPG
" \0 z: A7 _3 Y 未命名1.JPG
7 G" P) l6 r3 m) E1 e6 B1 j' N7 C9 l. a) D9 e8 n+ B5 k
[ 本帖最后由 driver 于 2009-6-15 12:20 编辑 ]

falan.rar

97.2 KB, 下载次数: 4

评分

参与人数 1三维币 +6 收起 理由
astrokylin + 6 三维图+工程图

查看全部评分

发表于 2009-6-15 13:42:33 | 显示全部楼层 来自: 中国浙江

NX6.0

再来一个NX6的! u2 E9 _/ Q% I3 s$ l7 g

" K' E& C$ I/ q8 p[ 本帖最后由 mjz2007 于 2009-6-15 14:01 编辑 ]
1004.jpg
1004-1.jpg

1004.rar

197.61 KB, 下载次数: 2

评分

参与人数 1三维币 +6 收起 理由
astrokylin + 6 三维图+工程图

查看全部评分

发表于 2009-6-15 20:18:33 | 显示全部楼层 来自: 中国山东
UG4.0
" g$ k3 N' E. r: X fanlan1.jpg
& I6 k+ I8 o7 ~( \' I falan2.jpg 6 o4 g3 b& w! ~1 ]
falan-gongchengtu.jpg ; V0 C8 d9 J# W7 O- Y
fanlan.rar (52.89 KB, 下载次数: 6)

评分

参与人数 1三维币 +7 收起 理由
astrokylin + 7 草图全约束了

查看全部评分

发表于 2009-6-16 10:20:31 | 显示全部楼层 来自: 中国江苏苏州

UG5.0

草图,拉伸!笨方法了!3 H9 X' P6 W* N" C9 o4 \" x
( c9 }# p) r( @! P% \' B! c5 y
[ 本帖最后由 astrokylin 于 2009-6-16 11:06 编辑 ]
3.gif
2.gif

6.16-3.rar

224.88 KB, 下载次数: 3

评分

参与人数 1三维币 +6 收起 理由
astrokylin + 6 为了大家学习交流,暂时不要加权限了!

查看全部评分

发表于 2009-6-16 13:34:57 | 显示全部楼层 来自: 中国上海
解决了图片问题,重新灌水!哈哈
lianxi1.jpg
数模标注.JPG

model1.rar

116.72 KB, 下载次数: 6

评分

参与人数 1三维币 +7 收起 理由
astrokylin + 7 三维图+工程图+立体标注

查看全部评分

发表于 2009-6-17 11:07:51 | 显示全部楼层 来自: 中国山东青岛
ug4.0希望有多多的练习。, D" r% U% q. C  u4 B

6 v# M, _& S+ O  i2 ~[ 本帖最后由 astrokylin 于 2009-6-17 11:28 编辑 ]
02.jpg
01.jpg

dsfg-87.rar

46.39 KB, 下载次数: 3

评分

参与人数 1三维币 +6 收起 理由
astrokylin + 6 参与练习

查看全部评分

发表于 2009-6-17 13:42:06 | 显示全部楼层 来自: 中国浙江台州
比较简单的,我喜欢
kkl.JPG
33.JPG

kkk.rar

46.04 KB, 下载次数: 3

评分

参与人数 1三维币 +6 收起 理由
astrokylin + 6 参与练习

查看全部评分

发表于 2009-6-17 14:11:39 | 显示全部楼层 来自: 中国台湾
再作一個,有點像慣用右手的人用左手繪圖!
8 @2 T5 m, B* m* I$ c2 a2 H* ?5 F/ j7 c6 [( r+ ?3 e# X
[ 本帖最后由 kevin_pcac 于 2009-6-17 14:14 编辑 ]
2009-6-17 下午 01-21-44.png
2009-6-17 下午 01-57-21.png

FRANG2.rar

167.64 KB, 下载次数: 3

评分

参与人数 1三维币 +6 收起 理由
astrokylin + 6 三维软件都差不多的:)

查看全部评分

发表于 2009-6-17 14:36:53 | 显示全部楼层 来自: 中国广东佛山
我来做做。。。。。。。。。。。。。。。。。。。。。。
6.jpg
62.jpg

评分

参与人数 1三维币 +6 收起 理由
astrokylin + 6 参与练习!

查看全部评分

发表于 2009-6-17 15:38:18 | 显示全部楼层 来自: 中国陕西西安
试做简单题,刚开始学UG,不太适应,请多关照6.0的
* K0 p* g, K+ j" \+ K3 j/ C' C  q5 W+ [5 j$ @3 E) K+ h
[ 本帖最后由 king9353 于 2009-6-17 15:39 编辑 ]
001.jpg
002.jpg

model1.rar

48.63 KB, 下载次数: 3

评分

参与人数 1三维币 +6 收起 理由
astrokylin + 6 参与练习!

查看全部评分

发表于 2009-6-17 16:39:12 | 显示全部楼层 来自: 中国浙江衢州

来一个,赚的银子

1.jpg 1004.jpg 1004.rar (38.24 KB, 下载次数: 3)

评分

参与人数 1三维币 +6 收起 理由
astrokylin + 6 参与练习

查看全部评分

发表于 2009-6-17 18:49:51 | 显示全部楼层 来自: 中国浙江宁波
我用的是UG2.0 诶。2 S& H% e  L, x$ q3 e" n
1.jpg.jpg 2.jpg.jpg

falan.rar

71.17 KB, 下载次数: 3

评分

参与人数 1三维币 +6 收起 理由
astrokylin + 6 用2.0的都是高手

查看全部评分

发表于 2009-6-17 20:48:08 | 显示全部楼层 来自: 中国浙江台州
NX 6: e* z6 h$ r; z$ Y

& _/ f" D9 @( ~8 Y5 `; x$ h' v0 v+ K0 M5 E: U* }- P8 t
我也来练练
! K: V! _( H6 N& H- Q- V; c0 _* f) w. I$ W
[ 本帖最后由 1016zz 于 2009-6-17 21:23 编辑 ]
2009-06-17_203659.png

model2.rar

90.8 KB, 下载次数: 3

评分

参与人数 1三维币 +7 收起 理由
astrokylin + 7 三维图+工程图+立体标注

查看全部评分

发表于 2009-6-17 23:02:54 | 显示全部楼层 来自: 中国北京
挣点银子,实体加工程图(特点:只有二个拉伸)
3 l1 o6 F$ M9 ~! ]" L. T& S. s- ^  P; w, t( j
[ 本帖最后由 xcrxxc 于 2009-6-17 23:47 编辑 ]
1004.jpg
1004工程图.jpg

1004.rar

95.1 KB, 下载次数: 1

评分

参与人数 1三维币 +6 收起 理由
astrokylin + 6 参与练习

查看全部评分

发表于 2009-6-19 15:23:27 | 显示全部楼层 来自: 中国四川南充
NX6
1004建模.JPG
1004制图.JPG

1004.rar

99.97 KB, 下载次数: 3

评分

参与人数 1三维币 +6 收起 理由
astrokylin + 6 练习

查看全部评分

发表于 2009-6-19 18:05:48 | 显示全部楼层 来自: 中国重庆
Q截图未命名.jpg 41.jpg QQ截图未命名.jpg 1 e  x4 e7 C0 ]0 r1 C+ \
: [+ T, C' y/ _7 N# U
[ 本帖最后由 ws714445258 于 2009-6-19 18:12 编辑 ]

4.rar

82.41 KB, 下载次数: 3

评分

参与人数 1三维币 +6 收起 理由
astrokylin + 6 练习

查看全部评分

发表于 2009-6-22 17:57:17 | 显示全部楼层 来自: 中国山西太原
用NX4作了一个。
1004_1.jpg
1004_2.jpg

1004.rar

99.87 KB, 下载次数: 3

评分

参与人数 1三维币 +6 收起 理由
astrokylin + 6 练习

查看全部评分

发表于 2009-6-22 20:03:46 | 显示全部楼层 来自: 中国山东济南

凑个热闹

练习练习。 :loveliness:
三维模型.jpg
立体尺寸.jpg
工程图.jpg

shumo.rar

77.15 KB, 下载次数: 1

评分

参与人数 1三维币 +7 收起 理由
astrokylin + 7 三维图+立体标注+工程图

查看全部评分

发表于 2009-7-31 01:08:32 | 显示全部楼层 来自: 中国广东韶关
nx6.0做的,练习下
截图00.png
截图01.png

1004.rar

76.26 KB, 下载次数: 1

评分

参与人数 1三维币 +2 收起 理由
astrokylin + 2 练习

查看全部评分

发表于 2009-7-31 08:44:26 | 显示全部楼层 来自: 中国浙江台州
2009-07-31_081342.jpg

1.rar

169.11 KB, 下载次数: 4

评分

参与人数 1三维币 +2 收起 理由
astrokylin + 2 练习

查看全部评分

发表回复
您需要登录后才可以回帖 登录 | 注册

本版积分规则

Licensed Copyright © 2016-2020 http://www.3dportal.cn/ All Rights Reserved 京 ICP备13008828号

小黑屋|手机版|Archiver|三维网 ( 京ICP备2023026364号-1 )

快速回复 返回顶部 返回列表