QQ登录

只需一步,快速开始

登录 | 注册 | 找回密码

三维网

 找回密码
 注册

QQ登录

只需一步,快速开始

展开

通知     

查看: 3042|回复: 18
收起左侧

[练习题] 『1001』简单实体建模,多多参与

[复制链接]
发表于 2009-6-14 17:12:58 | 显示全部楼层 |阅读模式 来自: 中国吉林长春

马上注册,结识高手,享用更多资源,轻松玩转三维网社区。

您需要 登录 才可以下载或查看,没有帐号?注册

x
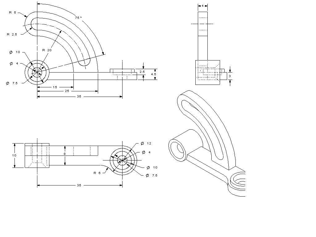
根据附图所示的尺寸作出物体的实体造型【3分】
, B  Y7 ^* Q  ~5 p额外加分:5 d6 a9 [& \2 v  i# C" R  j. S, t
  • 出工程图(必要的视图+等轴测或斜轴测视图),仅标尺寸【3分】
! A* H" n! M; N0 L- H0 E; x& K7 ^- o3 h
要求:详情请见【NX 练习题 管理规定
% \, {. B( j5 Q) s. d3 `$ e    1.上传练习时,需要包涵Part文档和附图,附图内容包涵:①NX版本;②完整特征树;③练习文件抓图。
; [5 [5 X% Z& l8 N. _    2.针对符合做题要求跟帖练习情况,给予4~6三维币的奖励,可稍有突破此限制,做错的不予奖励。先参与的会员给予上限的加分奖励。思路不同的做法,请在回复标题中注明,仍按上限给予加分。
% Q  b" W, l+ Y0 E    3.发布时间超过15天(或超过版主规定的时间)的练习题,结束该练习题练习。此后所做的练习给予0~2三维币的加分(不是非常简单的都加2分)。
2 Z" F) c; L: k8 a8 c
未命名.JPG

评分

参与人数 1三维币 +6 收起 理由
astrokylin + 6 采纳!

查看全部评分

发表于 2009-6-14 18:49:44 | 显示全部楼层 来自: 中国广东广州
:) :handshake

评分

参与人数 1三维币 -20 收起 理由
astrokylin -20 灌水

查看全部评分

发表于 2009-6-14 19:50:54 | 显示全部楼层 来自: 中国福建福州
好经典谢谢

评分

参与人数 1三维币 -20 收起 理由
astrokylin -20 灌水!已明确告知练习题禁水。再灌,做禁言

查看全部评分

发表于 2009-6-14 22:13:47 | 显示全部楼层 来自: 中国山东青岛
版本4.0的。。希望有多多的这样的练习2 O; _" t5 m/ B, D- u7 S# t
! {: _* ?1 ]4 x* P+ f/ S8 g' {
[ 本帖最后由 wangping0211 于 2009-6-14 22:16 编辑 ]
jj.jpg

bbb-99.rar

76.95 KB, 下载次数: 15

评分

参与人数 1三维币 +2 收起 理由
astrokylin + 2 参与练习!注意抓图规范

查看全部评分

发表于 2009-6-14 23:30:40 | 显示全部楼层 来自: 中国北京
UG 6.0
4 o) E  m9 y' [3 s+ s( E0 {不会出图呢,去学习。9 x/ D" n% ^7 O1 e* \
未命名.JPG

jianmo.rar

81.93 KB, 下载次数: 9

评分

参与人数 1三维币 +3 收起 理由
astrokylin + 3 参与练习!

查看全部评分

发表于 2009-6-14 23:32:25 | 显示全部楼层 来自: 中国江苏无锡

交作业

呵呵" @$ K7 d: L2 W7 l: Y% A: Z- i
感觉还可以
3 g' Y$ X0 G8 V. Q. `对新手来说的哦# J9 |: A5 ?- V+ r

) e- H: r% u8 d: |( P[ 本帖最后由 kuiwu 于 2009-6-15 19:16 编辑 ]
4.jpg
44.jpg

lianxi1.rar

187.71 KB, 下载次数: 2

评分

参与人数 1三维币 +6 收起 理由
astrokylin + 6 三维图+工程图

查看全部评分

发表于 2009-6-15 06:48:12 | 显示全部楼层 来自: 中国浙江台州
nx2.06 B! G! N. b( o- t+ ^+ B: U( ?5 f
试着做了。
' a. H0 z3 j! N
: V9 d( I& p6 G( X" ~4 _; p$ a) U( E[ 本帖最后由 1t808 于 2009-6-15 06:50 编辑 ]
a22.JPG

a2.rar

50.37 KB, 下载次数: 5

评分

参与人数 1三维币 +3 收起 理由
astrokylin + 3 参与练习!

查看全部评分

发表于 2009-6-15 10:54:13 | 显示全部楼层 来自: 中国山西临汾
参与一下。NX4作的。
1001.jpg

1001.rar

70.19 KB, 下载次数: 8

评分

参与人数 1三维币 +3 收起 理由
astrokylin + 3 参与练习!

查看全部评分

发表于 2009-6-15 16:12:30 | 显示全部楼层 来自: 中国北京
UG 6.0
6 n% r6 }, V6 ~2 S. G0 c& ~" M1 p补上5楼工程图" z: q& a% V* Q( X$ L4 o$ J
未命名.JPG

jianmo.rar

139.06 KB, 下载次数: 4

评分

参与人数 1三维币 +3 收起 理由
astrokylin + 3 工程图

查看全部评分

发表于 2009-6-15 16:46:55 | 显示全部楼层 来自: 中国江苏常州

九楼的补一下啊,呵呵不好意思

11.jpg 22.jpg 图片
2 i4 o6 B- W) |# K6 U4 v
& |/ T, L1 W, J2 y. y[ 本帖最后由 WANGXIANGJUN 于 2009-6-16 08:38 编辑 ]

ZUOYE .rar

368.06 KB, 下载次数: 3

ZUOYE .rar

368.06 KB, 下载次数: 2

评分

参与人数 1三维币 +6 收起 理由
astrokylin + 6 三维图+工程图

查看全部评分

发表于 2009-6-15 19:20:39 | 显示全部楼层 来自: 中国浙江

NX6.0的

6.0的制图标注不好用
1001.jpg
1001-1.jpg

1001.rar

393.42 KB, 下载次数: 4

评分

参与人数 1三维币 +5 收起 理由
astrokylin + 5 参与练习!

查看全部评分

发表于 2009-6-15 20:12:26 | 显示全部楼层 来自: 中国浙江台州
做了一个- K: H8 `, r& W) u
6。0* O4 K& ^4 g. d# Y, i, M- h
$ A/ N! O$ J/ J8 H% x
[ 本帖最后由 2L682 于 2009-6-15 20:15 编辑 ]
lx1.JPG
LX11.jpg

LX11.rar

124.45 KB, 下载次数: 6

评分

参与人数 1三维币 +6 收起 理由
astrokylin + 6 三维图+工程图

查看全部评分

发表于 2009-6-15 21:13:37 | 显示全部楼层 来自: 中国山东
UG4.0; \% M1 S, U. }$ Q! x
LIANXI.jpg
! n5 M% N- a* j* d; e+ W5 z0 G LIANXI1.jpg
( V( u5 Z* e* M* p  O( d" X' |, q LIANXI GONGCHENGTU.jpg / ?( H2 c1 T! ^( q9 U$ E
LIANXI.rar (55.33 KB, 下载次数: 2)

评分

参与人数 1三维币 +6 收起 理由
astrokylin + 6 三维图+工程图。

查看全部评分

发表于 2009-6-15 21:41:08 | 显示全部楼层 来自: 中国上海
我做的,麻烦LZ 看看,顺便鼓励一下!
9 s  ]" a  Y1 B8 |% B" ~5 L 15.jpg % u% u% H, x" G' r/ p
16.jpg
7 K. g! _' G$ h1 n) ~1 G$ e5 z% ~
6 i$ Y' _" O" m, E1 U+ B[ 本帖最后由 astrokylin 于 2009-6-17 14:05 编辑 ]

lianxi2.rar

232.3 KB, 下载次数: 5

评分

参与人数 1三维币 +6 收起 理由
astrokylin + 6 参与练习

查看全部评分

发表于 2009-6-15 22:09:42 | 显示全部楼层 来自: 中国湖北

交练习了

交练习了 看看合格吗?9 N# ^% O( C" x- q. K

0 J; w8 j. _8 z9 L5 Y6 n9 R[ 本帖最后由 astrokylin 于 2009-6-17 13:58 编辑 ]
3weilianxi.jpg
3wei.jpg

3weilianxi.rar

220.5 KB, 下载次数: 2

评分

参与人数 1三维币 +5 收起 理由
astrokylin + 5 插图无特征树

查看全部评分

发表于 2009-6-16 10:05:18 | 显示全部楼层 来自: 中国江苏苏州

UG5.0

贵在参与了!% O" r8 U4 I4 C6 }

( b. |7 {3 ?2 {1 i( q) o8 ?[ 本帖最后由 astrokylin 于 2009-6-16 11:09 编辑 ]
2.gif
1.gif

6.16-2.rar

523.26 KB, 下载次数: 0

评分

参与人数 1三维币 +6 收起 理由
astrokylin + 6 三维图+工程图

查看全部评分

发表于 2009-6-16 21:57:59 | 显示全部楼层 来自: 中国重庆
12.JPG 123.JPG

1.rar

50.21 KB, 下载次数: 4

评分

参与人数 1三维币 +3 收起 理由
astrokylin + 3 三维图

查看全部评分

发表于 2009-6-17 00:23:16 | 显示全部楼层 来自: 中国台湾
練習一個 ,支持練習作題!只是非常不熟悉操作模式及特徵,土法煉鋼!
2009-6-16 下午 11-55-20.png
2009-6-17 上午 12-19-23.png

model000.rar

124.06 KB, 下载次数: 2

评分

参与人数 1三维币 +6 收起 理由
astrokylin + 6 UG用的也不错啊:)

查看全部评分

发表于 2009-7-2 15:53:14 | 显示全部楼层 来自: 中国广东阳江
我也做一个,4.0的
1.JPG

41.rar

65.82 KB, 下载次数: 2

评分

参与人数 1三维币 +2 收起 理由
astrokylin + 2 练习

查看全部评分

发表回复
您需要登录后才可以回帖 登录 | 注册

本版积分规则


Licensed Copyright © 2016-2020 http://www.3dportal.cn/ All Rights Reserved 京 ICP备13008828号

小黑屋|手机版|Archiver|三维网 ( 京ICP备2023026364号-1 )

快速回复 返回顶部 返回列表