QQ登录

只需一步,快速开始

登录 | 注册 | 找回密码

三维网

 找回密码
 注册

QQ登录

只需一步,快速开始

展开

通知     

全站
2天前
查看: 5476|回复: 22
收起左侧

[练习题] 『1007』实体 练习题

[复制链接]
发表于 2009-6-14 17:23:36 | 显示全部楼层 |阅读模式 来自: 中国吉林长春

马上注册,结识高手,享用更多资源,轻松玩转三维网社区。

您需要 登录 才可以下载或查看,没有帐号?注册

x
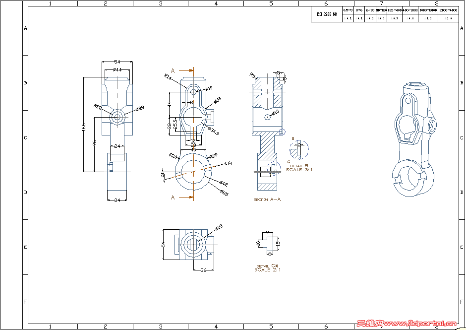
根据附图所示的尺寸作出物体的实体造型【6分】+ Q3 x' W  S0 w# V1 d; p
额外加分:
" q' Y4 E  F& B
  • 出工程图(必要的视图+等轴测或斜轴测视图),仅标尺寸【6分】
# {# z. a4 u, ?6 R) z
要求:详情请见【NX 练习题 管理规定
- }6 X3 H) i  Y6 |    1.上传练习时,需要包涵Part文档和附图,附图内容包涵:①NX版本;②完整特征树;③练习文件抓图。: n: x7 X% p- n. w% I6 s
    2.针对符合做题要求跟帖练习情况,给予4~6三维币的奖励,可稍有突破此限制,做错的不予奖励。先参与的会员给予上限的加分奖励。思路不同的做法,请在回复标题中注明,仍按上限给予加分。( P/ j; J4 g/ V4 T3 f
    3.发布时间超过15天(或超过版主规定的时间)的练习题,结束该练习题练习。此后所做的练习给予0~2三维币的加分(不是非常简单的都加2分)。
6 l. H& J4 _; g) u: X; i
未命名.PNG

评分

参与人数 1三维币 +6 收起 理由
astrokylin + 6 采纳!

查看全部评分

发表于 2009-6-15 17:27:12 | 显示全部楼层 来自: 中国山西临汾
用NX4.0用的。
1007.jpg

1007.rar

107.87 KB, 下载次数: 69

评分

参与人数 1三维币 +8 收起 理由
astrokylin + 8 这个比较复杂

查看全部评分

发表于 2009-6-15 18:32:09 | 显示全部楼层 来自: 中国北京
UG 6.0/ k1 `4 z3 O  E% L
工程图不会用,有技术含量的都标不出
0 y. T6 {" P5 J 未命名2.JPG " f* \. ]) ?& M' z3 Y! M* r! l
未命名1.JPG

jianmo.rar

258.52 KB, 下载次数: 45

评分

参与人数 1三维币 +12 收起 理由
astrokylin + 12 三维图+工程图

查看全部评分

发表于 2009-6-16 12:05:57 | 显示全部楼层 来自: 中国江苏苏州

UG5.0

贵在参与了!
1.gif
2.gif

6.16-4.rar

852.36 KB, 阅读权限: 100, 下载次数: 0

评分

参与人数 1三维币 +12 收起 理由
astrokylin + 12 三维图+工程图

查看全部评分

发表于 2009-6-16 12:59:58 | 显示全部楼层 来自: 中国上海
终于可以上传图片,秀一下;
  e1 m! l  W4 F  `+ I- }  P9 K非常感谢astrokylin 的热心支持!0 Q. X$ q2 M9 d/ I$ d/ l$ g6 \

+ y" [. M4 V6 C" X0 B! l1 E 实体.JPG + i# w+ s/ L8 W8 v7 P2 m; _
9 K# j# O1 M% {! M: O3 B& n
[ 本帖最后由 astrokylin 于 2009-6-16 14:26 编辑 ]
lianxi4.jpg

lianxi4.rar

418.01 KB, 下载次数: 54

评分

参与人数 1三维币 +15 收起 理由
astrokylin + 15 工程图出的不错

查看全部评分

发表于 2009-6-16 20:14:00 | 显示全部楼层 来自: 中国浙江台州
有些图纸不会做。
; q% Z4 S. G; P: g" {% S6。0的/ L* h1 |* _3 N' _' \; q; G
/ h$ A' \7 g* a0 k2 a
[ 本帖最后由 2L682 于 2009-6-16 20:20 编辑 ]
lx2.jpg
lx2-2.JPG

lx2.rar

233.73 KB, 下载次数: 23

发表于 2009-6-16 20:21:45 | 显示全部楼层 来自: 中国浙江台州
来一个。用6。0作的。
2-1.jpg
2-22.JPG

2-1.rar

212.45 KB, 下载次数: 40

评分

参与人数 1三维币 +12 收起 理由
astrokylin + 12 参与练习

查看全部评分

发表于 2009-6-16 22:51:17 | 显示全部楼层 来自: 中国北京
俺也凑个热闹:NX6.0_部件及工程图6 P3 [6 ]- F, L8 w
/ A0 t4 R. o: l6 a  V8 |/ ]  ^
[ 本帖最后由 xcrxxc 于 2009-6-17 00:09 编辑 ]
1007.jpg
1007工程图.jpg

1007.rar

264.63 KB, 下载次数: 38

评分

参与人数 1三维币 +15 收起 理由
astrokylin + 15 工程图很规范

查看全部评分

发表于 2009-6-16 23:36:20 | 显示全部楼层 来自: 中国广西柳州
不错,收下了

评分

参与人数 1三维币 -50 收起 理由
astrokylin -50 练习题禁水!

查看全部评分

发表于 2009-6-17 12:48:21 | 显示全部楼层 来自: 中国山东青岛
ug4.0希望有多多这样的练习
001.jpg
002.jpg

ggg.rar

189.06 KB, 下载次数: 30

评分

参与人数 1三维币 +12 收起 理由
astrokylin + 12 参与练习

查看全部评分

发表于 2009-6-18 01:28:52 | 显示全部楼层 来自: 中国台湾
作練習可以增進學習速度!
+ h. E- R! b6 z2 ^; p: c; n' T9 F今天學習剖面視图及局部放大圖!% g# |: ?* }  ~& h" n# j  R

  e7 g9 y4 q9 G+ ]4 f: {0 w[ 本帖最后由 kevin_pcac 于 2009-6-18 01:33 编辑 ]
2009-6-18 上午 12-55-38.png
2009-6-18 上午 01-24-28.png

kevin1007.rar

366.88 KB, 下载次数: 28

评分

参与人数 1三维币 +12 收起 理由
astrokylin + 12 练习

查看全部评分

发表于 2009-6-18 11:32:31 | 显示全部楼层 来自: 中国浙江台州
NX6  }5 w; W1 M" Y- O# Y
练练手,赚点分
2009-06-18_112009.png

model3.rar

253.59 KB, 下载次数: 31

评分

参与人数 1三维币 +15 收起 理由
astrokylin + 15 工程图做的很漂亮

查看全部评分

发表于 2009-6-19 21:25:48 | 显示全部楼层 来自: 中国重庆
1.jpg 2.jpg

87.rar

190.32 KB, 下载次数: 12

评分

参与人数 1三维币 +12 收起 理由
astrokylin + 12 练习

查看全部评分

发表于 2009-6-20 15:14:32 | 显示全部楼层 来自: 中国浙江杭州
1007工程图.jpg 1007prt.rar (281.94 KB, 下载次数: 14)

评分

参与人数 1三维币 +12 收起 理由
astrokylin + 12 练习

查看全部评分

发表于 2009-6-20 23:20:46 | 显示全部楼层 来自: 中国浙江绍兴
新手,工程图还不熟悉
1007-1.JPG

1007.rar

110.82 KB, 下载次数: 11

评分

参与人数 1三维币 +6 收起 理由
astrokylin + 6 练习。圆柱太多

查看全部评分

发表于 2009-7-2 11:51:58 | 显示全部楼层 来自: 中国广东阳江
工程图还不会,画实体不扣分吧?4.0做的,怎么发两次了?怎样删除原来那个?: l& q+ Y( [, Z: b8 n# o

7 m! \5 w! m: ~' L5 j4 Z! R[ 本帖最后由 再见艳阳 于 2009-7-2 11:53 编辑 ]
2.JPG

40.rar

131.62 KB, 下载次数: 5

评分

参与人数 1三维币 +2 收起 理由
astrokylin + 2 练习

查看全部评分

发表于 2009-7-2 12:32:38 | 显示全部楼层 来自: 中国浙江嘉兴
NX6.0画的
; w7 ~( ~+ v+ i- c4 a9 q2 l  r8 x# B* V
[ 本帖最后由 QQ108895955 于 2009-7-2 12:36 编辑 ]
未命名.JPG

1007-1.rar

288.55 KB, 下载次数: 5

评分

参与人数 1三维币 +2 收起 理由
astrokylin + 2 练习

查看全部评分

发表于 2009-10-20 18:11:56 | 显示全部楼层 来自: 中国浙江宁波
UG6.0% K9 N% D* n. Z; V" V8 V+ z
本人第一次做练习题,由于刚学UG不久还请各位指点指点!4 ?) R5 ?9 s. i; ]& X2 b: W( e  H/ W
很多地方还走了不少歪路!# z4 O7 `  {) X+ Z  ]% ?$ _6 `3 P/ j
图中有一处地方和楼主的图纸不符(最后才看到还以为和那一处是一样的)不过其原理也是一样的!
! c$ n) u2 h6 }4 r  u 1007-mx.jpg : Q4 X' Y7 @6 M- J/ D0 I) y
工程图里面有2处还不会搞!所以没标全" j# J2 A: i6 r9 x& P! o( E, z2 f: F
1007-zc.jpg

评分

参与人数 1三维币 +2 收起 理由
beyond2009 + 2 参与练习

查看全部评分

发表于 2009-10-20 22:01:07 | 显示全部楼层 来自: 中国江苏无锡

NX7画的

着色,显示出零件的真实材质
1007.jpg

1007.rar

159.79 KB, 下载次数: 5

评分

参与人数 1三维币 +2 收起 理由
beyond2009 + 2 参与练习

查看全部评分

发表于 2009-10-22 18:33:42 | 显示全部楼层 来自: 中国广东佛山

有一处还做不出来~那个B向图

做出来麻烦说下哪个名字位置在那`谢谢了
2009-10-22_14-55-06练习.jpg

评分

参与人数 1三维币 +2 收起 理由
beyond2009 + 2 参与练习

查看全部评分

发表于 2009-10-26 22:51:46 | 显示全部楼层 来自: 中国四川成都
UG4.0
8 h  z$ e. d, h0 u; N第一次做练习题,也是刚学UG。圆头那边的倒角是怎么做的?能说下吗?工程图还不会,正在学。
3 ~; U4 Y7 z3 Q共花2小时完成...5 H* y/ z- `% C$ o! R! e; ?
0 |. `0 [: w6 \
[ 本帖最后由 kaixin 于 2009-10-26 23:16 编辑 ]
未命名.jpg
0.jpg

sww.rar

123.19 KB, 下载次数: 3

评分

参与人数 1三维币 +2 收起 理由
beyond2009 + 2 参与练习。

查看全部评分

发表于 2012-10-25 09:32:57 | 显示全部楼层 来自: 中国江苏苏州
这个是我做的,昨天刚看到,早上做了一下。9 b* x, A* L) {( l' i$ w7 n
1007(2d).png
1007.png
发表于 2013-8-3 10:18:32 | 显示全部楼层 来自: 中国辽宁辽阳
_m1.zip (321.89 KB, 下载次数: 1)
发表回复
您需要登录后才可以回帖 登录 | 注册

本版积分规则

Licensed Copyright © 2016-2020 http://www.3dportal.cn/ All Rights Reserved 京 ICP备13008828号

小黑屋|手机版|Archiver|三维网 ( 京ICP备2023026364号-1 )

快速回复 返回顶部 返回列表