QQ登录

只需一步,快速开始

登录 | 注册 | 找回密码

三维网

 找回密码
 注册

QQ登录

只需一步,快速开始

展开

通知     

查看: 2650|回复: 10
收起左侧

[求助] 十字联轴器连接的两根轴是否一定要在同一平面上?

[复制链接]
发表于 2009-6-16 18:05:59 | 显示全部楼层 |阅读模式 来自: 中国江苏苏州

马上注册,结识高手,享用更多资源,轻松玩转三维网社区。

您需要 登录 才可以下载或查看,没有帐号?注册

x
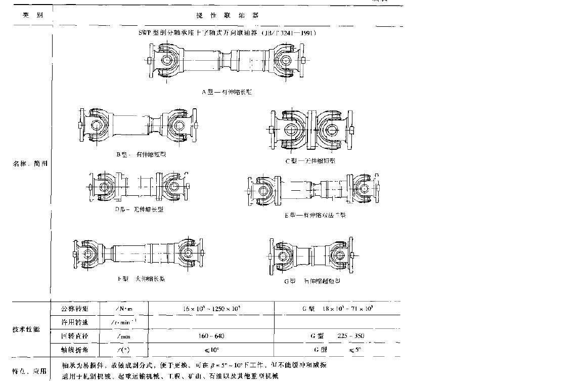
1.十字万向节联轴器连接的两根轴是否一定要在同一平面上?
b.jpg
发表于 2009-6-16 18:08:54 | 显示全部楼层 来自: 中国四川德阳
两条相交的直线当然是在一个平面上了
发表于 2009-6-16 18:55:06 | 显示全部楼层 来自: 中国河北廊坊
不一定非得在同一平面上,只要在运行中没有干涉就可以。
 楼主| 发表于 2009-6-16 21:37:11 | 显示全部楼层 来自: 中国江苏苏州
原帖由 QINWENJIE987 于 2009-6-16 18:08 发表 http://www.3dportal.cn/discuz/images/common/back.gif
( [$ \) w) Z" q- c; Y两条相交的直线当然是在一个平面上了
$ f/ ^" n) b- B% S  d! |

- u4 d4 m9 Y! U  C- d* o你理解错了,是与机台连接的两根轴
发表于 2009-6-16 22:56:45 | 显示全部楼层 来自: 中国上海
原帖由 yingxiong 于 2009-6-16 21:37 发表 http://www.3dportal.cn/discuz/images/common/back.gif
1 X5 w  e8 N1 n( i, I7 M) \! f
- o3 _$ [( K& ?8 \) G, i! e9 u. y5 w% C$ S) D" J( ]9 m
你理解错了,是与机台连接的两根轴

1 }& u0 B" Y8 @' u, ^3 v& z2 t( a* f: g  q0 t- `# x

! F3 @  w  C5 ~9 O* e# A4 c6 |
) Y* F- u0 {, m4 o; ~2 Z. M你那两根轴轴线延长线不都通过O点吗?通过O点就在一个平面上,不通过O点联轴器肯定不管用。

评分

参与人数 1三维币 +2 收起 理由
虎强 + 2 技术讨论

查看全部评分

发表于 2009-6-17 09:32:28 | 显示全部楼层 来自: 中国山西太原
十字万向节联轴器连接的两根轴的中心线是相交的,相交的两直线当然在同一平面内。但这两条中心线可以有一定的夹角α,在允许夹角范围内二轴可以正常传动,但随着夹角的增大许用转矩[T]要降低,联轴器的许用转矩[T]=Tncosα (式中Tn为α=0时的额定转矩)。

评分

参与人数 1三维币 +3 收起 理由
虎强 + 3 技术讨论

查看全部评分

 楼主| 发表于 2009-6-17 21:43:07 | 显示全部楼层 来自: 中国江苏苏州

回复 6# gaoyns 的帖子

1.你说的夹角α是否就是图上的β?
  U; p6 w' }# T& a  U0 b: v2.上图所示两轴中心线只有一个夹角β,但如果左边的轴饶Y轴中心旋转一个角度的话,那夹角应该算是哪个?
发表于 2009-6-19 11:47:37 | 显示全部楼层 来自: 中国香港
是有角度要求的,自己看吧。 1.JPG

评分

参与人数 1三维币 +3 收起 理由
虎强 + 3 应助

查看全部评分

发表于 2009-6-19 14:09:53 | 显示全部楼层 来自: 中国湖北十堰
十字万向节联轴器连接的两根轴可以不在同一平面上,前提是要有两个十字万向节。
发表于 2010-7-16 22:30:00 | 显示全部楼层 来自: 中国上海
万向轴顾名思义可以补偿两轴之间各种方向的偏差,X方向的、Y方向的和Z方向的。因此,两轴可以不在同一平面内。
发表于 2010-7-17 08:22:47 | 显示全部楼层 来自: 中国山东青岛
十字万向节的主要特点就是可以使两根不在同一平面的轴,联接转动.
发表回复
您需要登录后才可以回帖 登录 | 注册

本版积分规则


Licensed Copyright © 2016-2020 http://www.3dportal.cn/ All Rights Reserved 京 ICP备13008828号

小黑屋|手机版|Archiver|三维网 ( 京ICP备2023026364号-1 )

快速回复 返回顶部 返回列表