QQ登录

只需一步,快速开始

登录 | 注册 | 找回密码

三维网

 找回密码
 注册

QQ登录

只需一步,快速开始

展开

通知     

goto3d 说: 在线网校重磅上线MC2022&Inventor2022全新课程,虞为民老师、大表哥同事精彩讲解,快去围观!
2021-06-25
查看: 1809|回复: 7
收起左侧

[已解决] 这种结构怎么抽壳?

[复制链接]
发表于 2009-6-17 16:23:12 | 显示全部楼层 |阅读模式 来自: 中国浙江宁波

马上注册,结识高手,享用更多资源,轻松玩转三维网社区。

您需要 登录 才可以下载或查看,没有帐号?注册

x
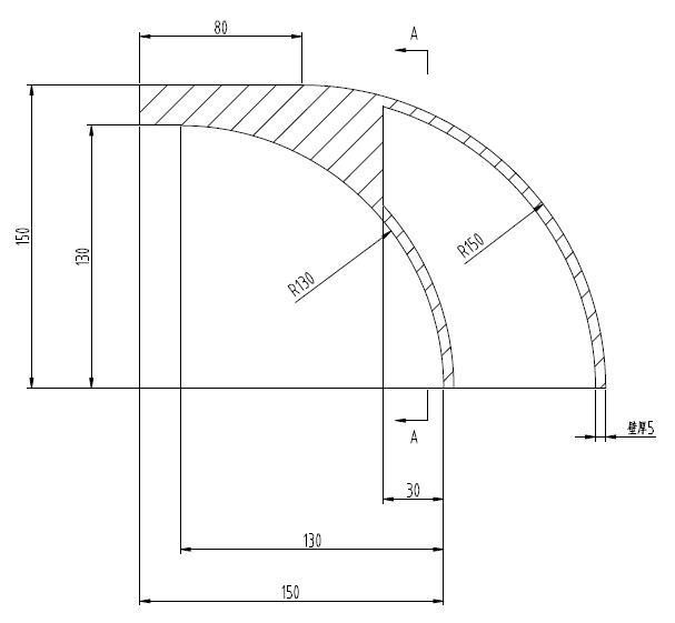
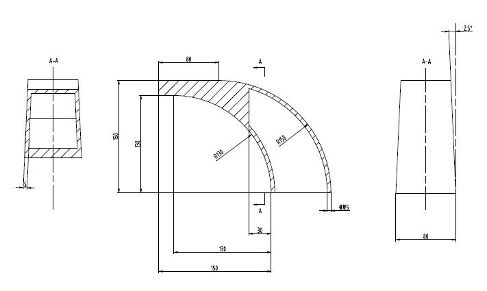
很多铸件都是有些部分特定壁厚,而有些部分是完全充满的,比如这个图,里面的部分应该怎么弄?谢谢!
总图.JPG
剖面.JPG
主视图.JPG
左视图.JPG
发表于 2009-6-17 17:37:33 | 显示全部楼层 来自: 中国广东广州
像这种抽壳应该说不行的!
33.png

评分

参与人数 1三维币 +5 收起 理由
xinyazhu + 5

查看全部评分

发表于 2009-6-17 18:05:29 | 显示全部楼层 来自: 中国浙江宁波
是不是图有问题啊
发表于 2009-6-17 18:25:56 | 显示全部楼层 来自: 中国江苏南通
抽壳只是个工具,工具是用来方便使用的,个人感觉扇形空腔用可变截面扫描更方便些。
 楼主| 发表于 2009-6-17 19:08:41 | 显示全部楼层 来自: 中国浙江宁波
谢谢哦,感觉好象很麻烦的样子,真伤脑筋
; r0 J2 }* F- B; v( v我们公司很多镜臂铸件都是这个样子的...
发表于 2009-6-17 19:10:27 | 显示全部楼层 来自: 中国四川成都
扫描切除材料吧
发表于 2009-6-17 19:57:32 | 显示全部楼层 来自: 中国山东青岛
就别用抽壳了。。。可以变通用别的切除命令啊
发表于 2009-6-18 07:26:00 | 显示全部楼层 来自: 中国北京
这个零件要分开来看,先把主体画好,再用切除也可以
发表回复
您需要登录后才可以回帖 登录 | 注册

本版积分规则


Licensed Copyright © 2016-2020 http://www.3dportal.cn/ All Rights Reserved 京 ICP备13008828号

小黑屋|手机版|Archiver|三维网 ( 京ICP备2023026364号-1 )

快速回复 返回顶部 返回列表