QQ登录

只需一步,快速开始

登录 | 注册 | 找回密码

三维网

 找回密码
 注册

QQ登录

只需一步,快速开始

展开

通知     

全站
5天前
查看: 3181|回复: 17
收起左侧

[练习题] 『1008』轴1

[复制链接]
发表于 2009-6-18 00:15:03 | 显示全部楼层 |阅读模式 来自: 中国山东济南

马上注册,结识高手,享用更多资源,轻松玩转三维网社区。

您需要 登录 才可以下载或查看,没有帐号?注册

x
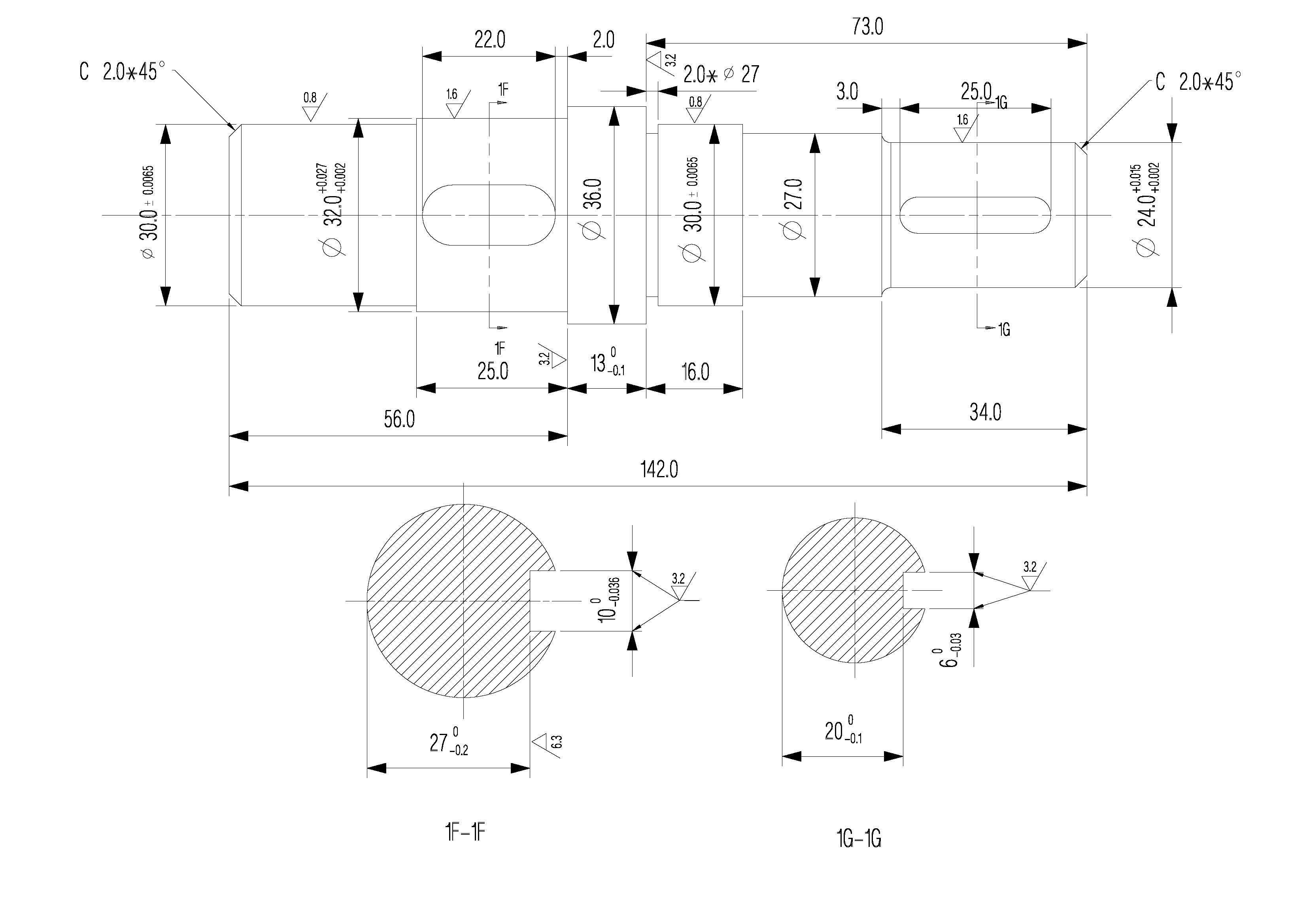
根据附图所示的尺寸作出物体的实体造型【3分】
# W. u+ H# ?$ v) G; y/ t4 E$ c额外加分:& i: y- m$ D$ Z
  • 出工程图(尺寸要全、尽量符合GB/T 4458 系列标准)【4分】

, N  x1 B0 N8 [" G
要求:详情请见【NX 练习题 管理规定
; t, {' ?  q9 I6 w) h    1.上传练习时,需要包涵Part文档和附图,附图内容包涵:①NX版本;②完整特征树;③练习文件抓图。8 m+ G' {2 _& U' G2 l+ _
    2.针对符合做题要求跟帖练习情况,给予4~6三维币的奖励,可稍有突破此限制,做错的不予奖励。先参与的会员给予上限的加分奖励。思路不同的做法,请在回复标题中注明,仍按上限给予加分。! `# O% J. O$ J0 n3 ^. G
    3.发布时间超过15天(或超过版主规定的时间)的练习题,结束该练习题练习。此后所做的练习给予0~2三维币的加分(不是非常简单的都加2分)。

2 q9 r7 I2 Y1 V+ D! t 01.jpg # ^' g9 |* i  A* o$ V; K" z, Q

5 G7 _8 Y( r# y  w& O& f3 P
3 Y8 J' x. P8 H' `5 O看不清尺寸,可以下载这个pdf文档。
  U* C4 K! n8 B 1008.pdf (24.92 KB, 下载次数: 45)
发表于 2009-6-18 03:24:22 | 显示全部楼层 来自: 中国山东青岛
好东西,设计参考下

评分

参与人数 1三维币 -50 收起 理由
astrokylin -50 灌水

查看全部评分

发表于 2009-6-18 10:18:31 | 显示全部楼层 来自: 中国广东佛山
好好学习,天天向上
6.jpg
61.jpg

model1.rar

115.38 KB, 下载次数: 7

评分

参与人数 1三维币 +5 收起 理由
astrokylin + 5 练习

查看全部评分

发表于 2009-6-18 11:39:53 | 显示全部楼层 来自: 中国江苏常州

交作业了,呵呵

试一下,
实体.jpg
zhitu .jpg

zhou.rar

356.07 KB, 下载次数: 17

评分

参与人数 1三维币 +8 收起 理由
astrokylin + 8 练习

查看全部评分

发表于 2009-6-18 11:58:47 | 显示全部楼层 来自: 中国北京
UG 6.03 @( b  U$ K* K2 c; D. h$ a7 B' K; t
学着例题标注的
( a: t7 E& Z: J8 G 未命名1.JPG
4 u4 o& N$ u2 q! w! g& L% v 未命名2.JPG

zhou.rar

150.55 KB, 下载次数: 10

评分

参与人数 1三维币 +7 收起 理由
astrokylin + 7 粗糙度用a2好看一些

查看全部评分

发表于 2009-6-18 12:37:33 | 显示全部楼层 来自: 中国湖南株洲
UG转cad确实比较好

评分

参与人数 1三维币 -50 收起 理由
astrokylin -50 练习题禁水!

查看全部评分

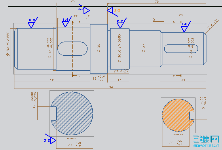
发表于 2009-6-18 13:58:39 | 显示全部楼层 来自: 中国山东青岛
UG4.0
9 F) g9 X( {( V# k 1008.jpg + i1 z7 x( i- X" j; h/ Z2 b! C
1008-2.jpg
, R- b4 A( C2 V( J 1008.rar (92.29 KB, 下载次数: 7)

评分

参与人数 1三维币 +6 收起 理由
astrokylin + 6 练习

查看全部评分

发表于 2009-6-18 14:28:26 | 显示全部楼层 来自: 中国台湾
剛作完,工程圖标释不熟悉!
2009-6-18 下午 02-25-56.png
2009-6-18 下午 02-23-23.png

1008-3.rar

152.99 KB, 下载次数: 11

评分

参与人数 1三维币 +7 收起 理由
astrokylin + 7 练习

查看全部评分

发表于 2009-6-18 17:23:43 | 显示全部楼层 来自: 中国重庆
QQ截图未命名.jpg

89.rar

100.32 KB, 下载次数: 4

评分

参与人数 1三维币 +6 收起 理由
astrokylin + 6 练习

查看全部评分

发表于 2009-6-18 18:03:54 | 显示全部楼层 来自: 中国北京
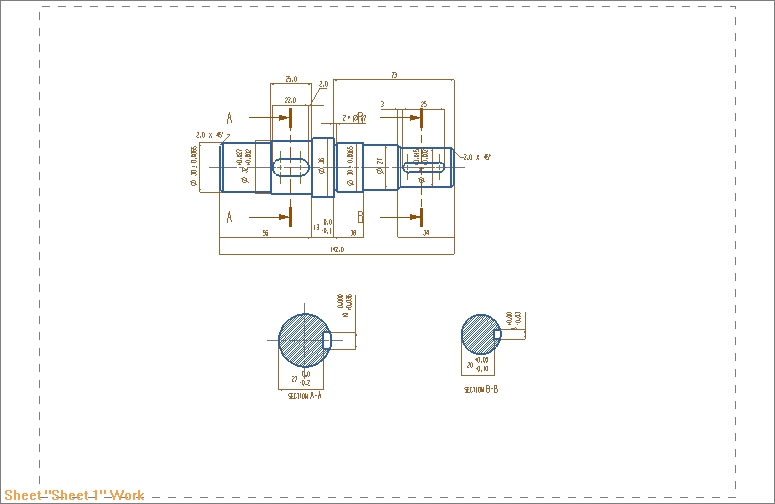
争点银子:实体与工程图
8 [6 A. r( K" |. {4 x8 N; g8 S4 b4 ^
[ 本帖最后由 xcrxxc 于 2009-6-18 18:18 编辑 ]
1008.jpg
1008工程图.jpg

1008.rar

149.72 KB, 下载次数: 7

评分

参与人数 1三维币 +7 收起 理由
astrokylin + 7 练习

查看全部评分

发表于 2009-6-18 20:11:00 | 显示全部楼层 来自: 中国河北沧州
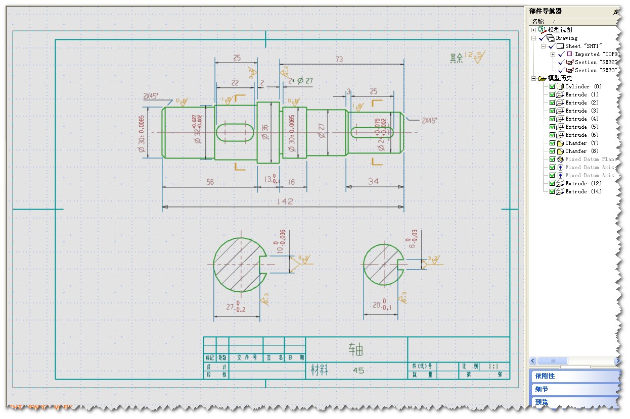
NX 6
5 Y9 @3 H/ [! `4 P% B3 g. i2 e% x4 s7 D/ s: Y' r5 b
9 e3 k" a8 r! N
费半天劲弄的字体!
1 D1 B2 v& @% C% G* E图不清楚,有PDF!
( ]+ ?- p+ f# W! a( {1 I0 Y7 W- W$ N6 N  q. A6 ?. \9 \9 Y- _- ^
[ 本帖最后由 beyond2009 于 2009-6-18 20:21 编辑 ]
1.JPG

FFF.pdf

42.66 KB, 下载次数: 8

Part.rar

220.77 KB, 下载次数: 11

评分

参与人数 1三维币 +8 收起 理由
astrokylin + 8 练习

查看全部评分

发表于 2009-6-19 21:23:32 | 显示全部楼层 来自: 中国浙江台州
用6。0作了一个。
$ Q0 B1 ^4 R* Y' [9 F) h# R% ~工程图做的不好。
619.JPG
619-2.jpg

model1.rar

116.89 KB, 下载次数: 3

评分

参与人数 1三维币 +6 收起 理由
astrokylin + 6 练习

查看全部评分

发表于 2009-6-20 21:00:02 | 显示全部楼层 来自: 中国浙江绍兴
第一次用UG画图,画得不好
1008轴1-1.JPG
1008轴1-2.JPG

1008.rar

107.88 KB, 下载次数: 5

评分

参与人数 1三维币 +7 收起 理由
astrokylin + 7 练习

查看全部评分

发表于 2009-6-21 00:29:23 | 显示全部楼层 来自: 中国湖北
交作业了 楼主看看
/ w$ `, }( [' H) t+ i; f6 N
" G% Z% b1 d% _& `5 q[ 本帖最后由 l909090 于 2009-6-21 00:31 编辑 ]
QQ截图未命名.png

3WEI8.pdf

31.04 KB, 下载次数: 5

新建 WinRAR 压缩文件.rar

161.01 KB, 下载次数: 1

评分

参与人数 1三维币 +6 收起 理由
astrokylin + 6 练习

查看全部评分

发表于 2009-6-21 13:00:32 | 显示全部楼层 来自: 中国上海
我做的练习;
4 T% [7 r4 x) ^+ T, U* b, Z5 p不过NX 做粗糙度等标注,确实不是很方便; 不知版友们有什么好的方法?
未命名.JPG
dfd.jpg

lianxu5.rar

156.01 KB, 下载次数: 3

评分

参与人数 1三维币 +7 收起 理由
astrokylin + 7 练习

查看全部评分

发表于 2009-6-29 08:51:23 | 显示全部楼层 来自: 中国山西长治
用NX4用的。
1008.jpg

1008.rar

121.94 KB, 下载次数: 6

评分

参与人数 1三维币 +2 收起 理由
astrokylin + 2 练习

查看全部评分

发表于 2009-7-31 14:26:01 | 显示全部楼层 来自: 中国广东韶关
nx6,练习下,轴的零件图的标注太麻烦了,所以只是标了一些而已,没标全
截图04.png
截图05.png

1008.rar

111.03 KB, 下载次数: 1

评分

参与人数 1三维币 +2 收起 理由
astrokylin + 2 练习

查看全部评分

发表于 2009-12-27 21:48:35 | 显示全部楼层 来自: 中国浙江金华
NX5.0做的 练习练习
截图01.png

model11.rar

73.94 KB, 下载次数: 2

评分

参与人数 1三维币 +2 收起 理由
beyond2009 + 2 练习

查看全部评分

发表回复
您需要登录后才可以回帖 登录 | 注册

本版积分规则

Licensed Copyright © 2016-2020 http://www.3dportal.cn/ All Rights Reserved 京 ICP备13008828号

小黑屋|手机版|Archiver|三维网 ( 京ICP备2023026364号-1 )

快速回复 返回顶部 返回列表