QQ登录

只需一步,快速开始

登录 | 注册 | 找回密码

三维网

 找回密码
 注册

QQ登录

只需一步,快速开始

展开

通知     

查看: 2139|回复: 17
收起左侧

[已答复] 如图,求可否做成型刀

[复制链接]
发表于 2009-6-22 10:00:46 | 显示全部楼层 |阅读模式 来自: 中国上海

马上注册,结识高手,享用更多资源,轻松玩转三维网社区。

您需要 登录 才可以下载或查看,没有帐号?注册

x

0 Q' I+ \+ Y: R( j
5 |- g/ a. d0 N1 w" Z2 L[ 本帖最后由 渔樵 于 2009-6-27 18:01 编辑 ]
316-301-16..._2009.06.27.17.58.23.jpg
316-301-16..._2009.06.27.17.59.20.jpg
 楼主| 发表于 2009-6-22 10:08:10 | 显示全部楼层 来自: 中国上海
不会贴图,只好上传图纸

316-301-164.pdf

1.63 MB, 下载次数: 7

头像被屏蔽
发表于 2009-6-22 10:25:50 | 显示全部楼层 来自: 中国辽宁丹东
提示: 作者被禁止或删除 内容自动屏蔽
 楼主| 发表于 2009-6-22 10:49:08 | 显示全部楼层 来自: 中国上海
上面图纸上就有啊
 楼主| 发表于 2009-6-22 10:57:32 | 显示全部楼层 来自: 中国上海
终于贴上照片了,请大家帮忙
Copy of P8200073.JPG
Copy of P8200074.JPG
发表于 2009-6-22 12:49:25 | 显示全部楼层 来自: 中国北京
请告诉孔径多大?自己不将图纸穿上来,别人如何解答?
" Z6 R, n9 f) I& E) e) h如果该孔在16mm以上,可以说用机夹组合刀具问题不大。
3 Y( Z) p' c  U/ ^5 c/ ~3 O4 V
3 k8 h1 H- A; e0 ]" P& w9 n( w3 w[ 本帖最后由 hhq426 于 2009-6-22 12:51 编辑 ]
 楼主| 发表于 2009-6-22 13:03:47 | 显示全部楼层 来自: 中国上海
上面有图纸啊,我已经上传了。1 f4 d( T9 M; |$ u
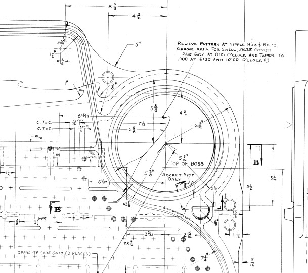
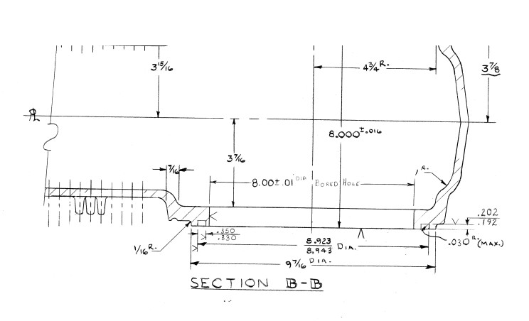
就是在平面上挖一个直径226,宽度9,深度5的槽,不知道我表达清楚没有?
头像被屏蔽
发表于 2009-6-22 13:19:02 | 显示全部楼层 来自: 中国辽宁丹东
提示: 作者被禁止或删除 内容自动屏蔽
发表于 2009-6-22 13:33:57 | 显示全部楼层 来自: 中国上海
1、你这是个散热片吧?
  i5 J# B' o: J- r' ^6 x7 Z2、你所说“成型刀”是不是意思把“环面”与“环槽”一次加工出来的刀具?
; C4 J  S* ~4 p" D; c0 |' R3、这个环槽是放密封件的,如果你的目的如上所述,那可以明确的告诉你:不可以。
 楼主| 发表于 2009-6-22 13:44:36 | 显示全部楼层 来自: 中国上海
楼上解释一下,为什么不可以呢
发表于 2009-6-22 16:12:34 | 显示全部楼层 来自: 中国香港
不是可不可以的问题,而是为什么要用成型刀,有没有必要用成型刀的问题。
发表于 2009-6-22 19:51:47 | 显示全部楼层 来自: 中国江苏无锡
没有必要用成型刀,除非是买不到标准刀具。

评分

参与人数 1三维币 +1 收起 理由
xl.zhuo + 1 应助

查看全部评分

 楼主| 发表于 2009-6-23 08:58:54 | 显示全部楼层 来自: 中国上海
各位能说的详细点吗?5 P1 {( }) Y' N  c
比如在加工中心上应该用什么刀具加工,说清楚这个槽怎么干,可以吗
发表于 2009-6-23 13:08:40 | 显示全部楼层 来自: 中国浙江宁波
成形刀具用于普通机床!加工中心可以编程,就没必要用成形刀具了

评分

参与人数 1三维币 +1 收起 理由
xl.zhuo + 1 应助

查看全部评分

发表于 2009-6-24 17:22:00 | 显示全部楼层 来自: 中国四川德阳
有必要用成型刀吗?立加上用一般的键槽铣刀就可以加工

评分

参与人数 1三维币 +1 收起 理由
xl.zhuo + 1 应助

查看全部评分

发表于 2009-6-27 17:26:37 | 显示全部楼层 来自: 中国北京
"上面有图纸啊,我已经上传了。"# w' B8 Z' C1 d$ \$ m/ H% [3 |
( c9 h" |' H$ Y5 R
你发的图是要人家花钱的,为什么不用*.jpg图片?
头像被屏蔽
发表于 2009-7-1 20:31:10 | 显示全部楼层 来自: 中国上海
提示: 作者被禁止或删除 内容自动屏蔽
发表于 2009-7-1 21:13:06 | 显示全部楼层 来自: 中国浙江温州
这个很难加工吗啊?! W) G5 L& R0 C1 ~7 ]/ J! q0 T
- P. a  O7 G  C
7 U$ y7 \) T. @0 i( H
图纸好像是英制的???
+ ]( D7 M% ?: d% _我没看错吧?
& x( g5 G: U- I/ Y) C
2 @6 X/ S6 s5 h6 i4 _0 {! c[ 本帖最后由 longking123 于 2009-7-1 21:15 编辑 ]
发表回复
您需要登录后才可以回帖 登录 | 注册

本版积分规则


Licensed Copyright © 2016-2020 http://www.3dportal.cn/ All Rights Reserved 京 ICP备13008828号

小黑屋|手机版|Archiver|三维网 ( 京ICP备2023026364号-1 )

快速回复 返回顶部 返回列表