QQ登录

只需一步,快速开始

登录 | 注册 | 找回密码

三维网

 找回密码
 注册

QQ登录

只需一步,快速开始

展开

通知     

查看: 2213|回复: 6
收起左侧

[原创] 液压讲义(基础理论知识).

[复制链接]
发表于 2009-6-23 19:07:21 | 显示全部楼层 |阅读模式 来自: 中国湖南岳阳

马上注册,结识高手,享用更多资源,轻松玩转三维网社区。

您需要 登录 才可以下载或查看,没有帐号?注册

x
液压讲义(基础理论知识).2 p. {8 p" P! h3 i. p
液压培训资料

液压讲义(基础理论知识).rar

1.05 MB, 阅读权限: 5, 下载次数: 77

发表于 2009-6-23 19:20:55 | 显示全部楼层 来自: 中国湖南株洲
内容不错,对初学者是个好东西
发表于 2009-7-7 15:05:20 | 显示全部楼层 来自: 中国江苏南京
内容不错,对初学者是个好东西
发表于 2009-9-18 17:38:10 | 显示全部楼层 来自: 中国山东莱芜

回复 1# pjj2008 的帖子

这个资料太一般了,建议学习力士乐的液压元件
发表于 2009-10-3 19:04:46 | 显示全部楼层 来自: 中国吉林长春
非常感谢!!!!!!!
发表于 2009-10-3 20:42:14 | 显示全部楼层 来自: 中国江苏镇江
非常感谢,是个好东西
发表于 2009-10-3 21:37:08 | 显示全部楼层 来自: 中国江苏泰州
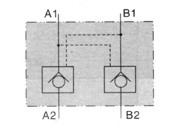
很不错的资料,液压的基础知识全讲到了,就是缺个目录、内容有些不全(如6-29双向液压锁图片缺(双向液压锁图片可以参考http://www.3dportal.cn/discuz/viewthread.php?tid=317509&extra=page%3D1,或者附图),第五章无内容,没有气动部分),呵呵,中秋快乐。
, }8 G% D( E9 d* j2 ?
) X$ @% D$ V" S# Q, i& Z6 R" U0 G补充一个目录,直接从楼主附件文中拷贝的图片黏贴在一起做成的,大家看看有没有疏漏,支持楼主。
( s* j# e# ~9 l
. p1 I+ G- X% `+ D$ n[ 本帖最后由 poxiangzi 于 2009-10-4 22:16 编辑 ]
目录.jpg
双向液压锁.jpg
发表回复
您需要登录后才可以回帖 登录 | 注册

本版积分规则


Licensed Copyright © 2016-2020 http://www.3dportal.cn/ All Rights Reserved 京 ICP备13008828号

小黑屋|手机版|Archiver|三维网 ( 京ICP备2023026364号-1 )

快速回复 返回顶部 返回列表