QQ登录

只需一步,快速开始

登录 | 注册 | 找回密码

三维网

 找回密码
 注册

QQ登录

只需一步,快速开始

展开

通知     

全站
7天前
查看: 2573|回复: 6
收起左侧

[已解决] 日本粗糙度

[复制链接]
发表于 2009-6-23 19:10:10 | 显示全部楼层 |阅读模式 来自: 中国四川成都

马上注册,结识高手,享用更多资源,轻松玩转三维网社区。

您需要 登录 才可以下载或查看,没有帐号?注册

x
我们遇到一张日本图纸,精密铸件,上面有粗糙度要求100S,请问和中国标准对比,相当于多少?
发表于 2009-6-23 19:25:30 | 显示全部楼层 来自: 中国北京
楼主要的是不是这个?
未命名.jpg
发表于 2009-6-23 21:09:02 | 显示全部楼层 来自: 中国江西九江
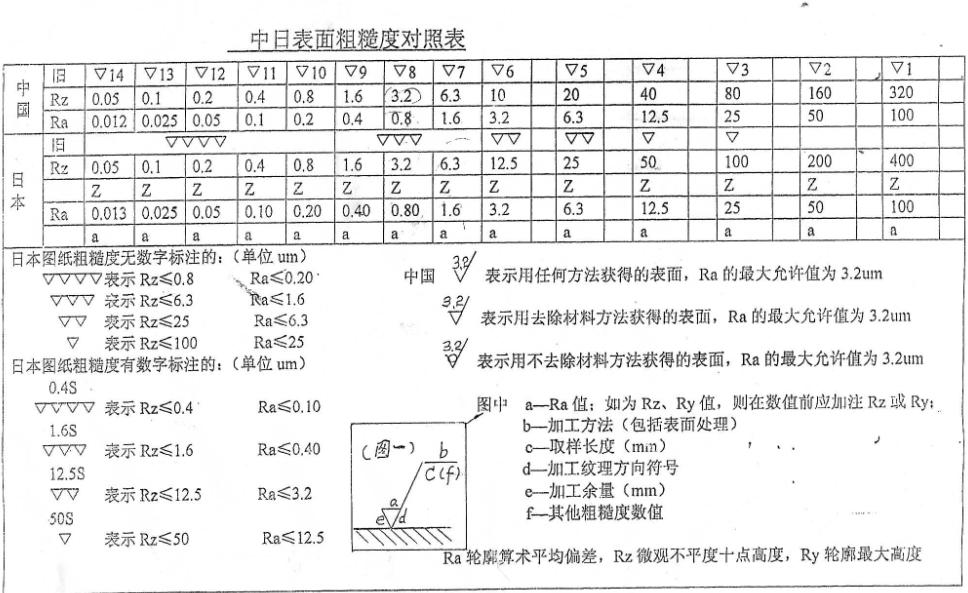
中日对照表
1.jpg

评分

参与人数 1三维币 +2 收起 理由
天际孤帆 + 2 应助

查看全部评分

 楼主| 发表于 2009-6-24 08:11:51 | 显示全部楼层 来自: LAN
感谢以上各位的回答。
发表于 2009-6-24 08:24:51 | 显示全部楼层 来自: 中国四川德阳
Ra12.5比较合适
发表于 2009-6-24 15:13:25 | 显示全部楼层 来自: 中国浙江温州
2楼和3楼的资料出自哪里哦?
发表于 2011-6-28 11:29:29 | 显示全部楼层 来自: 中国北京
谢谢!
+ x$ k2 ^7 {8 O/ H+ n  W2 X表面粗糙度:3-6S
/ b2 I$ q, [: D# B% u' `$ g; @( n对应Ra=0.8-1.6um
/ Z5 |5 j0 [% i! c$ g; ?不知道对不对?
发表回复
您需要登录后才可以回帖 登录 | 注册

本版积分规则

Licensed Copyright © 2016-2020 http://www.3dportal.cn/ All Rights Reserved 京 ICP备13008828号

小黑屋|手机版|Archiver|三维网 ( 京ICP备2023026364号-1 )

快速回复 返回顶部 返回列表