QQ登录

只需一步,快速开始

登录 | 注册 | 找回密码

三维网

 找回密码
 注册

QQ登录

只需一步,快速开始

展开

通知     

查看: 1309|回复: 5
收起左侧

[讨论] 挖掘机大泵斜盘位址

[复制链接]
发表于 2009-6-26 09:14:26 | 显示全部楼层 |阅读模式 来自: 中国山东济南

马上注册,结识高手,享用更多资源,轻松玩转三维网社区。

您需要 登录 才可以下载或查看,没有帐号?注册

x
本人主要从事路面机械接触的液压泵主要都是闭式系统,闭式系统液压泵斜盘在不工作时在中位,工作时由机械或电磁控制斜盘位址。现在对挖掘机大泵斜盘位址有些疑惑,在发动机熄火时液压泵斜盘应该最大供油位置,这样的话在启动发动机后斜盘还在最大供油位置吗?如果不的话斜盘是怎么控制的
发表于 2009-8-10 18:10:38 | 显示全部楼层 来自: 中国上海
真的很需要谢谢
发表于 2009-8-12 14:15:33 | 显示全部楼层 来自: 中国北京
要看什么系统
发表于 2009-8-13 10:29:15 | 显示全部楼层 来自: 中国辽宁本溪
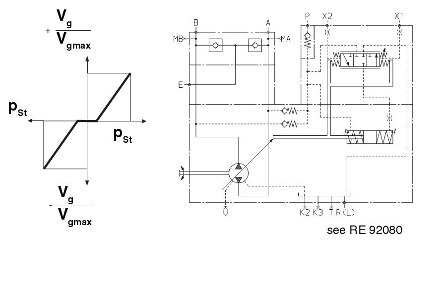
贴图为力士乐的A4VG闭式泵原理图。3 X4 m# {2 b& H& g
有请高手结合图讲解一下。& t; M0 X. X% P1 N5 k

0 N9 B( d. a3 {2 S5 Q( D[ 本帖最后由 bohaiyan 于 2009-8-13 10:38 编辑 ]
闭式图.JPG
发表于 2009-8-13 10:30:14 | 显示全部楼层 来自: 中国辽宁本溪
只是参与讨论。' M: ?' s  m) X! h4 W
闭式泵好象大多是双向的。
/ Q( k- w! G, @) L/ J/ u1 K9 `0 M9 H零位时,斜盘应该是零摆角。见帖图。
闭式泵.JPG
发表于 2009-8-13 11:23:49 | 显示全部楼层 来自: 中国北京
A4VG 样本上说的很明白了,一般需要补油泵进行变更量控制和补充系统循环油液损失。图上应该是HD控制吧
发表回复
您需要登录后才可以回帖 登录 | 注册

本版积分规则


Licensed Copyright © 2016-2020 http://www.3dportal.cn/ All Rights Reserved 京 ICP备13008828号

小黑屋|手机版|Archiver|三维网 ( 京ICP备2023026364号-1 )

快速回复 返回顶部 返回列表