QQ登录

只需一步,快速开始

登录 | 注册 | 找回密码

三维网

 找回密码
 注册

QQ登录

只需一步,快速开始

展开

通知     

查看: 1241|回复: 3
收起左侧

[讨论] 请各位帮忙分析一下这个液控锁是否多余

[复制链接]
发表于 2009-7-8 15:24:39 | 显示全部楼层 |阅读模式 来自: 中国北京

马上注册,结识高手,享用更多资源,轻松玩转三维网社区。

您需要 登录 才可以下载或查看,没有帐号?注册

x
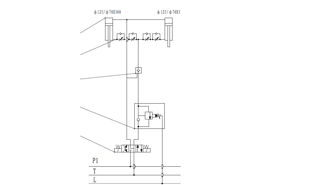
如题,一个锁和顺序阀共同锁紧油缸有杆腔,防止油缸下滑。, Y- o6 K( C  r: p6 S8 b

" K9 u" k) `4 V0 K/ M7 C: U* O[ 本帖最后由 zlh-2002 于 2009-7-8 15:38 编辑 ]
未命名.JPG

平衡阀.pdf

10.7 KB, 下载次数: 5

发表于 2009-7-8 15:32:01 | 显示全部楼层 来自: 中国内蒙古呼和浩特
个人理解,是可以的,我在实际工作中采取过这样的回路,但有一点,我觉的你的平衡阀应该放在液压锁和油缸之间,液压锁的下腔最好不要有太大的背压,另外一点,在垂直的系统中,平衡阀用来平衡工件自重,防止超速下滑,而液压锁所起的作用是在油缸停止工作后,在任意位置可靠锁紧,因此所起的作用是俊然不同的.当然平衡阀也可以起到锁紧的作用,但时间长了,由于其结构上属于滑阀会产生泄露,油缸位置会发生改变,另外希望你能把你的详细原理图发上来,便于大家分析
 楼主| 发表于 2009-7-8 15:43:48 | 显示全部楼层 来自: 中国北京
非常感谢,现在我调试的时候总存在油缸下滑现象,这时油缸已被锁住我感觉可能是T口背压大的原因。
发表于 2009-7-8 16:01:44 | 显示全部楼层 来自: 中国内蒙古呼和浩特
你说的非常有道理,T口不能有背压,不能接回油过滤器,最好直接回油箱,否则锁不紧
发表回复
您需要登录后才可以回帖 登录 | 注册

本版积分规则


Licensed Copyright © 2016-2020 http://www.3dportal.cn/ All Rights Reserved 京 ICP备13008828号

小黑屋|手机版|Archiver|三维网 ( 京ICP备2023026364号-1 )

快速回复 返回顶部 返回列表