QQ登录

只需一步,快速开始

登录 | 注册 | 找回密码

三维网

 找回密码
 注册

QQ登录

只需一步,快速开始

展开

通知     

全站
6天前
查看: 2376|回复: 11
收起左侧

[讨论] 螺纹插装阀三维图绘制

[复制链接]
发表于 2009-7-13 19:56:03 | 显示全部楼层 |阅读模式 来自: 中国内蒙古呼和浩特

马上注册,结识高手,享用更多资源,轻松玩转三维网社区。

您需要 登录 才可以下载或查看,没有帐号?注册

x
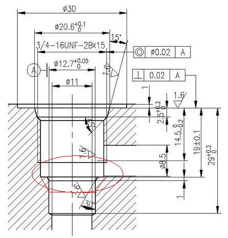
大家好,请教问题如下:
3 {: c! u& m: e( \6 ~% T0 \* w/ B3 j+ L4 X
1/本人在看宁波海宏螺纹插装阀样本的时候,发现其样本的阀本身提供的尺寸不全,所以想准确的化其三维模型是没有办法完成的,不知道大家对此类问题是如何处理的?
/ ^- U! ]3 \8 ]1 L# I6 |5 H2/对于一些插装孔,我想通过三维打孔的方式,但是完成难度较大,大家一般是怎么做的/?0 b  m2 X' T) D
   如图所示,插装孔如何通过solidworks或其它三维软件绘制立体图呢?
1 K7 O. r4 t5 t0 K* {" N2 o6 P) a  尤其图中红色的地方,还有就是螺纹底孔应该有钻头孔阿,怎么到此就没有了红色的斜线了呢?
& A  ~# B: L! @2 H" t
3 ?- ~* L- r. q$ ~! y问题弱,希望大家帮助分析
12.jpg
 楼主| 发表于 2009-7-13 20:10:37 | 显示全部楼层 来自: 中国内蒙古呼和浩特
在线等待中
发表于 2009-7-13 20:32:20 | 显示全部楼层 来自: 中国湖北孝感
希望厂家能提供元件的三维图形就好了
发表于 2009-7-13 22:14:45 | 显示全部楼层 来自: 中国山西太原
可能和加工工艺有关
 楼主| 发表于 2009-7-13 22:36:00 | 显示全部楼层 来自: 中国内蒙古呼和浩特
感谢楼主们
发表于 2009-7-14 13:16:45 | 显示全部楼层 来自: 中国浙江宁波

螺纹是平底的

该插孔螺纹是平底的,然后30底是为了O型圈容易引入的。
插孔.gif
 楼主| 发表于 2009-7-14 19:58:59 | 显示全部楼层 来自: 中国内蒙古呼和浩特
感谢楼主,楼主是则么用三维软件做的这个孔
发表于 2009-7-14 20:55:46 | 显示全部楼层 来自: 中国江苏常州
用CAD画个图放到块上一旋转即可
发表于 2009-7-17 21:44:02 | 显示全部楼层 来自: 中国北京
做特征库的话好象还是多次拉伸方便调用.
 楼主| 发表于 2009-7-19 13:35:55 | 显示全部楼层 来自: 中国内蒙古呼和浩特
请您详细说说,谢谢
发表于 2009-7-21 11:01:00 | 显示全部楼层 来自: 中国广东深圳
平底的孔可以用铣刀或者平底钻来加工的.精度得用铰刀来保证了.
发表于 2009-7-23 20:22:09 | 显示全部楼层 来自: 中国广东东莞
图纸底孔有一个19的尺寸有正负0.1mm的公差要求,同时3/4螺纹有底径为了更好的保证,需要精加工内孔,所以就有了平底台阶。适当的加工工艺下是可以做的了。而且这类孔加工,好像还有专门的成形刀具呢。至于缺少的尺寸,楼主可以查询一下威格士的样本,有同样的阀的。国内的东西在有些方面本身就做不好,自已都做不好,怎么叫客户有信心?呵呵,面子是自已挣的,不是别人给的。
发表回复
您需要登录后才可以回帖 登录 | 注册

本版积分规则

Licensed Copyright © 2016-2020 http://www.3dportal.cn/ All Rights Reserved 京 ICP备13008828号

小黑屋|手机版|Archiver|三维网 ( 京ICP备2023026364号-1 )

快速回复 返回顶部 返回列表