QQ登录

只需一步,快速开始

登录 | 注册 | 找回密码

三维网

 找回密码
 注册

QQ登录

只需一步,快速开始

展开

通知     

查看: 4322|回复: 29
收起左侧

[求助] 油缸为什么动不了

[复制链接]
发表于 2009-7-17 18:46:58 | 显示全部楼层 |阅读模式 来自: 中国广东深圳

马上注册,结识高手,享用更多资源,轻松玩转三维网社区。

您需要 登录 才可以下载或查看,没有帐号?注册

x
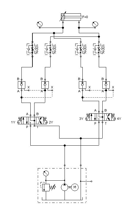
各位大师:
/ A; z2 M" r0 ~      在下有礼了。
( q' b3 P1 o# h      有个问题要向各位请教一下。如图
! D0 L, Y; T; P! Z      两个电磁阀,不论是哪一个通电,油缸都只能出不能进,是为什么?还请各位给指点一二。0 @0 N1 N3 {/ a
, r7 G$ g) c: O& v
                              谢谢。 a.JPG
发表于 2009-7-17 19:16:03 | 显示全部楼层 来自: 中国北京
背压大?液压锁关不了?
发表于 2009-7-17 22:54:02 | 显示全部楼层 来自: 中国四川成都
双向通电都是伸出?
发表于 2009-7-17 23:30:35 | 显示全部楼层 来自: 中国河南南阳
查一下油缸是不是有内泄漏。
发表于 2009-7-18 06:30:52 | 显示全部楼层 来自: 中国海南海口
有可能是缩回边液控单向活门有问题。
发表于 2009-7-18 09:40:55 | 显示全部楼层 来自: 中国山东青岛
请楼主将问题详细描述一下,有助于分析问题7 {2 a+ N! }' B3 P# g
1.回油油路不是直接接在油箱的吧?1 h7 j3 A- ]  B4 [+ `
2.工作压力等
发表于 2009-7-18 10:39:08 | 显示全部楼层 来自: 中国山西晋城
注意一下单向阀
发表于 2009-7-18 11:06:38 | 显示全部楼层 来自: 中国广东江门
是不是正好进的哪个单向节流阀关了?
发表于 2009-7-18 11:09:54 | 显示全部楼层 来自: 中国广东深圳
也许是单向节流阀开度太小了.
$ P7 b, h  B/ y我的图跟你的一样,我的系统动作正常啊
未命名.jpg

评分

参与人数 1三维币 +3 收起 理由
自流井 + 3 应助

查看全部评分

发表于 2009-7-18 11:14:17 | 显示全部楼层 来自: 中国广东深圳
如果单向节流阀没问题,,那就得检查液压锁了.
8 k9 [7 v0 d. G& S' A3 A其中一个换向阀得电,另外一个不得点,液压锁有问题的话,有杆腔建立不了压力,
3 L* R" w/ b# p6 F所以油缸不能回去了.,有杆腔压力正常吗?
 楼主| 发表于 2009-7-18 19:27:52 | 显示全部楼层 来自: 中国浙江杭州
谢谢各位大师
  u# x4 s8 I+ w) J回油直接回油箱,背压过大不存在.流量阀也调了,没用.我试了一下,把3C4的阀换成3C2的阀就能正常动作.实在想不通
发表于 2009-7-18 20:34:20 | 显示全部楼层 来自: 中国河北唐山
系统我认为问题不大,查一下是不是液压缸内泄?因为两腔作用面积不同,如果内泄的话无论哪个阀工作,都有可能伸出。这种故障我们这儿经常出现。
发表于 2009-7-18 20:51:32 | 显示全部楼层 来自: 中国辽宁鞍山

我做了一个仿真能正常的伸出和缩回呀

我做了一个仿真能正常的伸出和缩回呀
截图1.jpg

仿真视频.rar

1.12 MB, 下载次数: 28

评分

参与人数 1三维币 +3 收起 理由
自流井 + 3 这个不错,是什么软件做的呢?

查看全部评分

发表于 2009-7-18 21:20:37 | 显示全部楼层 来自: 中国山东威海
楼主请问:把3C4的阀换成3C2的阀就能正常动作,是什么阀。
发表于 2009-7-19 07:30:28 | 显示全部楼层 来自: 中国河南南阳
原帖由 yqy211515 于 2009-7-18 19:27 发表 http://www.3dportal.cn/discuz/images/common/back.gif
7 P4 Y4 o! n! t4 P谢谢各位大师& T/ p7 P" [* p/ d( D& o
回油直接回油箱,背压过大不存在.流量阀也调了,没用.我试了一下,把3C4的阀换成3C2的阀就能正常动作.实在想不通

0 s, `& k3 n1 d3 V) N3 ?" Q" B
) T) n7 f9 I0 f) G# i' k) S7 g把3C4的阀换成3C2的阀就能正常动作应该与你的油路连接或液压锁、3C4的阀的质量有关。
' p! f/ i3 Q2 r: w6 C- @! W; S7 f% f0 ~3 y& r% x
这个系统使用3C4机能的阀是正常的系统,不建议改为3C2。
发表于 2009-7-19 08:42:50 | 显示全部楼层 来自: 中国江苏无锡
3C4不能用,就这个阀分析,  是不是那个阀或者什么原因形成差动回路了,所以动不了   猜测的
 楼主| 发表于 2009-7-20 15:04:05 | 显示全部楼层 来自: 中国广东深圳
原帖由 9619 于 2009-7-19 07:30 发表 http://www.3dportal.cn/discuz/images/common/back.gif
: U+ R3 i+ n+ K# T# ^, ]0 ^0 K6 {5 N$ W7 R: R- _
/ L5 b# W$ e& B' m3 b9 \' ?
把3C4的阀换成3C2的阀就能正常动作应该与你的油路连接或液压锁、3C4的阀的质量有关。
) h- q7 y7 S8 y6 w. A. _7 B6 P7 N5 t. l6 |0 U( \' c0 y
这个系统使用3C4机能的阀是正常的系统,不建议改为3C2。
& L( Z, m" b  P
该系统正常使用应该是3C4,不应为3C2。该 油路中所有液压元件都是VICKERS的阀。不应有什么问题。
发表于 2009-7-20 20:13:40 | 显示全部楼层 来自: 中国河南濮阳
原帖由 yqy211515 于 2009-7-20 15:04 发表 http://www.3dportal.cn/discuz/images/common/back.gif
4 ~5 A# [: H4 O) J1 s2 Q9 U) v0 A/ k. K& \- H* Y+ g% t* M. J8 x
该系统正常使用应该是3C4,不应为3C2。该 油路中所有液压元件都是VICKERS的阀。不应有什么问题。

# D" W4 N/ {# S7 K- m2 M7 e- l" p
请注意4#楼、16#楼:个人感觉应该是差动形成的这种现象。
发表于 2009-7-23 17:14:06 | 显示全部楼层 来自: 中国广东深圳
等了几天,楼主没找出原因吗?
7 o1 a2 b) E* T5 y3 |- j既然换了O型的阀就能动作,那就说明楼主的电磁阀得电顺序不对,( G% L# t+ ~" E. H
可能是压力油直接回油箱了.O型的不得点时,能建立起压力啊.所以就能回去了
发表于 2009-7-24 00:27:26 | 显示全部楼层 来自: 中国北京
检查一下节流阀和单向阀
发表于 2009-7-24 08:57:33 | 显示全部楼层 来自: 中国安徽合肥
中位机能有无问题啊,是不是受另一阀的影响,楼上那个做视频的兄弟,你是怎么弄的啊??????什么软件讲讲色
发表于 2009-7-24 10:01:19 | 显示全部楼层 来自: 中国上海
做视频的  是用的festo的 液压仿真软件   感觉不是太实用
发表于 2009-7-24 18:31:42 | 显示全部楼层 来自: 中国江苏淮安
注意一下单向阀
发表于 2009-7-24 23:18:33 | 显示全部楼层 来自: 中国江苏镇江
检查一下活塞无杆侧密封
发表于 2009-7-25 10:42:08 | 显示全部楼层 来自: 中国山东烟台
从原理图上看,不应采用3C2阀,阀芯有没有卡住现象?另外看一下油缸的内泄问题,内泄大了,由于面积差产生压力差,所以只能向前走。至于换了3C2以后就好用了,还需要观察,如果真的好用,说明油缸的内泄问题不大,还是换回3C4阀再试一下。
发表回复
您需要登录后才可以回帖 登录 | 注册

本版积分规则


Licensed Copyright © 2016-2020 http://www.3dportal.cn/ All Rights Reserved 京 ICP备13008828号

小黑屋|手机版|Archiver|三维网 ( 京ICP备2023026364号-1 )

快速回复 返回顶部 返回列表