QQ登录

只需一步,快速开始

登录 | 注册 | 找回密码

三维网

 找回密码
 注册

QQ登录

只需一步,快速开始

展开

通知     

全站
6天前
查看: 1861|回复: 7
收起左侧

[求助] 请教各位什么是开心式的液压系统

[复制链接]
发表于 2009-7-22 17:15:24 | 显示全部楼层 |阅读模式 来自: 中国甘肃金昌

马上注册,结识高手,享用更多资源,轻松玩转三维网社区。

您需要 登录 才可以下载或查看,没有帐号?注册

x
什么是开心式液压系统
发表于 2009-7-22 19:55:02 | 显示全部楼层 来自: 中国山西大同
三通压力补偿阀加定量泵
头像被屏蔽
发表于 2009-7-23 08:32:36 | 显示全部楼层 来自: 中国江苏无锡
提示: 作者被禁止或删除 内容自动屏蔽
发表于 2009-7-23 09:54:11 | 显示全部楼层 来自: 美国
多路阀阀芯在中位是通油箱的。
 楼主| 发表于 2009-7-23 09:58:00 | 显示全部楼层 来自: 中国甘肃金昌

回复 4# UGC 的帖子

和我当初想的一样,也就是说它是阀中位机能的一种形式! :)
发表于 2009-7-23 11:25:37 | 显示全部楼层 来自: 中国安徽滁州
我也不知道,楼上各位大侠能解释的详细一点吗?谢谢!
发表于 2009-7-23 16:30:07 | 显示全部楼层 来自: 英国
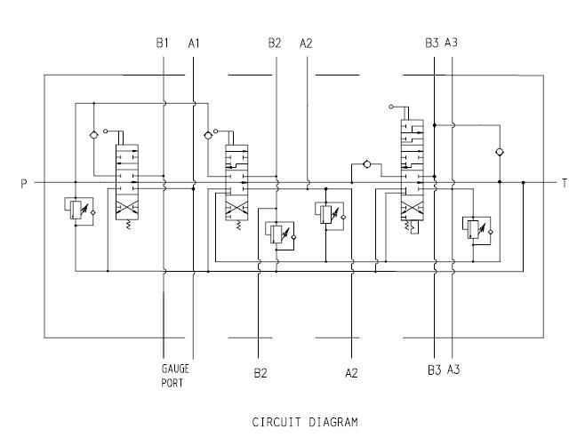
这个阀的原理就是开芯的,各阀杆处于中立位时,泵打出的油直接回油箱,由于是定量泵,所以这种系统不是很节能。 开芯阀.JPG
发表于 2009-7-23 18:07:36 | 显示全部楼层 来自: 中国四川成都
开中心也可以使用变量泵,它又可以分为正控制和负控制
发表回复
您需要登录后才可以回帖 登录 | 注册

本版积分规则

Licensed Copyright © 2016-2020 http://www.3dportal.cn/ All Rights Reserved 京 ICP备13008828号

小黑屋|手机版|Archiver|三维网 ( 京ICP备2023026364号-1 )

快速回复 返回顶部 返回列表