QQ登录

只需一步,快速开始

登录 | 注册 | 找回密码

三维网

 找回密码
 注册

QQ登录

只需一步,快速开始

展开

通知     

查看: 1460|回复: 4
收起左侧

[求助] 大家帮忙看一下这个管路是怎么连接的啊?

[复制链接]
发表于 2009-7-24 14:33:15 | 显示全部楼层 |阅读模式 来自: 中国北京

马上注册,结识高手,享用更多资源,轻松玩转三维网社区。

您需要 登录 才可以下载或查看,没有帐号?注册

x
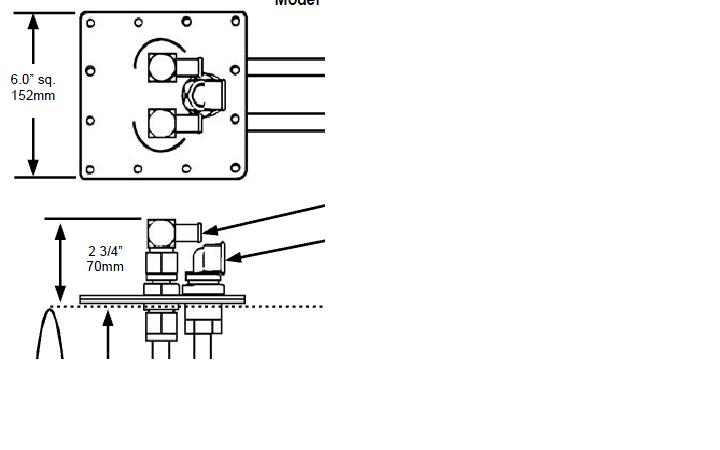
请各位高手帮忙看一下这个管路是怎么连接啊,这个件在哪里可以买到啊,有知道的说一下,谢谢!
未命名1.JPG
未命名.JPG
发表于 2009-7-26 23:02:55 | 显示全部楼层 来自: 中国辽宁大连
卡套式?
0 G8 b1 V* q8 z6 m8 ^/ P8 i; d( w如果是卡套式的话我记得PARKER有这种卡套式接头 不过很贵 听说那一个东西好像得一百多 但是密封超好!

评分

参与人数 1三维币 +2 收起 理由
柠檬咖啡 + 2 积极应助

查看全部评分

发表于 2009-7-26 23:42:40 | 显示全部楼层 来自: 中国湖北孝感
就是普通的铰接式管接头
发表于 2009-7-27 09:33:30 | 显示全部楼层 来自: 中国河北沧州
应该是卡套式的接头,件7应该是卡套
发表于 2009-7-27 09:45:01 | 显示全部楼层 来自: 中国辽宁沈阳
同感,应该是卡套式的接头,件7应该是卡套,8是螺母
发表回复
您需要登录后才可以回帖 登录 | 注册

本版积分规则


Licensed Copyright © 2016-2020 http://www.3dportal.cn/ All Rights Reserved 京 ICP备13008828号

小黑屋|手机版|Archiver|三维网 ( 京ICP备2023026364号-1 )

快速回复 返回顶部 返回列表