QQ登录

只需一步,快速开始

登录 | 注册 | 找回密码

三维网

 找回密码
 注册

QQ登录

只需一步,快速开始

展开

通知     

全站
6天前
查看: 1765|回复: 9
收起左侧

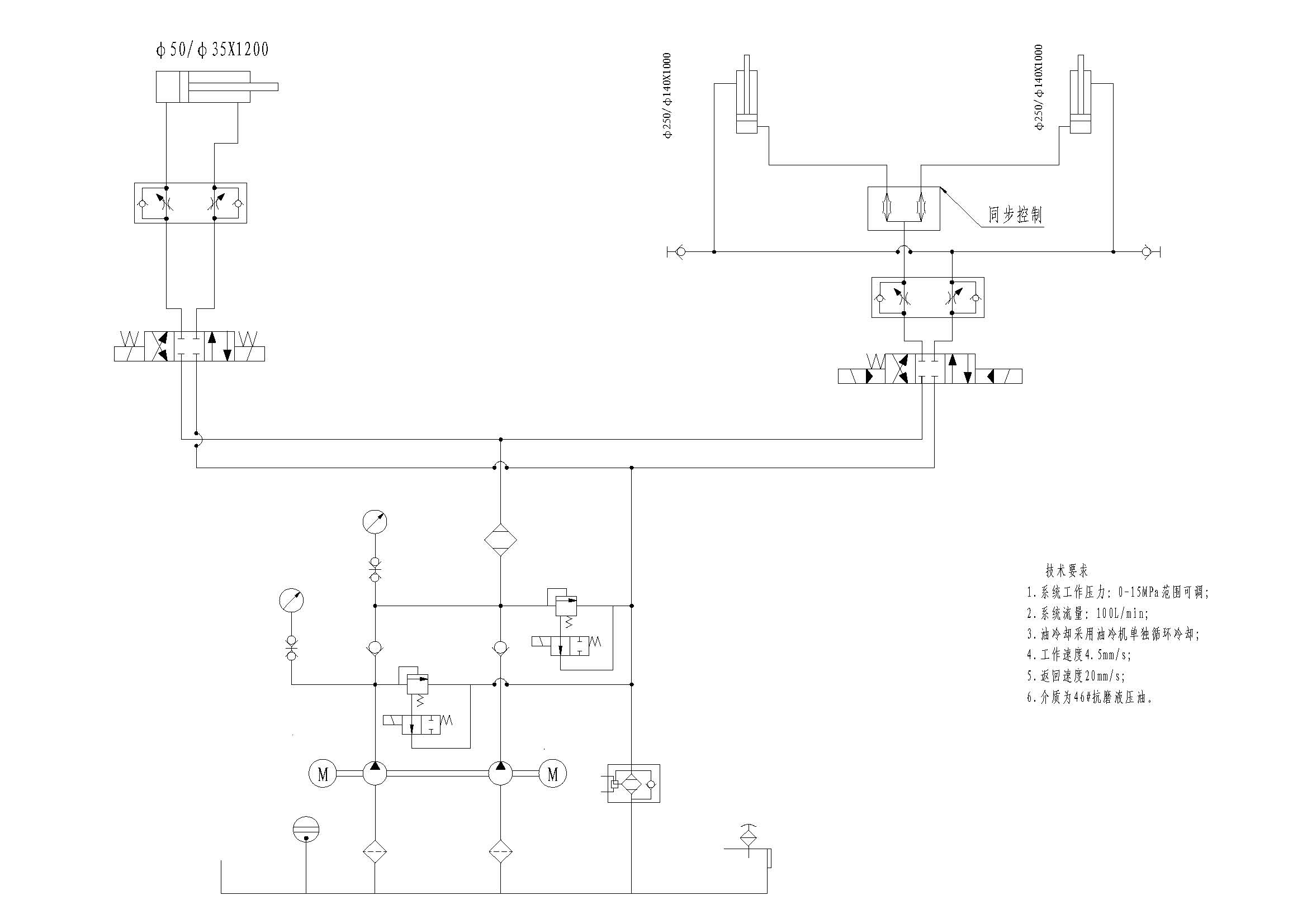
[求助] 刚画的原理图,大家给个意见吧

[复制链接]
发表于 2009-7-27 12:54:18 | 显示全部楼层 |阅读模式 来自: 中国北京

马上注册,结识高手,享用更多资源,轻松玩转三维网社区。

您需要 登录 才可以下载或查看,没有帐号?注册

x
方案一:采用双联泵,高低压的。6 r) y, V" Y9 \4 X9 v' H- B0 u" I: t' y
方案二:采用两个单泵,也是高低压的。2 N7 {6 C4 J0 z: {2 k0 w
之所以这样,主要是为了节能考虑。
原理图111.jpg
发表于 2009-7-27 15:34:09 | 显示全部楼层 来自: 中国广东广州
鉴定完毕,进油节流?  同步用同步阀么 ?  我用过同步阀调节时同步不是很好,精度不是很高 !; [' G% R% ]6 A% u$ C

. }: P& T) G! ]( D7 w! |. [1 o, k* i/ B9 n1 U
如果同步要求不高,你搞两个节流阀 调节下也可以同步拉!! 同步阀可有点贵哦
发表于 2009-7-27 19:27:38 | 显示全部楼层 来自: 中国湖南长沙
高低压溢流这一块可以改进,用那么多电磁阀干嘛
发表于 2009-7-27 20:35:30 | 显示全部楼层 来自: 中国河北唐山
节能可以考虑使用变量泵,另双联泵可以选用卸荷阀。
发表于 2009-7-27 20:53:15 | 显示全部楼层 来自: 中国辽宁沈阳
压力表前面的阀没看懂,溢流阀不能自动溢流。也就是不能起到溢流的作用。另外系统不能实现自动节能,要靠手动,而没有何时手动的依据。乱说的,听听就算了。
发表于 2009-7-29 01:18:37 | 显示全部楼层 来自: 中国江苏扬州

回复 1# zlh-2002 的帖子

双动力?双联泵?3 j6 d+ I$ A# Z
压力可调0~15,为何要用电磁阀?能实现?
发表于 2009-7-29 22:19:20 | 显示全部楼层 来自: 中国湖北鄂州
把两个溢流阀换成一个电磁卸荷阀块不行吗?
发表于 2009-7-30 21:33:29 | 显示全部楼层 来自: 中国广东惠州
建议选用方案一
+ c# B, Q/ B! ?单电机带双联泵省地方& ^5 Y4 h; C! r( Y
按照lz的原理双泵同时工作应该是快速靠模的动作  _% T3 W$ ]* D! P3 e0 D3 q; p
工进速度的时候应该增加一个压力继电器来发讯,卸掉左边的泵。这样电机的功率就可以按照工作泵的输出功率来算了,达到节能目的
发表于 2009-7-30 22:16:43 | 显示全部楼层 来自: 中国内蒙古呼和浩特
建议采用回油节流方式,运动平稳
发表于 2009-7-30 23:19:35 | 显示全部楼层 来自: 中国广东深圳
系统总的流量100L/MIN,搞电气缷荷阀吗?
9 B. H4 W" L7 {: x. m/ G' m要比一般的贵个几千块,当然,国产的我不知道价格4 o  V$ w# R8 \6 m$ J/ d4 L4 |
查下样本再把这个图改下吧,这样液压站的成本还可再降
  E$ h) Q5 O- E$ ]* {/ N不知道用途如何,一般工业用最好还是使用叠加形式的。
发表回复
您需要登录后才可以回帖 登录 | 注册

本版积分规则

Licensed Copyright © 2016-2020 http://www.3dportal.cn/ All Rights Reserved 京 ICP备13008828号

小黑屋|手机版|Archiver|三维网 ( 京ICP备2023026364号-1 )

快速回复 返回顶部 返回列表