QQ登录

只需一步,快速开始

登录 | 注册 | 找回密码

三维网

 找回密码
 注册

QQ登录

只需一步,快速开始

展开

通知     

查看: 1317|回复: 1
收起左侧

[求助] 关于液压系统的问题

[复制链接]
发表于 2009-7-28 08:46:02 | 显示全部楼层 |阅读模式 来自: 中国北京

马上注册,结识高手,享用更多资源,轻松玩转三维网社区。

您需要 登录 才可以下载或查看,没有帐号?注册

x
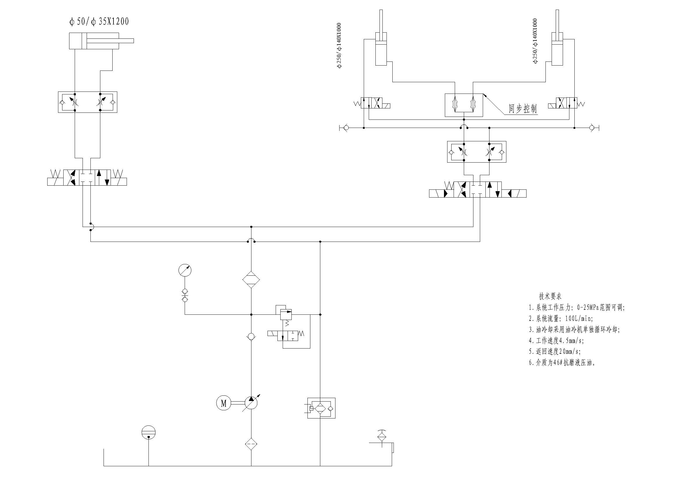
我想要进行节能,所以,选用差动回路进行快慢切换,同时,我不选冷却设备。另外,两条同步缸是水平放置工作的。$ p3 C) E. _* \+ }. U+ M  z) n
我准备选YCY的泵,请各位高人批评指正,谢!3 t4 o3 ]1 m. C& `8 l0 m* V6 m5 P" ~

0 C/ Z! O9 t$ w) g7 o3 ]8 r[ 本帖最后由 zlh-2002 于 2009-7-28 08:47 编辑 ]
555.jpg
发表于 2009-10-16 07:50:21 | 显示全部楼层 来自: 中国江苏南通
建议楼主上清晰点图
发表回复
您需要登录后才可以回帖 登录 | 注册

本版积分规则


Licensed Copyright © 2016-2020 http://www.3dportal.cn/ All Rights Reserved 京 ICP备13008828号

小黑屋|手机版|Archiver|三维网 ( 京ICP备2023026364号-1 )

快速回复 返回顶部 返回列表