QQ登录

只需一步,快速开始

登录 | 注册 | 找回密码

三维网

 找回密码
 注册

QQ登录

只需一步,快速开始

展开

通知     

查看: 1420|回复: 5
收起左侧

[讨论] 剖面视图问题

[复制链接]
发表于 2009-7-29 00:18:35 | 显示全部楼层 |阅读模式 来自: 中国广东广州

马上注册,结识高手,享用更多资源,轻松玩转三维网社区。

您需要 登录 才可以下载或查看,没有帐号?注册

x
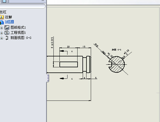
直接看图,不知为什么?
截屏1.jpg
截屏2.jpg
截屏3.jpg
 楼主| 发表于 2009-7-30 19:12:39 | 显示全部楼层 来自: 中国广东广州
自己顶一下,难道大家都没有遇到过。
发表于 2009-7-30 19:28:40 | 显示全部楼层 来自: 中国广东东莞
不知道楼主要说什么???
 楼主| 发表于 2009-7-30 19:32:54 | 显示全部楼层 来自: 中国广东广州
原帖由 lo709394 于 2009-7-30 19:28 发表 http://www.3dportal.cn/discuz/images/common/back.gif
  E2 t: @) k2 P/ r( F$ Q& u: a, ^不知道楼主要说什么???

4 R0 }) R, F. G$ I7 b就是剖面图的外圆不应该封闭
发表于 2009-7-30 19:43:20 | 显示全部楼层 来自: 中国四川成都
我在UG里出图的时候,如果没有把线条去掉,也会显示。你看看是否是你做的辅助线没有去掉?
发表于 2009-7-30 20:29:41 | 显示全部楼层 来自: 中国四川成都
sw的工程图剖视功能的确容易出一些问题,多试几次,或者该一下视图方向看看
发表回复
您需要登录后才可以回帖 登录 | 注册

本版积分规则


Licensed Copyright © 2016-2020 http://www.3dportal.cn/ All Rights Reserved 京 ICP备13008828号

小黑屋|手机版|Archiver|三维网 ( 京ICP备2023026364号-1 )

快速回复 返回顶部 返回列表