QQ登录

只需一步,快速开始

登录 | 注册 | 找回密码

三维网

 找回密码
 注册

QQ登录

只需一步,快速开始

展开

通知     

查看: 2033|回复: 11
收起左侧

[求助] 设计的原理图,差动的,给个意见

[复制链接]
发表于 2009-7-29 15:37:43 | 显示全部楼层 |阅读模式 来自: 中国北京

马上注册,结识高手,享用更多资源,轻松玩转三维网社区。

您需要 登录 才可以下载或查看,没有帐号?注册

x
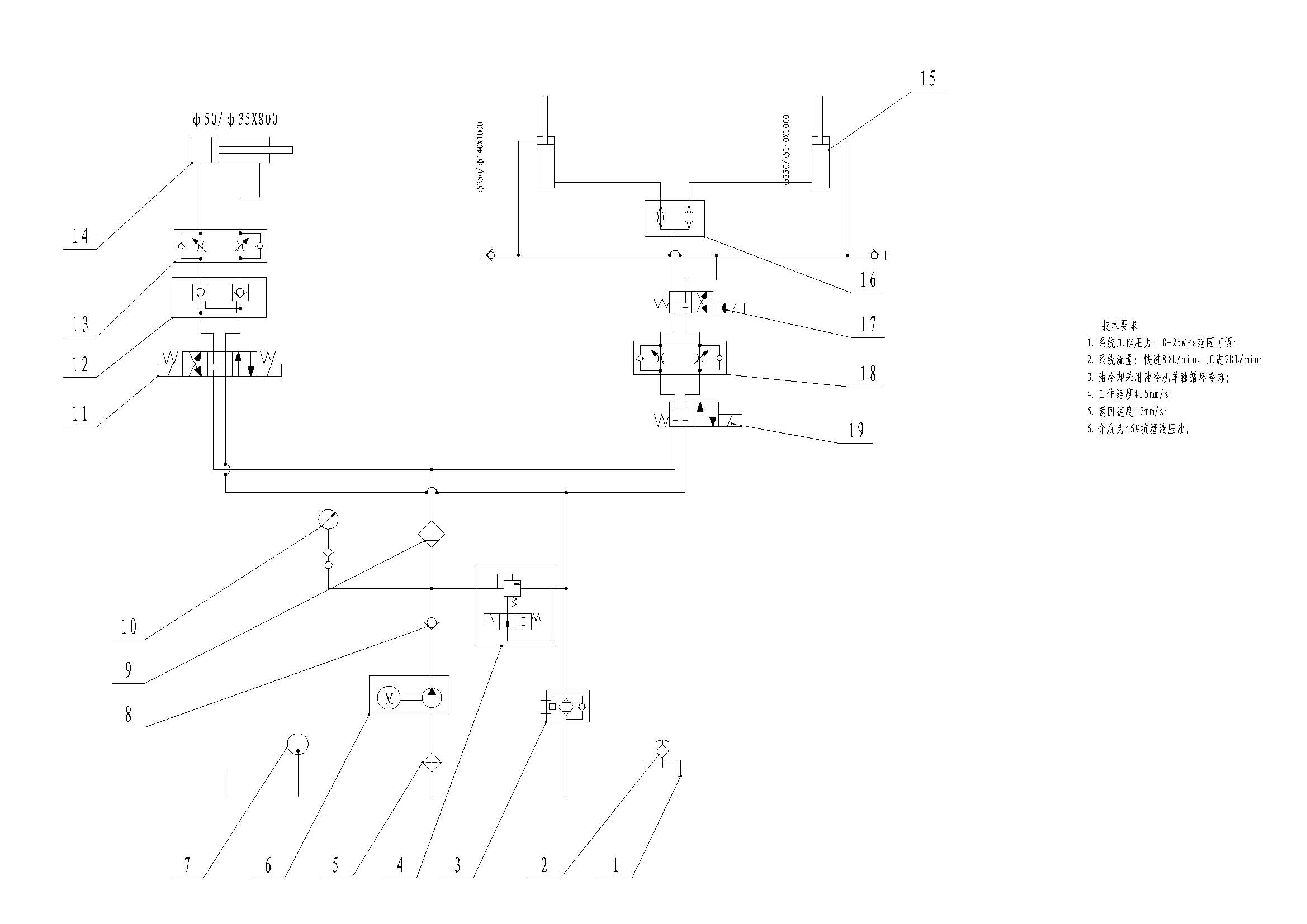
我主要考虑节能设计,所以,选用差动连接。5 x+ v! n% z/ h7 ?2 H. T1 G0 N% p
系统参数如下:系统压力23MPa,选40YCY+11KW  1500转的电机泵。
原理图-333.jpg
发表于 2009-7-29 15:53:52 | 显示全部楼层 来自: 中国辽宁沈阳
看不清楚啊!
发表于 2009-7-29 20:31:43 | 显示全部楼层 来自: 中国广东惠州
说实在的这个差动原理图看起来很怪,而且一旦按用上差动的话单缸输出力就不是0.785x250平方x23Mpa,这个输出力才是lz要注意的地方,同时差动并不是用来节能的。
 楼主| 发表于 2009-7-30 08:42:15 | 显示全部楼层 来自: 中国北京
各位认为该系统的功率不够吗?我算过实际使用功率10KW多一些。0 {5 }" D, H0 A: n
( p, H5 `" z$ D$ \; `2 C
[ 本帖最后由 zlh-2002 于 2009-7-30 08:58 编辑 ]
发表于 2009-7-30 09:08:37 | 显示全部楼层 来自: 中国内蒙古呼和浩特
差动是用来在泵源一定的情况下,进一步提高执行器的速度而来的,在某中程度上有节能的含义,原理图看起来没什么问题
发表于 2009-7-30 10:38:00 | 显示全部楼层 来自: 中国辽宁沈阳
当17失电时15差动快速伸出,而当17得电时15退回,同节能没有关系,有一个卸荷阀能保证卸荷,可溢流由谁来完成。即使是加了压力检测,也不能实现节能。
发表于 2009-7-30 12:45:08 | 显示全部楼层 来自: 中国
6楼说的比较有道理!我也这么认为。
发表于 2009-7-30 13:36:03 | 显示全部楼层 来自: 中国湖北武汉
差动可以减小泵的流量,就达到了节能的目的。
发表于 2009-7-31 22:00:57 | 显示全部楼层 来自: 中国广东惠州
原帖由 iashd 于 2009-7-30 13:36 发表 http://www.3dportal.cn/discuz/images/common/back.gif
1 f" \7 V+ h7 b4 T- y5 U8 P差动可以减小泵的流量,就达到了节能的目的。
' M: w! O/ N) L# [7 E* V! B) L
可压力要上去了。做的功是一样的。节能?表示怀疑。
发表于 2009-8-1 13:10:01 | 显示全部楼层 来自: 中国广东江门
实际上你是在损失了油缸出力的条件下,达到了你所谓的节能。实际上有没有节能呢。因为你现在15油缸的出力是没有不差动时力大的。所以是浪费了油缸。假如你现在的15油缸的力满足你的要求,那么在你不用差动的情况下,你的两只油缸内径是可以减小的,不必那么大。那么减小了油缸,实际上你的速度也就上去了。所以在这个原理图上,我觉得楼主还需要加多一个方向阀,来选择差动,在你快速移动时,用差动来走,在油缸负载大时,选择不用差动,那么油缸的力就大了,这样才合理。
发表于 2009-8-1 16:39:28 | 显示全部楼层 来自: 中国陕西咸阳
差动解决的是速度问题
发表于 2009-8-1 20:52:47 | 显示全部楼层 来自: 中国河南安阳
1、这个系统可以实现差动,但或许有问题。$ q+ G( p9 G7 p' }( Y& ?
2、系统的可以达到80L/Min的流量,所谓的工进流量值得再探讨(你是在快进回路状态下实现工进的吧 )。4 T, A$ o) M$ J: I& }& D9 Y, V8 h' A
3、系统的功率与你调整的曲线有关,11KW 够与不够,请按你实际调整的曲线计算即可。
发表回复
您需要登录后才可以回帖 登录 | 注册

本版积分规则


Licensed Copyright © 2016-2020 http://www.3dportal.cn/ All Rights Reserved 京 ICP备13008828号

小黑屋|手机版|Archiver|三维网 ( 京ICP备2023026364号-1 )

快速回复 返回顶部 返回列表