QQ登录

只需一步,快速开始

登录 | 注册 | 找回密码

三维网

 找回密码
 注册

QQ登录

只需一步,快速开始

展开

通知     

全站
4天前
查看: 1522|回复: 5
收起左侧

[已解决] 这种尺寸怎么标注?

[复制链接]
发表于 2009-8-7 16:40:02 | 显示全部楼层 |阅读模式 来自: 中国湖北十堰

马上注册,结识高手,享用更多资源,轻松玩转三维网社区。

您需要 登录 才可以下载或查看,没有帐号?注册

x
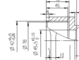
请问高手在工程图里这种尺寸怎么标注出来的
9 N0 |( B7 F. k,谢谢指教!圆42  78 65。
QQ截图未命名.jpg
发表于 2009-8-7 17:58:01 | 显示全部楼层 来自: 中国浙江台州
我只会一个比较笨的办法。( h+ b8 b0 |/ C# G2 [6 u( f
希望有高手能把更好的办法与大家分享1 g' F7 }: `. h4 n: m8 j# \* O2 i0 x
2009-08-07_175608.gif

评分

参与人数 1三维币 +2 收起 理由
beyond2009 + 2 应助

查看全部评分

发表于 2009-8-7 18:07:18 | 显示全部楼层 来自: 中国江苏无锡
你加入公差就好了
发表于 2009-8-7 19:59:10 | 显示全部楼层 来自: 中国河北沧州
 楼主| 发表于 2009-8-8 07:31:42 | 显示全部楼层 来自: 中国湖北十堰
非常感谢各位大侠!受教了!
发表于 2009-8-8 08:55:44 | 显示全部楼层 来自: 中国黑龙江哈尔滨
好像用到插入基线了,具体可以搜索下,这个问题论坛上很多人问过的。
发表回复
您需要登录后才可以回帖 登录 | 注册

本版积分规则

Licensed Copyright © 2016-2020 http://www.3dportal.cn/ All Rights Reserved 京 ICP备13008828号

小黑屋|手机版|Archiver|三维网 ( 京ICP备2023026364号-1 )

快速回复 返回顶部 返回列表