QQ登录

只需一步,快速开始

登录 | 注册 | 找回密码

三维网

 找回密码
 注册

QQ登录

只需一步,快速开始

展开

通知     

全站
4天前
查看: 2419|回复: 6
收起左侧

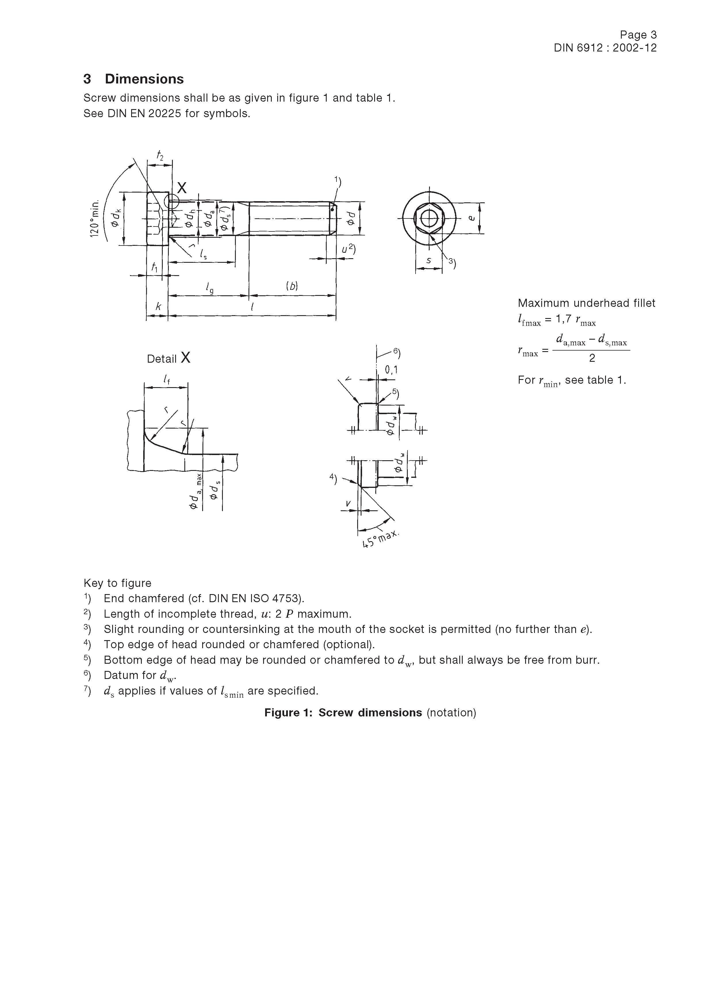
[已答复] DIN 7984和DIN 6912螺钉

[复制链接]
发表于 2009-8-17 22:20:32 | 显示全部楼层 |阅读模式 来自: 中国上海

马上注册,结识高手,享用更多资源,轻松玩转三维网社区。

您需要 登录 才可以下载或查看,没有帐号?注册

x
是否有GB与DIN 7984和DIN 6912对应?, t7 j" I+ u  L7 Q" H8 J9 C% G
这种螺栓我们叫什么名字?薄型内六角圆柱头螺钉?低帽内六角圆柱头螺钉?# }; y3 x5 N# _! d% e$ I
谢谢!
DIN 7984.jpg
DIN 6912.jpg
 楼主| 发表于 2009-8-17 22:31:42 | 显示全部楼层 来自: 中国上海
同上,还有DIN 464
DIN 464.jpg
 楼主| 发表于 2009-8-17 22:33:43 | 显示全部楼层 来自: 中国上海
DIN 988像碟簧还是平垫?
DIN 988.jpg
DIN 988_1.jpg
发表于 2010-6-20 14:18:43 | 显示全部楼层 来自: 中国天津
我也很想名知道!正需要这种螺钉,查到国内有生产的成品。
发表于 2010-7-8 14:49:06 | 显示全部楼层 来自: 中国四川德阳
现在国内有直接生产DIN标准的厂家,无需换成国内标准了。

评分

参与人数 1三维币 +2 收起 理由
天际孤帆 + 2 鼓励交流

查看全部评分

发表于 2010-8-1 01:05:32 | 显示全部楼层 来自: 中国山东青岛
肯定有,看看BOSSARD或WURTH两个公司,他们家里面应该会有这些螺栓的.
- R$ J( q2 M# s3 [5 Z# E0 ?. v" C我是记不得标准了

评分

参与人数 1三维币 +2 收起 理由
天际孤帆 + 2 鼓励交流

查看全部评分

发表于 2010-8-18 17:59:00 | 显示全部楼层 来自: 中国广东深圳
http://cadenas.partcommunity.com/PARTcommunity/Portal/cadenas
- Z* o* ], G4 M0 W$ H# x- y- M  P  O里面搜索一下,应该能找到
发表回复
您需要登录后才可以回帖 登录 | 注册

本版积分规则

Licensed Copyright © 2016-2020 http://www.3dportal.cn/ All Rights Reserved 京 ICP备13008828号

小黑屋|手机版|Archiver|三维网 ( 京ICP备2023026364号-1 )

快速回复 返回顶部 返回列表