QQ登录

只需一步,快速开始

登录 | 注册 | 找回密码

三维网

 找回密码
 注册

QQ登录

只需一步,快速开始

展开

通知     

全站
6天前
查看: 1362|回复: 0
收起左侧

[分享] 焊接式管接头

[复制链接]
发表于 2009-8-19 16:56:57 | 显示全部楼层 |阅读模式 来自: 中国云南昆明

马上注册,结识高手,享用更多资源,轻松玩转三维网社区。

您需要 登录 才可以下载或查看,没有帐号?注册

x
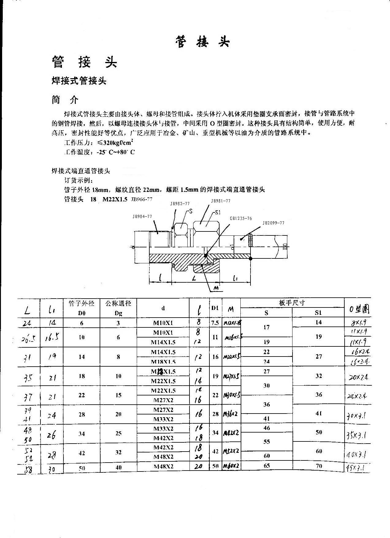
主要是结构尺寸,有一些尺寸是很难查到的,个人整理。  g6 T# f9 W) P' `5 M8 v1 p
端直通.jpg 3 G) P2 d1 d) L* S% ?/ f3 e
8 {9 q4 K0 ]& Q' l, z
以下是各种焊接式管接头的结构尺寸
7 ^7 D1 o9 N% p. g! p) {  |' U1 {5 @8 o- z, `3 n
焊接式管接头.rar (933.12 KB, 下载次数: 22)
发表回复
您需要登录后才可以回帖 登录 | 注册

本版积分规则

Licensed Copyright © 2016-2020 http://www.3dportal.cn/ All Rights Reserved 京 ICP备13008828号

小黑屋|手机版|Archiver|三维网 ( 京ICP备2023026364号-1 )

快速回复 返回顶部 返回列表