QQ登录

只需一步,快速开始

登录 | 注册 | 找回密码

三维网

 找回密码
 注册

QQ登录

只需一步,快速开始

展开

通知     

全站
10天前
查看: 2285|回复: 1
收起左侧

[求助] 制造工程师中导动除料时为什么要把变小才会除料成功

[复制链接]
发表于 2009-8-19 21:48:54 | 显示全部楼层 |阅读模式 来自: 中国广东深圳

马上注册,结识高手,享用更多资源,轻松玩转三维网社区。

您需要 登录 才可以下载或查看,没有帐号?注册

x
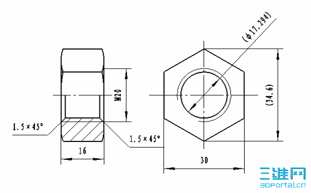
我在做内螺纹时用导动除料时要把等边三角形变小才可以生成实体,不变小则特征生成失败?请问为什么会这样?附加我画的图:/ s* h6 o+ Y( a) |$ a5 u3 X$ ?
: t( b3 s" f; w0 P: }- p& O+ q
[ 本帖最后由 LJH1234 于 2009-8-19 21:53 编辑 ]
图片1.png
图片1.png
2.JPG
发表于 2009-8-24 21:38:08 | 显示全部楼层 来自: 中国江苏镇江
自交或是在导动后可能生成两个不相连的实体部分都会报错。
发表回复
您需要登录后才可以回帖 登录 | 注册

本版积分规则


Licensed Copyright © 2016-2020 http://www.3dportal.cn/ All Rights Reserved 京 ICP备13008828号

小黑屋|手机版|Archiver|三维网 ( 京ICP备2023026364号-1 )

快速回复 返回顶部 返回列表