QQ登录

只需一步,快速开始

登录 | 注册 | 找回密码

三维网

 找回密码
 注册

QQ登录

只需一步,快速开始

展开

通知     

goto3d 说: 在线网校重磅上线MC2022&Inventor2022全新课程,虞为民老师、大表哥同事精彩讲解,快去围观!
2021-06-25
查看: 2176|回复: 17
收起左侧

[已解决] proe如何画此图

[复制链接]
发表于 2009-8-22 17:57:55 | 显示全部楼层 |阅读模式 来自: 中国广东江门

马上注册,结识高手,享用更多资源,轻松玩转三维网社区。

您需要 登录 才可以下载或查看,没有帐号?注册

x
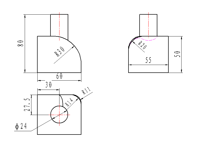
请问在proe中如何画此图,能详细步骤就最好
9.jpg
 楼主| 发表于 2009-8-22 17:59:27 | 显示全部楼层 来自: 中国广东江门
请帮帮忙。。
发表于 2009-8-22 18:13:43 | 显示全部楼层 来自: 中国湖北随州
我画还有点难度,帮你顶一下。
发表于 2009-8-22 18:49:26 | 显示全部楼层 来自: 中国广东深圳
原帖由 huanghuanzheng 于 2009-8-22 17:59 发表 http://www.3dportal.cn/discuz/images/common/back.gif
6 F5 S( {; l8 W0 l9 g3 ]6 D5 U3 S! l请帮帮忙。。

, Z. E4 y& t6 {, X7 I* b0 l4 C* k  e* o' n3 P  K2 Q: B
" y* W$ l9 l0 o0 L
呵呵,我只能画成这个样子,是不是那个2D图有问题啊
112.JPG

评分

参与人数 1三维币 +5 收起 理由
wz_111 + 5 应助

查看全部评分

发表于 2009-8-22 19:21:26 | 显示全部楼层 来自: 中国湖北武汉
是画三维还是工程图哦?
发表于 2009-8-22 21:50:15 | 显示全部楼层 来自: 中国广东广州
.........
发表于 2009-8-22 23:04:05 | 显示全部楼层 来自: 中国安徽合肥
你的图是哪儿来的?好像有问题啊!* t6 Z& E/ Y5 x7 K$ g2 R' H. w
当然也有可能是我的水平不够。
' c! Q8 Y9 i$ @1 @: o. |5 R: G抱歉,帮不了你。
5 Z9 ]( R9 l; Q4 H 1414.jpg

评分

参与人数 1三维币 +2 收起 理由
wz_111 + 2 应助

查看全部评分

 楼主| 发表于 2009-8-23 00:46:26 | 显示全部楼层 来自: 中国广东江门
图应该是没有问题的。。但谢谢你!!呵呵。。
发表于 2009-8-23 09:47:46 | 显示全部楼层 来自: 中国浙江宁波
看看是不 是你要的 东西
25.JPG

评分

参与人数 1三维币 +5 收起 理由
wz_111 + 5 应助

查看全部评分

发表于 2009-8-23 10:11:17 | 显示全部楼层 来自: 中国广东中山
http://file:///E:/55可以了!你看看是不是这样!

Archive.rar

154.66 KB, 下载次数: 11

评分

参与人数 1三维币 +3 收起 理由
wz_111 + 3 应助

查看全部评分

发表于 2009-8-23 10:20:28 | 显示全部楼层 来自: 中国广东中山
呢个好D :lol: :lol: :lol: :lol:

8-23.rar

137.14 KB, 下载次数: 15

 楼主| 发表于 2009-8-23 11:12:51 | 显示全部楼层 来自: 中国广东江门
谢谢各位。。
发表于 2009-8-23 13:23:36 | 显示全部楼层 来自: 中国浙江宁波
wo 我画了个 应该是这样
发表于 2009-8-23 13:25:45 | 显示全部楼层 来自: 中国浙江宁波
哦 忘记上PART 其实就是在玩倒角 没什么
1.jpg

1.prt.rar

95.45 KB, 下载次数: 10

评分

参与人数 1三维币 +4 收起 理由
wz_111 + 4 应助

查看全部评分

发表于 2009-8-23 15:22:53 | 显示全部楼层 来自: 中国浙江台州
这图纸看的有点累啊,三维导出来的吗?
 楼主| 发表于 2009-8-23 15:33:11 | 显示全部楼层 来自: 中国广东江门
呵呵。。有意思。。
 楼主| 发表于 2009-8-23 15:33:46 | 显示全部楼层 来自: 中国广东江门
这个网真好,遇到不懂的问题能很快得到解决!!
发表于 2009-8-23 16:43:21 | 显示全部楼层 来自: 中国四川成都
还不错就是渐变圆角有点难度
发表回复
您需要登录后才可以回帖 登录 | 注册

本版积分规则

Licensed Copyright © 2016-2020 http://www.3dportal.cn/ All Rights Reserved 京 ICP备13008828号

小黑屋|手机版|Archiver|三维网 ( 京ICP备2023026364号-1 )

快速回复 返回顶部 返回列表