QQ登录

只需一步,快速开始

登录 | 注册 | 找回密码

三维网

 找回密码
 注册

QQ登录

只需一步,快速开始

展开

通知     

全站
9天前
查看: 3575|回复: 6
收起左侧

[已解决] YLD型凸缘联轴器轴向如何定位?

[复制链接]
发表于 2009-8-30 18:35:34 | 显示全部楼层 |阅读模式 来自: 中国黑龙江哈尔滨

马上注册,结识高手,享用更多资源,轻松玩转三维网社区。

您需要 登录 才可以下载或查看,没有帐号?注册

x
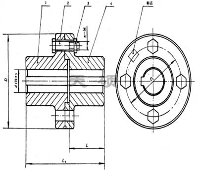
YLD型凸缘联轴器轴向如何定位?加紧定螺钉吗?没见过这样的,不知道有没有传统的方法?
8 c8 G2 @* ?8 \2 ^% q4 e! B  r5 a4 i yld.jpg 8 ]4 b- t8 R0 y3 u

, E2 f9 c' o; o: X/ D[ 本帖最后由 ahblag2009 于 2009-9-1 18:21 编辑 ]
发表于 2009-8-30 19:53:21 | 显示全部楼层 来自: 中国黑龙江哈尔滨
L1左右端面

评分

参与人数 1三维币 +2 收起 理由
虎强 + 2 技术讨论

查看全部评分

 楼主| 发表于 2009-8-31 08:18:09 | 显示全部楼层 来自: 中国黑龙江哈尔滨
楼上意思是说利用阶梯轴吗?那样的话,不好拆了吧。主要是查过很多资料,都没看见有轴向定位的。
发表于 2009-9-1 09:19:01 | 显示全部楼层 来自: 中国上海
连轴器一般只传递扭矩,靠键、螺栓和紧配合摩擦力传递,轴向不必定位。
, c; g7 S9 o3 X; n  W+ D: o8 y因为原动机和工作机之间的轴向尺寸的限制,连轴器不可能有太大的轴向位移。

评分

参与人数 1三维币 +2 收起 理由
虎强 + 2 技术讨论

查看全部评分

发表于 2009-9-1 10:52:50 | 显示全部楼层 来自: 中国云南昆明
轴向定位只能靠L1左右两端面。至于装拆的问题,不把电机或者另一端连接件拆开,联轴器是没法拆卸的。

评分

参与人数 1三维币 +2 收起 理由
虎强 + 2 技术讨论

查看全部评分

发表于 2009-9-1 14:38:06 | 显示全部楼层 来自: 中国山西太原
这种联轴器主是靠分别与其装配的轴肩将二者轴向定位。关于拆卸问题不管怎样轴向定位都存在,拆卸时只能看与两个半联轴器装配的部件哪个简单省事就拆那个。

评分

参与人数 1三维币 +2 收起 理由
虎强 + 2 应助

查看全部评分

 楼主| 发表于 2009-9-1 18:21:32 | 显示全部楼层 来自: 中国黑龙江哈尔滨
谢谢楼上的各位,明白了。我主要是没见过实际情况,不好胡思乱想。
发表回复
您需要登录后才可以回帖 登录 | 注册

本版积分规则


Licensed Copyright © 2016-2020 http://www.3dportal.cn/ All Rights Reserved 京 ICP备13008828号

小黑屋|手机版|Archiver|三维网 ( 京ICP备2023026364号-1 )

快速回复 返回顶部 返回列表