QQ登录

只需一步,快速开始

登录 | 注册 | 找回密码

三维网

 找回密码
 注册

QQ登录

只需一步,快速开始

展开

通知     

查看: 3193|回复: 16
收起左侧

[分享] 好东西是要拿出来分享的—一套泵站金属结构图和系统原理图

[复制链接]
发表于 2009-9-2 12:02:03 | 显示全部楼层 |阅读模式 来自: 中国湖北襄阳

马上注册,结识高手,享用更多资源,轻松玩转三维网社区。

您需要 登录 才可以下载或查看,没有帐号?注册

x
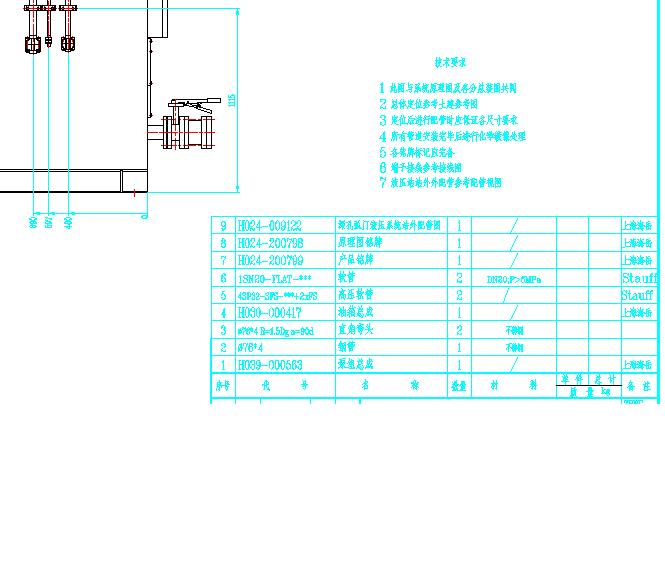
加不加分看着办吧,现发一套泵站金属结构图和系统原理图。多学习一下阀的应用吧,对各位液压水平提高时很有帮助的。# H; E! c( B" T) Q, A0 ~
尤其是对刚刚接触这门学科的人,和一些在校生。你们学习的都是书面知识。并未在实践中应用。我所发的全是工程实例而且是很成功的实例已经成功投入使用并安全运行达半年的电站图纸。我发出来并不是为了宣传某个公司产品好与不好。我不是704所的。其实这个图和我上次发的那个简单了很多。上次那个全是插装阀。相对图纸比较密。不容易一下看清楚油路。大家多多钻研吧。# {6 l# O; ^0 M7 U# J1 P- b

1 l# j6 j  B4 h: l[ 本帖最后由 fanshundi 于 2009-9-2 12:03 编辑 ]; h: b: I( z5 k' o. N& U! Y* i

" L( e8 @$ f, K. n! `[ 本帖最后由 9619 于 2009-9-5 08:47 编辑 ]

H024-000122.rar

315.84 KB, 下载次数: 146

深孔弧门液压系统原理图-20080623.rar

573.52 KB, 下载次数: 140

评分

参与人数 2三维币 +25 收起 理由
自流井 + 5 再上传资料也大大有奖哟
9619 + 20 好资料,感谢您对论坛的支持!

查看全部评分

发表于 2009-9-3 12:25:18 | 显示全部楼层 来自: 中国辽宁本溪
尽管原理相对简单些。
; P6 x7 v9 k8 i! W4 {$ o' k但资料完整,这在论坛上应该是很难得的。$ E0 ?5 H2 z* @8 |
且经过实际验证,确有参考价值。
) w* A, C" {1 {; n谢谢楼主!+ r5 I' R7 b5 l+ P! M7 ~

- b& v* }6 S0 K0 a2 R6 D/ |- ~主缸尺寸:620×380×8350
发表于 2009-9-3 12:47:09 | 显示全部楼层 来自: 中国辽宁本溪
这是楼主第2次上传好资料。
& w- V+ X; `  ~1 L对于上传如此完整的实战资料的做法,版主真的应该给楼主奖励。
8 Z( F% R/ }$ {8 X: c* ]5 x! \2 K1 O建议重奖!!
- W9 g2 U# B: }; \$ Y% T  @1 \
我是为论坛好,第一次发灌水贴,情愿受罚。# T# s2 @+ g4 g) E. D

. |, B1 N9 H+ E& u/ f' \[ 本帖最后由 bohaiyan 于 2009-9-3 13:02 编辑 ]

评分

参与人数 1三维币 +1 收起 理由
9619 + 1 谢谢,已奖励。

查看全部评分

发表于 2009-9-3 15:04:10 | 显示全部楼层 来自: 中国湖北武汉
看完了 很棒 呵呵 学习了很多 开门的工艺上不太懂 不评价 唯一想说的是 楼主 加热器的符号画错了 呵呵
发表于 2009-9-3 15:14:34 | 显示全部楼层 来自: 中国湖北武汉
哦 加一句 此图在油缸进出口各加了一个球阀便于更换油缸或检修油缸,但是在没有备用回路的情况下 显得有点多余。当然,它可以避免检修时减少油液的浪费。如果此回路中有一路备用开门回路就比较完美了。当然,在成本允许的情况下,还可以再考虑下安全运行的问题。比如说:把泵吸油口上的蝶阀改成一个带行程开关的,避免他人误操作起动油泵。

评分

参与人数 1三维币 +1 收起 理由
自流井 + 1 说得实在

查看全部评分

发表于 2009-9-4 09:30:49 | 显示全部楼层 来自: 中国河北唐山
强烈建议斑竹给楼主加分奖励

评分

参与人数 1三维币 +1 收起 理由
9619 + 1 谢谢提醒

查看全部评分

发表于 2009-9-4 09:35:17 | 显示全部楼层 来自: 澳大利亚
很好,非常实用的东西.不过...............打开后显示的是日文??????????
( L: |: d' A9 J+ W' p( j7 H) l3 e& ]  n
PumpStation.PNG
发表于 2009-9-4 10:05:18 | 显示全部楼层 来自: 中国辽宁本溪
是中文的。2 N6 J3 g6 Q3 C! t& q! g) H
见贴图。
电站.JPG

评分

参与人数 1三维币 +3 收起 理由
9619 + 3 谢谢贴图

查看全部评分

发表于 2009-9-4 10:38:25 | 显示全部楼层 来自: 澳大利亚
原帖由 bohaiyan 于 2009-9-4 10:05 发表 http://www.3dportal.cn/discuz/images/common/back.gif
7 z* A$ d' k8 r是中文的。
5 D' H, R8 e& y见贴图。

( o. S( I0 C( u! |' Y" W9 w9 X  Z) e! m. ~; }" G# g
楼上,难道俺的设置有问题?我的是英文版的Autocad 2006:(5 p" A, x& u. u: }+ o3 m
不明白了???高手给指点一下!
发表于 2009-9-4 14:12:47 | 显示全部楼层 来自: 美国
17# 你打开时设置字体为gbcbig.shx 后再打开时就没有问题了! |' q5 `7 V' a% z2 m
:) :) 未命名.pdf (30.57 KB, 下载次数: 7)

评分

参与人数 1三维币 +3 收起 理由
9619 + 3 应助

查看全部评分

发表于 2009-9-20 07:03:38 | 显示全部楼层 来自: 中国广东肇庆
谢谢楼主,辛苦了
发表于 2009-10-18 08:36:05 | 显示全部楼层 来自: 中国湖北鄂州
下了,我刚好有海岳的样本.
发表于 2010-1-15 09:23:30 | 显示全部楼层 来自: 中国河南郑州
不错,虽然简单了点,但是各项说明都很详细。谢谢分享!
发表于 2010-1-15 10:17:56 | 显示全部楼层 来自: 中国陕西西安
好资料啊,谢谢
发表于 2010-1-15 12:39:50 | 显示全部楼层 来自: 中国江苏徐州
很不错的东西。
发表于 2010-1-15 13:08:58 | 显示全部楼层 来自: 中国浙江温州
下了,很好的学习与参考资料.建议版主给楼主加分( q" m: x5 N1 H
想问下楼主,液压缸很大,行程又很长,这样的缸什么单位可以做啊,还有是两台泵同时工作给泵供油吗,就算是我想运动速度也应当很慢吧,不知道是不是工况本身就要求它的速度慢,还有那个油缸的位移测量装置能提供下具体的产品信息吗
发表于 2010-1-16 00:28:28 | 显示全部楼层 来自: 中国甘肃兰州
是不是差动回路
发表回复
您需要登录后才可以回帖 登录 | 注册

本版积分规则


Licensed Copyright © 2016-2020 http://www.3dportal.cn/ All Rights Reserved 京 ICP备13008828号

小黑屋|手机版|Archiver|三维网 ( 京ICP备2023026364号-1 )

快速回复 返回顶部 返回列表