QQ登录

只需一步,快速开始

登录 | 注册 | 找回密码

三维网

 找回密码
 注册

QQ登录

只需一步,快速开始

展开

通知     

全站
2天前
查看: 1413|回复: 3
收起左侧

[求助] 一个改错题

[复制链接]
发表于 2009-9-2 19:58:00 | 显示全部楼层 |阅读模式 来自: 中国云南曲靖

马上注册,结识高手,享用更多资源,轻松玩转三维网社区。

您需要 登录 才可以下载或查看,没有帐号?注册

x
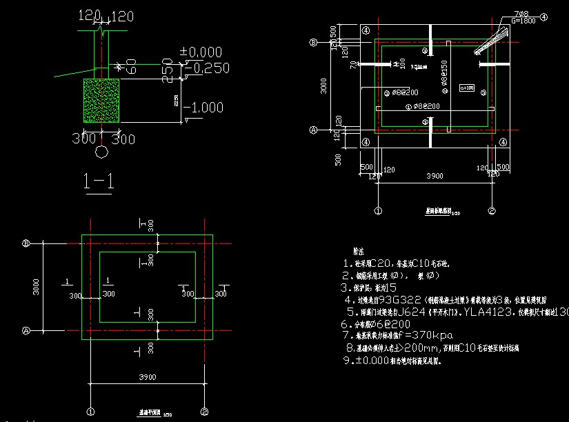
请大家看一下这个图纸,要求改错5 ^7 P, C  z4 H% V7 L/ F+ Q) I
没学过建筑制图,要求改错,不知道怎么改。! O$ c$ N  s# u
要求:
. k& t* V8 {4 o3 H1 X9 r0 c调整图形中的文字,使之符合制图要求。
. y# h! ~& d  M3 _调整图形中的尺寸标注。
7 z6 n" u$ g, _  v修改图形中的图层属性$ y+ w4 A2 [4 Q7 D* q& q
调整图形的布置使之合理。* g; F5 F$ V" {" h

5 l. x$ l  {# }! n4 W3 A3 y# @是高新CAD中级中的题。灵活性太大了,不知道怎么改啊。先谢谢了% T9 N& |- l4 v* h' i
! v* D0 b5 D& M+ A6 a: K
cadst8-11.dwg (58.78 KB, 下载次数: 5)
发表于 2009-9-3 12:06:07 | 显示全部楼层 来自: 中国广西崇左
以后要贴图简单介绍一下
8-11.jpg
8-12.jpg

评分

参与人数 1三维币 +3 收起 理由
wang2003 + 3 贴图奖励

查看全部评分

 楼主| 发表于 2009-9-3 16:15:32 | 显示全部楼层 来自: 中国云南曲靖
谢谢版主
! M; r" O+ D+ _1 ~5 C有没有会的老师。。。
发表于 2009-9-6 20:28:30 | 显示全部楼层 来自: 中国湖北武汉
调整图形中的文字,使之符合制图要求。  明显附注里面的字体不一致,按机械制图标准,附注字高为7,下面的文字字高为5。' S' X( g- V9 @8 D4 x. e5 b( ^9 k3 B
调整图形中的尺寸标注。                左上图尺寸标注中文字偏大,用格式刷刷一下即可。. H3 n& N8 U" x- Q# y& r+ A
修改图形中的图层属性。                没有下载你的附件,所以没有看具体的图层

评分

参与人数 1三维币 +5 收起 理由
wang2003 + 5 应助

查看全部评分

发表回复
您需要登录后才可以回帖 登录 | 注册

本版积分规则

Licensed Copyright © 2016-2020 http://www.3dportal.cn/ All Rights Reserved 京 ICP备13008828号

小黑屋|手机版|Archiver|三维网 ( 京ICP备2023026364号-1 )

快速回复 返回顶部 返回列表