QQ登录

只需一步,快速开始

登录 | 注册 | 找回密码

三维网

 找回密码
 注册

QQ登录

只需一步,快速开始

展开

通知     

全站
10天前
查看: 1360|回复: 3
收起左侧

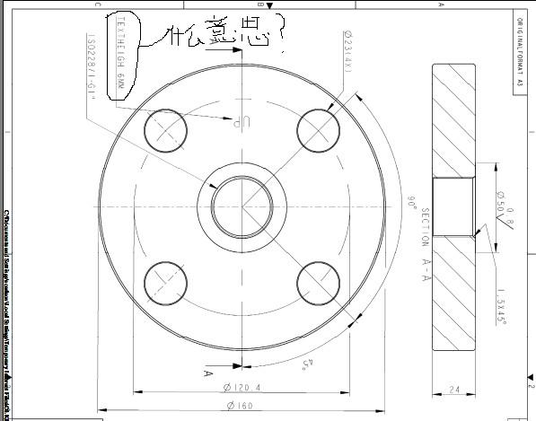
[已解决] 看下图纸标注处的意思

[复制链接]
发表于 2009-9-3 13:59:48 | 显示全部楼层 |阅读模式 来自: 中国江苏无锡

马上注册,结识高手,享用更多资源,轻松玩转三维网社区。

您需要 登录 才可以下载或查看,没有帐号?注册

x
如题  如题
1.jpg
发表于 2009-9-5 21:05:52 | 显示全部楼层 来自: 中国山东东营
说的是你零件上的文字“UP”的高度为6MM
发表于 2009-9-6 18:17:59 | 显示全部楼层 来自: 中国陕西西安
楼上说的很正确啊
发表于 2009-9-13 16:31:33 | 显示全部楼层 来自: 中国安徽合肥
呵呵1楼真鬼
; a$ W7 U6 C  P0 \" a% S$ h1 c. A这也想到了
发表回复
您需要登录后才可以回帖 登录 | 注册

本版积分规则


Licensed Copyright © 2016-2020 http://www.3dportal.cn/ All Rights Reserved 京 ICP备13008828号

小黑屋|手机版|Archiver|三维网 ( 京ICP备2023026364号-1 )

快速回复 返回顶部 返回列表