QQ登录

只需一步,快速开始

登录 | 注册 | 找回密码

三维网

 找回密码
 注册

QQ登录

只需一步,快速开始

展开

通知     

查看: 2936|回复: 9
收起左侧

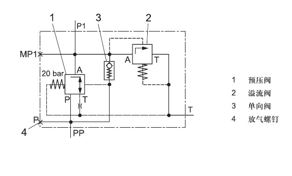
[求助] 请问力士乐预加载阀中的单向阀(3)的作用

[复制链接]
发表于 2009-9-7 15:55:03 | 显示全部楼层 |阅读模式 来自: 中国浙江宁波

马上注册,结识高手,享用更多资源,轻松玩转三维网社区。

您需要 登录 才可以下载或查看,没有帐号?注册

x
Unnamed.jpg
发表于 2009-9-7 18:57:08 | 显示全部楼层 来自: 中国辽宁本溪
请问预压阀是什么阀,从你的图纸上看应该是个溢流阀啊,不知道是起什么作用的
发表于 2010-5-3 12:24:07 | 显示全部楼层 来自: 中国辽宁本溪
楼主讲的应该是力士乐电比例泵上的。3 j9 [5 o3 K4 z) y8 k7 b
我也想知道。6 P& g7 h$ J2 e) ?2 C: P
请高手赐教!
电比例泵.JPG
发表于 2010-5-3 20:36:58 | 显示全部楼层 来自: 中国山西太原
1、从PP出来的那个叫三通溢流阀不知道有没有问题,要是没有那个单向阀,这个三通溢流阀就不起作用,直接由右上角的溢流阀控制!2、有了单向阀的存在,泵出口未达到调定压力,将一直溢流,系统发热将加剧!拙见,请批评指正
发表于 2010-5-4 11:57:38 | 显示全部楼层 来自: 中国广西柳州
实际是个顺序阀,保证系统的最小输出压力
发表于 2010-5-7 11:55:20 | 显示全部楼层 来自: 中国河北沧州
对于比例控制泵,在任何工况下,其出口处均需建立一个起始压力,以向比例控制泵的先导控制回路提供最基本的控制油压力,保证控制器的正常工作,这是预加载阀设置的目的。预加载阀相当于一个顺序阀,单向阀3的作用应该是在一定情况下向系统取压。
发表于 2010-5-7 12:21:25 | 显示全部楼层 来自: 中国河北唐山
PP出口那个应该是三通减压阀吧?貌似那个单向阀的作用就是将减压阀出口压力引至减压阀控制口。不知道对不对。我觉得所谓的预压阀就是减压阀,不对还请指正
发表于 2010-5-7 12:30:07 | 显示全部楼层 来自: 中国北京
同意5楼说法,保证最小压力。
发表于 2010-5-7 12:43:35 | 显示全部楼层 来自: 中国安徽合肥
可惜,我就是对泵的出口连接阀的作用搞不清楚,顺序阀好像有道理
发表于 2010-5-7 13:58:34 | 显示全部楼层 来自: 中国浙江台州
泵我不懂,不过设置这个单向真的感觉很怪。
发表回复
您需要登录后才可以回帖 登录 | 注册

本版积分规则


Licensed Copyright © 2016-2020 http://www.3dportal.cn/ All Rights Reserved 京 ICP备13008828号

小黑屋|手机版|Archiver|三维网 ( 京ICP备2023026364号-1 )

快速回复 返回顶部 返回列表