QQ登录

只需一步,快速开始

登录 | 注册 | 找回密码

三维网

 找回密码
 注册

QQ登录

只需一步,快速开始

展开

通知     

查看: 1916|回复: 13
收起左侧

[求助] 请教大家一下,关于油箱蒸汽加热的问题

[复制链接]
发表于 2009-9-11 07:30:04 | 显示全部楼层 |阅读模式 来自: 中国江苏南通

马上注册,结识高手,享用更多资源,轻松玩转三维网社区。

您需要 登录 才可以下载或查看,没有帐号?注册

x
各位同仁:
2 N( m: }+ y3 ?1 I% o( P7 ~6 ?: v- \' l9 v
      我司做一台40立方(外形尺寸5X3X3 m)的油箱,系统流量1600L/min,油箱采用蒸汽加热,各位帮我看看蒸汽管如何走?在油箱中走蒸汽管有没有什么规定?蒸汽加热同电加热相比有什么优缺点?
" a3 |- b% _7 a' m$ I( e" U  |9 p& W: i
谢谢.
* ]3 \* C/ @9 Y0 W- a1 `( O% j, U5 G* ~
[ 本帖最后由 自流井 于 2009-9-11 08:00 编辑 ]
发表于 2009-9-11 11:30:59 | 显示全部楼层 来自: 中国辽宁本溪
我认为:: B- Y: \4 e) \' v7 b! n; W
1.电加热会导致油质的早期劣化(很难做到油的均匀循环)。我实际接触的力士乐原装的3500L油箱是采用循环泵走溢流的加热方式。只是升温速度太慢了些。
/ y: L- C: g+ l3 I2 ]: y2.蒸汽加热装置在油箱内,清理油箱会困难些。可将蛇形管固定在人孔盖上。

评分

参与人数 1三维币 +10 收起 理由
自流井 + 10 能不能说详细点呢?

查看全部评分

 楼主| 发表于 2009-10-31 11:14:01 | 显示全部楼层 来自: 中国江苏南通

油箱上蒸汽加热是怎么设计的

请问:油箱用蒸汽加热是怎么个设计法?直接用弯管通蒸汽吗?
! K  ?, N8 J, i
  e3 ^3 G" e- h$ ]有经验的XD指点下,谢谢
发表于 2009-10-31 12:21:25 | 显示全部楼层 来自: 中国辽宁本溪
汇报一下我们的土做法。供版主参考。
5 x% ~2 l$ `4 Q, V, G0 f9 j将整根紫铜管冷作成弹簧形状(蛇形管?),外径略小于人孔直径。
! O* \& I& A& k将它固联在人孔盖上。清理油箱时,可同人孔盖一起卸下。
1 u9 a% }) q7 |6 h# d+ `紫铜管外伸出人孔盖一段长度后再与蒸汽进、出管接头连接,以免因铜管接口处易渗漏而使冷凝水进入油箱。
2 u* ^8 C! [) }/ S' R该方式虽然效率较低,但简单易行。
% f" K9 U) d7 }& f# H并且冬暖(通蒸汽)夏凉(通冷却水)。

评分

参与人数 1三维币 +23 收起 理由
自流井 + 23 真不错啊,谢谢分享

查看全部评分

 楼主| 发表于 2009-10-31 12:33:16 | 显示全部楼层 来自: 中国江苏南通
原帖由 bohaiyan 于 2009-10-31 12:21 发表 http://www.3dportal.cn/discuz/images/common/back.gif
: ?0 i4 G1 N$ v8 ~0 s汇报一下我们的土做法。供版主参考。
; O: O5 \" V! T) F将整根紫铜管冷作成弹簧形状(蛇形管?),外径略小于人孔直径。
9 L- u% i6 _8 n6 i, Z将它固联在人孔盖上。清理油箱时,可同人孔盖一起卸下。
. b. r. L: E: \2 k5 r紫铜管外伸出人孔盖一段长度后再与蒸汽进、出管接头 ...
+ q' l; C1 z. Y6 D# Q- x

/ Y. c; ?& u6 G9 |你好,此方法是否只适用于小的油箱加热呢?大油箱是否加热会存在不够哟?
发表于 2009-10-31 13:00:22 | 显示全部楼层 来自: 中国辽宁本溪
介绍我在楼上第一条所述系统的情况。
1 Z" A) G- ~6 i& n循环泵的调定压力为30bar.
2 l. @( ?0 b+ O! ~3 |- U( Y. V; J) E循环泵出口分两路。直路接过滤器→冷却器→油箱;旁路接溢流阀→油箱,$ G) u9 I. z5 G1 T9 I- q$ ]3 C2 y0 ?
在过滤器前有一个三位转阀。该阀即可根据需要选择左或右过滤器的开路,又可关断通往过滤器的通路(此时,泵出油只有经溢流阀至油箱的一条通路,即可实现溢流加热)。2 d$ U. J5 `- p
升温速度(实测):环境温度5℃,循环泵运行17小时,油温由10℃升至37℃。

评分

参与人数 1三维币 +5 收起 理由
自流井 + 5 应助

查看全部评分

发表于 2009-10-31 13:18:43 | 显示全部楼层 来自: 中国辽宁本溪
回版主。5 [% f1 O! z+ i; ]( h7 P
是的,我们实际用于大约1500升的油箱。7 j1 K+ W! t. I( {. z/ y8 g. s
没有用于大型油箱的实际经验。

评分

参与人数 1三维币 +1 收起 理由
自流井 + 1 应助

查看全部评分

发表于 2009-10-31 13:44:04 | 显示全部楼层 来自: 中国河南许昌
1,根据油箱的设计油温,计算油箱外表温度(非保温油箱可直接取油温)。6 k0 E( d0 |4 M; ^% u% ^3 @
2,根据油箱外表面积和外界温度及第1步算出的油箱外表温度,计算油箱的散热量A;
6 x" i) R( {; V+ O1 g6 @9 U3,根据油箱用于泵出的油量(回油量)及泵油回油温度差,计算用油的散热量B;* s7 K( Z: x- ?7 u
4,热量A+B就是油箱所需要的加热量。. E/ N3 r4 b9 O, |, n( Y/ M
5,设定某一直径的加热管(铜或不锈钢无缝管,注:须能承受蒸汽压力)直径,并根据蒸汽的汽化热、管壁对油的传热系数以及上面计算的A+B,推算所需要的加热管长度。此长度即是油箱里所要布置的加热管长度(至于盘旋与否看管长,太长就盘管--节省空间)。
4 w8 N4 \$ q8 W! R- Q6,蒸汽管出口装疏水阀。
0 K( {  `& P, U& e' K  _$ Z/ }) t4 l7,蒸汽进口装蒸汽截止阀(手动调节温度)或电动、气动蒸汽流量阀(自动控温)。  x8 a5 U/ \2 A6 t' H

+ t; U: w* ]$ F7 E2 ~# o" o7 N. Y[ 本帖最后由 baolongzhou 于 2009-10-31 13:53 编辑 ]

评分

参与人数 1三维币 +23 收起 理由
自流井 + 23 感谢分享,很到位的知识。谢谢

查看全部评分

 楼主| 发表于 2009-10-31 15:07:56 | 显示全部楼层 来自: 中国江苏南通
原帖由 baolongzhou 于 2009-10-31 13:44 发表 http://www.3dportal.cn/discuz/images/common/back.gif
+ N$ M+ H. K. d0 S4 s1,根据油箱的设计油温,计算油箱外表温度(非保温油箱可直接取油温)。4 @$ I! p5 p. L* u8 r
2,根据油箱外表面积和外界温度及第1步算出的油箱外表温度,计算油箱的散热量A;: ?- _+ n$ O  S  D
3,根据油箱用于泵出的油量(回油量)及泵油回油温度差,计算 ...

# D3 u: E0 C5 i) T
5 F* A' ?$ r9 Y4 P- k$ u) p& p你好,用铜管加热会不会把油烧坏?加疏水阀起什么作用呢?
发表于 2009-10-31 16:02:10 | 显示全部楼层 来自: 中国河南许昌
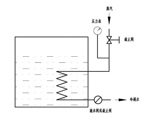
1,蒸汽温度跟蒸汽压力有关,6kg压力时,蒸汽温度大约150℃左右,油耐温较高,一般不会烧坏的(一般油温200℃以上开始有少量凝胶,凝结在加热管表面就影响散热)。我认为你把蒸汽压力用在2--3kg就可以了,可在蒸汽进口(截止阀之后)装一蒸汽压力表便于观察。  Q* A, u/ L, C& G; D2 ^4 o
2,蒸汽管进口装截止阀,可调节蒸汽流量,亦可粗调蒸汽压力,管表温度不会太高。如果能让油箱的油运动(冲刷加热管),则加热效果以及油温的均匀度较好。1 l9 k4 [6 X0 S$ S" I' ]% m2 P
3,蒸汽出气管外端加疏水阀,是为了排除管中蒸汽凝结成的水。如果不排除,则凝结水会很快充满加热管,就起不到加热作用了。如果要求不高,也可在蒸汽出口(出油箱后)装截止阀代替疏水阀,通气时调节该阀开度,使其刚刚排出稍稍蒸汽即可(作用是保证加热管里不存冷凝水)。$ y7 s0 ]# L1 g
4,设计管路时记住蒸汽从高端进,冷凝水从低端出。如果用热水加热,则与蒸汽相反,即低进高出(夏季如果油箱需冷却时,冷媒流向也按加热时热水的流向---防止管内憋气影响加热或制冷)。---即:气热时管内不积液,液热(或液冷)时管内不憋气。
' [: A" F- y8 S. X% F: P& X6 y  d8 V) l) [+ _- r

! D) F( m7 i/ |" `7 T6 \补贴张示意图:
" ]! m. ?/ A( z- K; P" \+ i% U2 r4 a  h
[ 本帖最后由 baolongzhou 于 2009-10-31 17:09 编辑 ]
zz.jpg

评分

参与人数 1三维币 +22 收起 理由
自流井 + 22 感谢到位的帮助

查看全部评分

 楼主| 发表于 2009-11-1 08:36:30 | 显示全部楼层 来自: 中国江苏南通
原帖由 baolongzhou 于 2009-10-31 16:02 发表 http://www.3dportal.cn/discuz/images/common/back.gif$ V3 f3 T- M  I0 ]* o6 x3 g" ^
1,蒸汽温度跟蒸汽压力有关,6kg压力时,蒸汽温度大约150℃左右,油耐温较高,一般不会烧坏的(一般油温200℃以上开始有少量凝胶,凝结在加热管表面就影响散热)。我认为你把蒸汽压力用在2--3kg就可以了,可在蒸汽进口 ...

9 s' m& I' s- ]3 a 说得不错,感谢
发表于 2009-11-1 12:13:37 | 显示全部楼层 来自: 中国辽宁本溪
原帖由 baolongzhou 于 2009-10-31 16:02 发表 http://www.3dportal.cn/discuz/images/common/back.gif
& e- j; Y" \' ]+ l3 ]7 o  U1,蒸汽温度跟蒸汽压力有关,6kg压力时,蒸汽温度大约150℃左右,油耐温较高,一般不会烧坏的(一般油温200℃以上开始有少量凝胶,凝结在加热管表面就影响散热)。我认为你把蒸汽压力用在2--3kg就可以了,可在蒸汽进口 ...

4 w0 ^- ^& w( V- g- x. n. L1 }/ j3 A/ E) N; \" F8 W: I* b$ B
非常专业!!
5 H- C$ ~- z+ q3 G9 U4 H& e使我的知识得以深化。
发表于 2009-11-1 19:42:24 | 显示全部楼层 来自: 中国河南安阳
我们的一个用户使用LQ型冷却器给系统加热,个人认为是一个不错的选择。
$ o' u) s* b* E- C冬天作加热器使用,夏天做冷却器使用。
发表于 2009-11-2 11:11:58 | 显示全部楼层 来自: 中国辽宁大连
原帖由 9619 于 2009-11-1 19:42 发表 http://www.3dportal.cn/discuz/images/common/back.gif
5 G. g# `$ w2 E! U2 _" ]我们的一个用户使用LQ型冷却器给系统加热,个人认为是一个不错的选择。8 Y) b6 i4 b( S5 t8 m2 H  _, k1 o6 x
冬天作加热器使用,夏天做冷却器使用。

: A+ x! l$ |+ ~" J我也觉得这样很适用,相当于取了循环泵加热和蒸汽加热的共同优点。
发表回复
您需要登录后才可以回帖 登录 | 注册

本版积分规则


Licensed Copyright © 2016-2020 http://www.3dportal.cn/ All Rights Reserved 京 ICP备13008828号

小黑屋|手机版|Archiver|三维网 ( 京ICP备2023026364号-1 )

快速回复 返回顶部 返回列表