QQ登录

只需一步,快速开始

登录 | 注册 | 找回密码

三维网

 找回密码
 注册

QQ登录

只需一步,快速开始

展开

通知     

全站
7天前
查看: 1928|回复: 5
收起左侧

[求助] 请问如何计算38DP齿轮的外径

[复制链接]
发表于 2009-9-15 20:19:28 | 显示全部楼层 |阅读模式 来自: 中国浙江宁波

马上注册,结识高手,享用更多资源,轻松玩转三维网社区。

您需要 登录 才可以下载或查看,没有帐号?注册

x
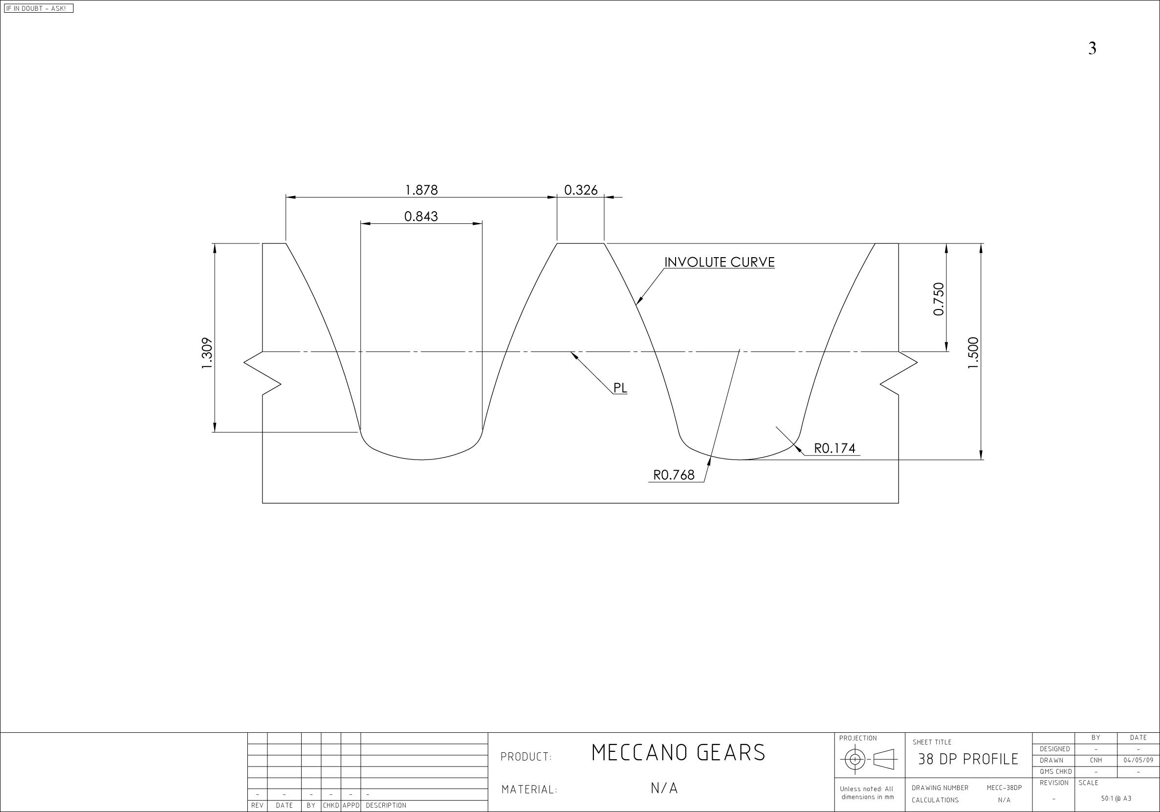
如图所示,38DP 36齿,图纸上的外径是39mm,可我们计算出来的只有35.36mm。请问正确的计算方法是什么,谢谢!

齿轮尺寸图

齿轮尺寸图

38DP剖面图

38DP剖面图
发表于 2009-9-15 20:41:28 | 显示全部楼层 来自: 中国浙江杭州
按照图纸上的数据,个人认为这个齿轮应该是变位设计,不能按标准齿轮设计。

评分

参与人数 1三维币 +2 收起 理由
hero2006 + 2 技术讨论

查看全部评分

 楼主| 发表于 2009-9-15 20:49:13 | 显示全部楼层 来自: 中国浙江宁波
那该如何生产呢?按38DP订的刀具,做出来的齿数就不对了。
发表于 2009-9-15 21:31:15 | 显示全部楼层 来自: 中国浙江杭州
我认为第二张图纸的数据对定刀具很重要,全齿高等验算看来不能按照标准齿轮计算。个人对滚刀不是很熟悉,所以也不好说些什么。

评分

参与人数 1三维币 +2 收起 理由
hero2006 + 2 技术讨论

查看全部评分

发表于 2009-9-16 15:47:58 | 显示全部楼层 来自: 中国江苏常州
一定要有齿厚或公法线尺寸及偏差才能计算和加工,不然怎么判断比较,有什么意义呢。

评分

参与人数 1三维币 +2 收起 理由
hero2006 + 2 积极参与

查看全部评分

发表于 2009-9-17 09:42:23 | 显示全部楼层 来自: 中国湖南长沙
变位齿轮,直接拿着你的零件图去找搞滚刀设计的,他是应该能帮你搞定的
发表回复
您需要登录后才可以回帖 登录 | 注册

本版积分规则


Licensed Copyright © 2016-2020 http://www.3dportal.cn/ All Rights Reserved 京 ICP备13008828号

小黑屋|手机版|Archiver|三维网 ( 京ICP备2023026364号-1 )

快速回复 返回顶部 返回列表