QQ登录

只需一步,快速开始

登录 | 注册 | 找回密码

三维网

 找回密码
 注册

QQ登录

只需一步,快速开始

展开

通知     

全站
6天前
查看: 1656|回复: 2
收起左侧

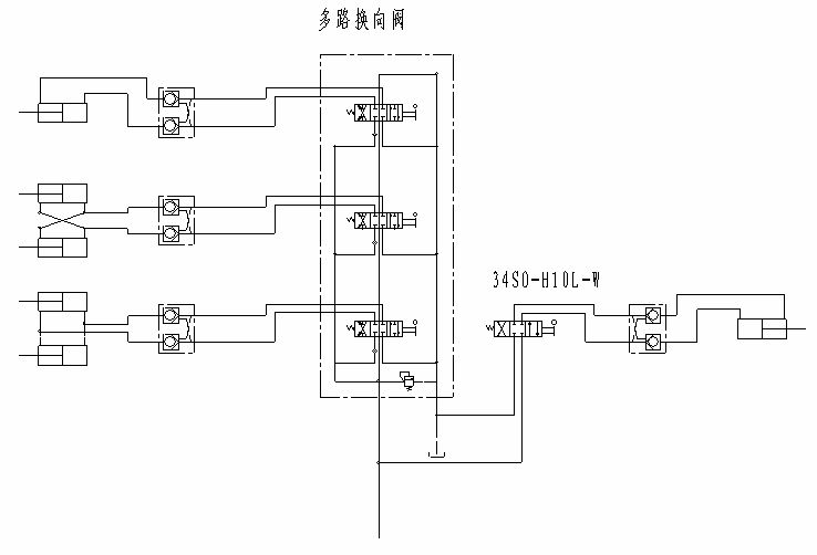
[求助] 多路阀油路上能不能串联一个三位四通换向阀?

[复制链接]
发表于 2009-9-24 13:15:52 | 显示全部楼层 |阅读模式 来自: 中国河南新乡

马上注册,结识高手,享用更多资源,轻松玩转三维网社区。

您需要 登录 才可以下载或查看,没有帐号?注册

x
我们这有个机器使用一个中位O型的三联多路阀(A阀)来控制三组油缸的动作,现在需要增加一个油缸,由于安装空间的限制和控制精度要求不高,我们就额外增加一个三位四通换向阀(B阀)来控制这个新增加的油缸(见图),我们一开始将此阀跟A阀并联,结果单独开B阀的时候新加的油缸没有动作,当开动A阀上任意一联,再同时开动B阀,则新油缸有动作。后来想了想这种方式行不通,因为在只开B阀的情况下油都从A阀流回邮箱了,导致B阀油路没有压力。
7 Z  h. O3 D7 u7 t  M3 Q- w4 H现在请问能不能将B阀换成中位M型的串联在A阀后面?这样是不是各油缸既能同时又能独立操作了?谢谢!; z: q) a8 W  G% V: e& s% s6 l+ v
还有在目前并联的情况下,先开A,再开B,当B油缸动作时,A阀所控制的油缸就没动作了,这个原因不是很明白。
1.jpg
发表于 2009-9-24 13:48:17 | 显示全部楼层 来自: 中国江苏无锡
将B阀换成M型的就可以单独动作了,不过B阀的通径要根据系统回油的流量确定,以免通径选小了产生过大的背压;9 B4 c& T8 `1 i! s4 m
先开A阀,A阀出口的油缸可以动作,当开B阀时,B阀的油缸动作了,A阀的油缸就不动作了,可能B阀出口的油缸的负载比A阀出口的负载小,因此当B阀上的油缸动作停止时,A阀出口的油缸才能动作,因为负载决定了系统的压力的大小。
 楼主| 发表于 2009-9-24 14:04:43 | 显示全部楼层 来自: 中国河南新乡
谢谢,你的意思是现在这种并联的情况下将B阀换成M型的?还是串联M型?
发表回复
您需要登录后才可以回帖 登录 | 注册

本版积分规则

Licensed Copyright © 2016-2020 http://www.3dportal.cn/ All Rights Reserved 京 ICP备13008828号

小黑屋|手机版|Archiver|三维网 ( 京ICP备2023026364号-1 )

快速回复 返回顶部 返回列表