QQ登录

只需一步,快速开始

登录 | 注册 | 找回密码

三维网

 找回密码
 注册

QQ登录

只需一步,快速开始

展开

通知     

全站
7天前
查看: 1852|回复: 7
收起左侧

[求助] 自画液压图,请高手指点。

[复制链接]
发表于 2009-9-27 09:00:13 | 显示全部楼层 |阅读模式 来自: 中国浙江杭州

马上注册,结识高手,享用更多资源,轻松玩转三维网社区。

您需要 登录 才可以下载或查看,没有帐号?注册

x
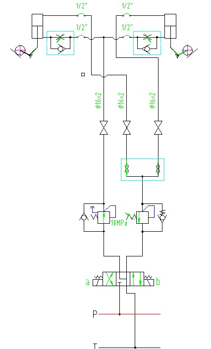
0.jpg 8 t& ~% `$ R4 o$ Q
此液压缸用来抬起或落下辊子,通常的工况是落下,落下后用做销轴的气缸定位,故定位后油缸卸载。辊子自重大约5t,有一定的同步要求。已选定分流集流阀同步,因本人液压基础较差,请大家指点,感激不尽!
; N* ]8 g% x' n# T对于分流集流阀同步回路,我还有几个疑问:- R- O7 }1 ~+ l- o3 N5 w
1. 有人提到分流集流阀不适合刚性同步,请问什么是刚性同步?为什么不适合?2 @% K) F3 P. R9 h0 q
2. 有人提到分流集流阀容易出现误差累计,应设误差纠正回路,本图应该怎么加纠正回路?2 x2 b% Z( b, w5 v+ S
3. 若使用分流阀,能起到双向同步的作用吗?使用同步马达呢?能双向同步吗?
  i* _2 j4 H: [; o4. 在此回路中,将顺序阀改成单向调速阀,可以吗?各自优劣怎样?; _, Z$ D# W- |" o; F
5. ms我都分不清顺序阀、平衡阀什么的,好像在一定情况下,顺序阀能做平衡阀使用,对吧?2 [# w; O" V2 t: E: i4 X

# }( B. W! ]* s4 v( z[ 本帖最后由 polang 于 2009-9-27 09:37 编辑 ]
发表于 2009-9-27 11:55:12 | 显示全部楼层 来自: 中国广东深圳
平衡阀应该是防止辊子或者杆端机构落下的吧,为什么要装在无杆腔呢?
8 @& Q8 K, O: }9 v/ ]6 o8 B! k1.刚性同步应该是强制性的同步,不需要加装同步阀了吧4 t& a. {7 I3 d, G* X+ M+ a: Y
2.不清楚纠正回路,但是你可以通过行程开关控制油缸伸出或者收缩时使两缸全部归位(走完行程),如此就可以消除累计了
5 r9 x& X  G1 W. A% F9 c3,可以
# c  b2 ?# [# K, f( G% R- o! o4顺序阀与调速阀作用不一样,怎么能互换?- [' D7 y- x# o1 ^2 V
5顺序阀也叫平衡阀,
- b. C% l  w* O/ |个人意见,楼下的纠正...
发表于 2009-9-27 12:53:51 | 显示全部楼层 来自: 中国辽宁本溪
不知楼主下降负载的距离有多大。
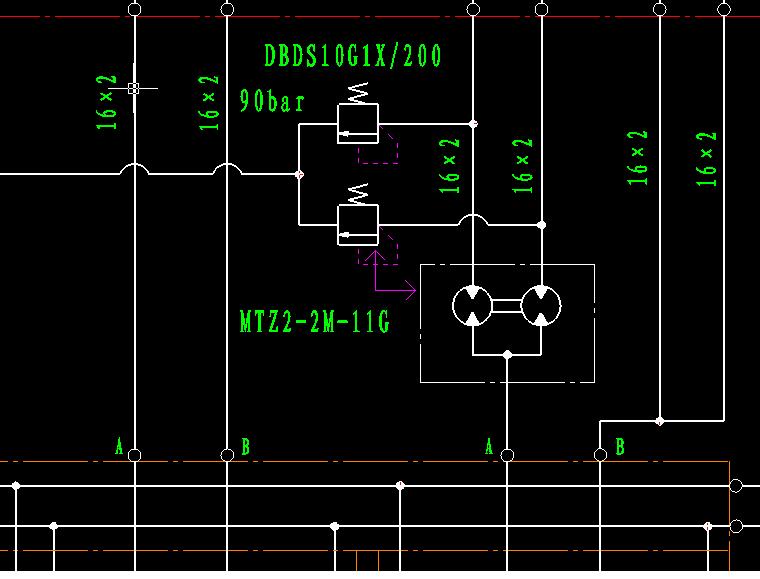
: M( ?6 h9 c8 B3 y6 B7 }" t  H我所实际接触的分流集流阀回路没有纠偏阀。但采用同步马达的回路是有的(90BAR那两个溢流阀),见贴图。0 @8 }$ K7 F2 H6 b9 \5 `
如果负载的下降距离较大,还是采用平衡阀稳妥。顺序阀只能形成支撑背压,不能解决失速下滑的问题。并且容易产生振动。' y% D: i: m. b, i; Y4 B
如果下降距离较小,用顺序阀应该是可以的。甚至可以用回油调速的节流阀来产生平衡背压。(我曾作过这样的改造,用回油调速的节流阀取代平衡阀。下降负载重量3吨,距离1.5米,工作正常)。
同步纠偏.JPG
 楼主| 发表于 2009-9-27 13:06:49 | 显示全部楼层 来自: 中国浙江杭州
我是楼主,平衡阀应该是防止辊子或者杆端机构超速下降。
0 ]4 G8 h+ K% ]& O1 Q! J5 I  |$ h当b得电时,辊子会由于自重而超速下降,故在其回油路上平衡阀/顺序阀,来防止这一情况。回油路使用调速阀时,在回路节流,也能防止重物超速下降,不知是否正确?
 楼主| 发表于 2009-9-27 13:15:54 | 显示全部楼层 来自: 中国浙江杭州

回复 3# bohaiyan 的帖子

此结构油缸行程不大,才150mm。
2 P! f5 U$ e& [" P& b3 e能讲讲使用平衡阀和回路调速的节流阀用在这一图中的区别吗?3 K! ^% e; n9 p0 R2 M8 V
另外,能否指点一下顺序阀和平衡阀的区别?因为手头只有榆次的样本,还不能将二者很好的区分开。
发表于 2009-9-28 10:20:10 | 显示全部楼层 来自: 中国辽宁本溪
顺序阀是圆柱面密封,有泄露,过流口为瞬变开口(即或开、或关),不能形成阻尼。一般用于轻负载。8 t3 A) |2 |  l# v- H$ K) [4 d
平衡阀(又称限速阀)是锥面密封,能可靠地锁定负载,低速(或微动)稳定性好,过流口为渐变开口(连续开口),可根据X口的压力变化,自动调节阀开口的大小,从而改变阀口的节流效果(即阻尼的大小)。一般用于重负载或下降距离较大的工况。
3 Z7 w+ l5 W$ Y. C- Z有这种说法。即不应该将顺序阀归类于平衡阀。
 楼主| 发表于 2009-9-28 12:56:04 | 显示全部楼层 来自: 中国浙江杭州

回复 6# bohaiyan 的帖子

感激不尽!
发表于 2009-9-28 13:12:46 | 显示全部楼层 来自: 中国安徽合肥
介绍的很详细啊
发表回复
您需要登录后才可以回帖 登录 | 注册

本版积分规则

Licensed Copyright © 2016-2020 http://www.3dportal.cn/ All Rights Reserved 京 ICP备13008828号

小黑屋|手机版|Archiver|三维网 ( 京ICP备2023026364号-1 )

快速回复 返回顶部 返回列表