QQ登录

只需一步,快速开始

登录 | 注册 | 找回密码

三维网

 找回密码
 注册

QQ登录

只需一步,快速开始

展开

通知     

全站
2天前
查看: 1915|回复: 9
收起左侧

[求助] 里有几张二维图,请教高手怎么画,麻烦那位高手能上传个教程

[复制链接]
发表于 2009-9-27 20:20:59 | 显示全部楼层 |阅读模式 来自: 中国上海

马上注册,结识高手,享用更多资源,轻松玩转三维网社区。

您需要 登录 才可以下载或查看,没有帐号?注册

x
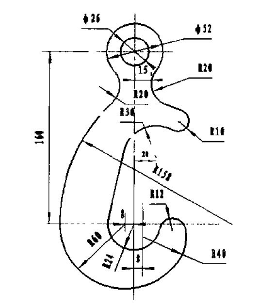
里有几张二维图,请教高手怎么画,麻烦那位高手能上传个教程, 麻烦那位高人知道r32这个圆弧是怎么弄出来的,还请各位高手指教
20090926_cc3e43ddda9f9edfed17MfbjW2kLCLAs.jpg
发表于 2009-9-27 22:27:01 | 显示全部楼层 来自: 中国黑龙江大庆

回复

水平比较一般,仅供参考 Drawing1.dwg (25.61 KB, 下载次数: 44)
 楼主| 发表于 2009-9-27 22:47:02 | 显示全部楼层 来自: 中国上海
谢谢楼上的大哥指教,你真是好人,题目是很简单的,但是有时候就是一时想不起来了。
发表于 2009-9-28 09:28:55 | 显示全部楼层 来自: 中国山东烟台
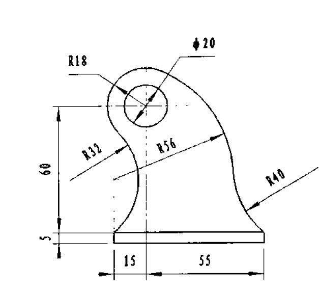
用偏移命令将R18偏移32(也就是与R18同心的R50),然后过长度为15+55=70,高度为5,也就是与R32相交的那一点,做R32的圆,以R32与R50相交的点为圆心做R32的圆
发表于 2009-9-28 12:04:33 | 显示全部楼层 来自: 中国北京

回复 2# fengwang999 的帖子

有点水平! ! ~$ W' s0 o- h% \
56和40 的决定状态,完全取决于这条虚线!有见地!:good
) w/ m! k& U& Y( x) n, W' S4 H/ L/ t+ t1 {- ^% @& o5 T0 c, w  q
出这图的人标注减少了,绝!不过有点考人,呵呵!& L/ M4 ]% ^7 n  [1 H
1 T$ d# C1 l, q2 P1 I
[ 本帖最后由 machangqin 于 2009-9-28 12:09 编辑 ]
部分图.jpg
 楼主| 发表于 2009-9-28 17:26:39 | 显示全部楼层 来自: 中国上海
感谢各位高人的帮助,我这里有张图,比较简单的,那位大哥能用几何制图的方法,和cad两种方法,作出此图么
dddd.jpg
 楼主| 发表于 2009-9-28 17:28:21 | 显示全部楼层 来自: 中国上海
原帖由 machangqin 于 2009-9-28 12:04 发表 http://www.3dportal.cn/discuz/images/common/back.gif
9 e8 M& H6 y) C# b" O5 c' }有点水平!
% n7 \, \" r, o) B1 ^56和40 的决定状态,完全取决于这条虚线!有见地!:good
. Y1 _0 r1 p: O% v( P1 j5 A2 |' O: A  M
出这图的人标注减少了,绝!不过有点考人,呵呵!

1 m: J. Q5 X3 o/ h) g7 H1 d( t8 Y$ }6 G
% I0 T& n, J( D0 F5 Q

5 w! y' I: a6 t7 R  g$ m: W大哥,这个东西的道理什么呀,
发表于 2009-9-28 20:22:50 | 显示全部楼层 来自: 中国上海
R32的圓弧和R56,40的做法差不多了,这条虚线表示了圆心的位置,算是一个隐含的条件吧。
发表于 2009-9-28 20:36:39 | 显示全部楼层 来自: 中国北京
2#高手,学习了
发表于 2009-9-28 20:55:40 | 显示全部楼层 来自: 中国浙江丽水
这些图的话,关键是圆与圆的位置关系要搞清楚,只要是内切还是外切!这两点弄清楚了,就是简单的加减运算了!
发表回复
您需要登录后才可以回帖 登录 | 注册

本版积分规则

Licensed Copyright © 2016-2020 http://www.3dportal.cn/ All Rights Reserved 京 ICP备13008828号

小黑屋|手机版|Archiver|三维网 ( 京ICP备2023026364号-1 )

快速回复 返回顶部 返回列表