QQ登录

只需一步,快速开始

登录 | 注册 | 找回密码

三维网

 找回密码
 注册

QQ登录

只需一步,快速开始

展开

通知     

全站
7天前
查看: 1416|回复: 2
收起左侧

[求助] 油缸盖计算受力

[复制链接]
发表于 2009-9-28 08:33:34 | 显示全部楼层 |阅读模式 来自: 中国河北

马上注册,结识高手,享用更多资源,轻松玩转三维网社区。

您需要 登录 才可以下载或查看,没有帐号?注册

x
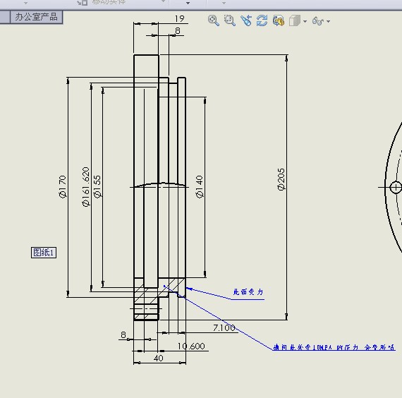
请看看附件里的油缸盖 在10MPA 压力下 受力面 在活塞的撞击 会变形吗? 我用的是 窄断面的 Y 型圈 手册查。 , u1 n2 m3 g5 L) z4 m# {0 F
; u0 b0 R' o3 I$ [
还有就是怎么计算 油缸盖的受力1 B. g. T  n% r: `4 l
请给个公式 / ~5 `: C8 i/ M  q0 U  N. l
我想用COSMOS 计算一下。
xiaogai.jpg

成型缸小盖.rar

21.9 KB, 下载次数: 9

发表于 2009-9-28 09:53:39 | 显示全部楼层 来自: 中国浙江宁波
参考设计手册上的端盖比对一下可以啦。80%的设计是比对的,特别重要才会计算的。
发表于 2009-9-28 10:06:04 | 显示全部楼层 来自: 中国江苏徐州
只要能满足最薄弱处断裂强度即可,10MPA 压力不算大
发表回复
您需要登录后才可以回帖 登录 | 注册

本版积分规则

Licensed Copyright © 2016-2020 http://www.3dportal.cn/ All Rights Reserved 京 ICP备13008828号

小黑屋|手机版|Archiver|三维网 ( 京ICP备2023026364号-1 )

快速回复 返回顶部 返回列表